
Blinkschaltungen mit den beiden Timern im NE556
von Hermann Nieder
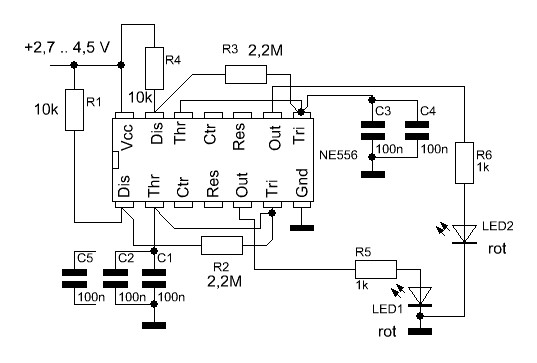
Beim Experimentieren mit den Bauteilen aus dem
Adventskalender 2011 habe ich die abgebildete Schaltung aufgebaut, die bereits
mit ca. 2,7 V ( zwei Monozellen, die bereits seit einiger zeit in Betrieb
waren). Die Leuchtdioden leuchten dann aber nicht so hell wie bei
einer Spannung von 4 - 4,5 V.
Beide Timer des
Bausteins NE556 sind als astabile
Multivibratoren geschaltet.
Am Ausgang Out erhält
man ein Rechtecksignal, das bei den angegebenen Widerstandswerten annähernd
symmetrisch ist.
Das zeigt sich auch jeweils am Blinken der Leuchtdioden.
Wird zu C2 C5 parallel geschaltet, kann die Frequenz des
Ausgangssignals noch etwas verkleinert werden.
Das Bild zeigt die praktische Ausführung der Schaltung im
Betrieb.
(Wichtiger Hinweis: Die LEDs sind in Gefahr, wenn die Batteriespannung
höher ist. LED3 und LED4 sollten einen Vorwiderstand bekommen. B.K.)
Möchte man die beiden anderen Leuchtdioden auch in die
Schaltung einfügen, so kann man z. B. die Emitter-Basis-Strecken, die vereinfacht
wie Silizium-Dioden wirken, als „Vorwiderstand“ verwenden, da an ihnen von der
Ausgangsspannung etwa 0,6-0;7 V abfällt,
die dazu
in Reihe geschaltete
Leuchtdiode also eine um diesen Betrag geringere Spannung zur
Verfügung hat. Eine andere Möglichkeit besteht darin,
dass man die
Kollektoren beider npn-Transistoren mit dem Pluspol der Spannungsquelle
von
4-4,5 V verbindet. Die Transistoren arbeiten dann als Emitterfolger mit
den
besonderen Eigenschaften dieser Betriebsart eines Transistors. Die
Spannung am Emitter ist etwa um 0,6-0,7 V geringer als
die Basisspannung. Die grünen Leuchtdioden leuchten in diesem Fall
etwas heller
als ohne die Verbindung der Kollektoren mit dem Pluspol, wenn also nur
die
Basis-Emitter-Strecken der Transistoren wirken.
So sieht z. B. eine mögliche praktische Ausführung der
Schaltung im Betrieb aus.