Elektronik-Labor Notizen Projekte Labortagebuch
23.12.15:
Phasenumkehr mit Doppeltriode 6SN7 von Marcus Gedanitz
Diesmal
habe ich etwas größeres vor. Und zwar habe ich mich vom Buch
Röhrenprojekte 6 - 60 Volt inspirieren lassen. Das Buch hatte ich mir
damals kurz nach Erscheinen als Drucksache gekauft, dann aber leider an
den falschen verliehen. So blieb mir nur der Neuerwerb als PDF
download. Es soll ein 60 Volt low Cost Gegentaktverstärker mit
der 6080, bzw 6AS7 werden. Die 6080 bzw 6AS7 ist für verhältnissmäßig
kleines Geld bei BTB zu bekommen. Das Datenblatt dazu sieht
vielversprechend aus. So kann man bei Ub 60 Volt, einem Rk von etwa 110
Ohm eine Automatische Gittervorspannung von -10 V gewinnen und es
bleiben noch 50 V Uak übrig. Dabei wird sich der Anodenstrom auf etwa
90 mA! einstellen. Pro System versteht sich.
Dazu habe ich
heute eine Möglichkeit für eine Phasenumkehrstufe gesucht. Was
ich derzeit an Röhren zur Verfügung habe, wurde untersucht. Für gut
brauchbar befunden habe ich die 6SN7. Diese Röhre macht bei Uak 60V und
Ug 0V immerhin rund 5 mA Anodenstrom pro System. Herausgekommen ist ein
Differenzverstärker mit Konstantstromquelle.
Der
hier verwendete Transistor MPSA 42 ist rein zufällig gewählt.
Ursprünglich hatte ich einen BC547 verbaut, da ich angenommen habe,
dass die max. zuläsige Uce nicht erreicht wird. Jedoch war der
Transistor nach kurzer Zeit anderer Meinung. Der MPSA42 verträgt
immerhin Uce 300V. Davon hatte ich nach fertigstellung meiner Nixie-Uhr
einige übrig.
Nach
Weihnachten mache ich an der Sache weiter. Mal sehen wie sich der
Vertärker entwikelt. Da gibt es noch so einige Aufgaben zu erledigen,
wie z.B. das finden geeigneter Low Cost Trafos. Dimensionierung des
Netzteils, da die 6080 allein für die Heizung immerhin 2,5A bei 6,3V
sehen möchte.
18.12.15:
JFET-Ersatztypen für den BF245 Der
BF245A/B/C ist abgekündigt und nur noch schwer zu bekommen. Auf
der Suche nach einem Ersatz im TO92-Gehäuse bin ich auf den
J111/112/113 gestoßen, der von mehreren Firmen hergestellt wird.
Hauptanwendung sind eigentlich Chopper und Signalschalter,
Verstärkeranwendungen eher nicht. Vermutlich kann der J111 im
HF-Bereich nicht mit einem BF245A mithalten. Aber im NF-Bereich sollte
es gehen, denn die Daten sind ähnlich. Eine weitere Alternative wäre der BF256B, den es auch noch bei Reichelt gibt.
Eine JFET-Übersicht:
https://www.fairchildsemi.com/application-notes/AN/AN-6609.pdfSMD-FETs BF545A/B/C, by Eric Sterckx
In
addition to the replacement types you mention, and which no doubt are
reasonable alternatives, I would like to point out that NXP still
manufacture the part, albeit in an SMD package, as the BF545A/B/C. If
you compare the datasheets, you will see that all electrical parameters
are identical, except, of course, the maximal power dissipation, which
is smaller for the SMD device. Also, the parasitic impedances of the
package will be better.
You will find the original Philips datasheet at e.g.:
www.pci-card.com/bf245.pdfAnd the NXP part's datasheet is at:
http://cache.nxp.com/documents/data_sheet/BF545A_BF545B_BF545C.pdf
15.12.15:
NF-Röhren bei kleiner Anodenspannung

Alexander Bofinger schrieb: Bei einem Messverstärker mit einer bei Ub=30V batteriebetriebenen
ECC83 in Kathodenbasisschaltung bei einem Anodenabfallwiderstand Ra von
30 Kilohm und einer Vorspannung der Gitters per Anlaufstrom mit einem
Ableitwiderstand Rg von 12 Megohm war die Spannungsteilung zwischen
Triode und Anodenabfallwiderstand Ra nahezu symmetrisch. Also gehe ich
von einem Gesamtwiderstand von ca. 60 Kilohm und einem Anodenstrom Ia
von etwa 500 µA aus. Die Röhre hat sich auch bei weitaus höherem Ra bis
150 Kilohm noch betreiben lassen, wurde dann aber recht driftanfällig.
Hingegen konnte ich die ECC81 überhaupt nicht per Anlaufstrom
vorspannen, habe allerdings keine niedrigen Rg getestet, weil mir
gerade der hochohmige Eingang wichtig ist. Außerdem erwies sich die
ECC81 als sehr empfindlich gegenüber Instabilitäten in der Heizung.
Verringerte sich die Heizspannung infolge sich erschöpfender Batterien
nur geringfügig, ging Ia schnell gegen Null, obwohl die ECC81 an sich
deutlich niederohmiger konzipiert ist als die ECC83. Für den
Kopfhörerverstärker habe ich mich so für die Vorspannung per
Kathodenwiderstand entschieden und auf eine hinreichende Glättung der
Heizung geachtet.
Wie deckt sich das mit Ihren
Erfahrungen? Insbesondere interessiert mich welche, an und für sich
rein bauartbedingte, Leerlaufverstärkungen µ bei derart niedrigen Ub
bzw. Ua anzusetzen sind. Gelten noch die aus den Datenblättern? Leider
stand mir keine entsprechende Messtechnik zur Verfügung. Wie sieht es
mit der NF-Pentode EF86 aus? Gibt es mit der bei Niederspannung schon
irgendwelche Erfahrungen?
Auf 30 V komme ich aus folgendem Grund:
In 'Röhrensteinzeit', den späten 20er Jahren und den frühen 30ern, waren
Netzteile zur Versorgung mit Gleichstrom aus in Europa schon recht
verbreitetem Wechselstrom für kleine Leistungen noch technisch schwierig
aufzubauen und selten, für Privatleute faktisch unerschwinglich. '40 Volt'
aus Batterien (20 Bleiakkuzellen in Serie) waren ein durchaus gängiger
Standard. Später setzten sich dann 22,5 V und Vielfache davon, 45 V und 90 V,
als Standards durch, für die spezielle 'Anodenbatterien' im Handel waren.
Nach heutigen Normen gelten ±24V gegen Masse als obere Grenze sicherer
Kleinstspannung (nicht mehr 60 V), sprich 48 V wären noch 'salonfähig'.
+-15 V sind für Schaltungen mit OP-Amps mit Halbleitern gängig; so liegen
30 V auf der Hand.
Antwort:
Mit den kleinen Spannungen arbeiten solche Röhren am besten, die
für große Anodenströme ausgelegt sind, also z.B. ECC82, ECC85 oder EL95
oder sogar die E182CC, die bis zu 60 mA schafft. Die ECC83 war für
hohe Spannungsverstärkung bei wenig Strom ausgelegt. Da bleibt dann
z.B. bei 12 V kaum noch Anodenstrom übrig. Bei 10 M
Gitterwiderstand laden sich die meisten Röhren am Gitter auf ca. -1 V
auf. Bei Ua = 12 V sind sie dann schon vollständig gesperrt. Deshalb
muss ich leider den Eingang und den Ausgang relativ niederohmig machen.
Die meisten Röhren bringen dann nur noch eine Spannungsverstärkung von
2 bis 5. Die theoretische Leerlaufverstärkung µ wird dann nicht mehr
erreicht.
Nach meiner Einschätzung sind solche NF-Röhren wie die
ECC83, EF86 und EABC80 nicht gut für sehr keine Spannungen bis 12V
geeignet. Aber bei 30 V habe ich es nie getestet. Kann durchaus sein,
dass sie sich da schon ganz "normal" verhalten. Allerdings muss man den
Arbeitswiderstand verkleinern, was dann auch wieder Verstärkung kostet.
Üblich war z.B. 220 k bei 250 V. Da kam man fast an µ heran, also z.B.
fast 100-fach. Wenn man nur noch 22 k verwenden kann, bekommt man
vermutlich nur noch 10-fache Spannungsverstärkung.
9.12.15:
Entstörung von Schaltnetzteilen
Schaltnetzteile
sind aus Gründen der Energieersparnis eine gute Sache, aber bei vielen
Experimenten problematisch, weil sie größere Störungen verursachen. Bei
Modul-Bus tritt das Problem im Zusammenhang mit Röhrenversuchen auf dem
RT100 auf. Roger hat deshalb eine spezielle Filterplatine zur
Entstörung entwickelt. Letzte Woche war ich bei ihm im Labor (bei den
KainkaLabs in Bochum) um die Wirkung des Filters genauer zu
untersuchen. Die Ergebnisse haben wir in einem Video festgehalten. Beim
Anschauen ist mit aufgefallen, dass ein Teil der als Rauschen
bezeichneten Störungen tatsächlich die Signale von Rundfunksendern sind.
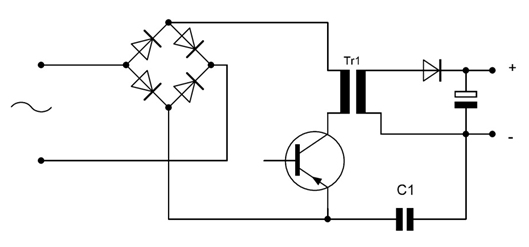
Das
Schaltbild zeigt das Prinzip eines Schaltreglers in einem
Steckernetzteil. Der Transistor schaltet mit rund 30 kHz. Der
Kondensator C1 soll das Schaltsignal und seine Oberwellen am Ausgang
dämpfen, hat aber die unangenehme Eigenschaft, eine Wechselspannung an
den Ausgang zu legen.
Man muss vier Arten von Störungen unterscheiden:
- 50-Hz-Leerlaufspannungen gegen Erde
- Restsignale der Schaltfrequenz gegen Erde
- Reste des Schaltsignals zwischen den Polen des Ausgangs
- Eine Restwelligkeit im kHz-Bereich als Ergebnis der internen Spannungsregelung
Nachtrag von Wolfgang Hartmann:
Meine
Praxis zeigt mir seit langer Zeit, dass eine Versorgung über Netzteil
immer einige Störungen bringt. Ich hatte einmal einen
Qadro Verstärker
mit 4 Endverstärkern eingesetzt. Dabei habe ich gelernt, dass die
Versorgung am störungsfreiesten funktioniert, wenn man einen Auto-Akku
benutzt. Der wird geladen mit einem Netzteil. Aktiviert wird er nur
über Akkubetrieb. Ich habe auch meine analogen elektronischen
Schaltungen auf ca. 12 Volt ausgerichtet. Alles funktioniert sehr
störungsfrei über Akku, nicht über Netzteil. Analoge Netzteile
funktionieren offensichtlich störungsfreier als digitale
Netzteile.
8.12.15:
Hall Sensor mit zwei Drähten von Gerd Sinning
Mit
einem Hall-Effekt Sensor kann man sonst verborgene Magnetfelder
aufspüren. Dieser funktioniert mit einem HAL556 von Micronas. Das ist
ein Zwei-Draht Sensor, der mehr Strom zieht, wenn der Südpol eines
Magneten in der Nähe ist. Die Schaltung ist denkbar einfach, der Sensor
ist über eine rote LED und einen 220 Ohm Widerstand über einen Schalter
mit dem Pluspol einer 9V-Batterie verbunden.
Auch ohne Magnetfeld zieht
der Sensor Strom, ca. 2 bis 3 mA, und die LED leuchtet. Das zeigt, dass
eingeschaltet ist. Ohne Strom gibt es auch keinen Hall Effekt. Wenn nun
der Pol eines Magneten am Sensor liegt, dann fließen ca. 15 mA und die
LED leuchtet heller, so wird das Magnetfeld angezeigt. Die Schaltung
ist in einem gedruckten Gehäuse, zwei Messingstreifen sind die Kontakte
zur Batterie. Der HAL556 ist ein SMD-Bauteil (SOT-89A) und braucht eine
kleine Platine, sonst brechen die Beinchen ab (schon passiert), mit
Platine ist es stabil.
3.12.15:
Experimente mit Röhren Das
dritte Video zum Buch Radiobau-Miniprojekte gibt eine Übersicht
von Röhren-Schaltungen bis zum einfachen UKW-Empfänger. Das Bild zeigt
einen Kurzwellenempfänger mit zwei Batterieröhren 2SH27L. Hier
wurden Röhrensockel für Chassis-Montage verwendet. Im RT100
dagegen sind Fassungen für Printmontage eingebaut. Die eigentliche
Schaltung wird auf einer Steckplatine verdrahtet. Das Buch zeigt einige
typische Experimente mit dem System.
Gerade
ganz aktuell gibt es neue Röhren-Adapter für den Einsatz auf
Steckplatinen bei AK-Modul-Bus. Erst vor zwei Wochen wurde die Idee
besprochen, und schon sind sie fertig. Dank an Klaus Hagemann, der
immer noch Platinen für die Firma zeichnet!
Die wichtigsten Fassungen
sind vertreten: Miniatur, Noval, Magnoval und Oktal. Die Verbindungsstifte
wurden einseitig angebracht, damit die Fassung möglichst wenig Fläche auf dem
Steckboard verdeckt.