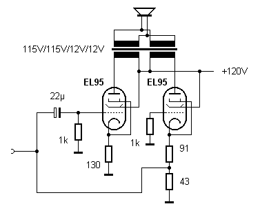
Gegentaktverstärker mit vier EL95

Die Wahl der Röhren fiel auf die EL95, weil ich einen besonders kleinen Verstärker brauchte, der neben der Mini-Kompaktanlage im Bücherregal Platz findet. Dort stand bisher immer ein kleines CD-Magazin aus Holz. Damit ich nicht noch aufräumen oder sogar Bücher wegwerfen musste, sollte der ganze Verstärker in dieses Holzgehäuse passen. Mit der EL95 war das zu schaffen. Unten im Gehäuse befinden sich das Netzteil und die Ausgangstrafos. Die Röhrenfassungen sind auf schwarzem Platinenmaterial befestigt.
Der Netztrafo hat zwei Wicklungen mit 12 V. Er sollte die Heizspannung und zugleich auch die Anodenspannung liefern. Mit einer Spannungsvervierfachung werden aus 24 V Wechselspannung 120V Gleichspannung erzeugt. Das ist für eine EL95 nicht gerade viel. Eine Endstufe im reinen A-Betrieb würde zu wenig Ausgangsspannung liefern. Deshalb wurde hier eine einfache Gegentaktstufe für AB-Betrieb entwickelt (vgl. Gegentakt-AB mit EL504).

Ansteuerung über Gitter und Kathode
An den Kathoden wurde jeweils eine Spannung von +3V gemessen. Daraus ergibt sich ein Ruhestrom von ca. 23 mA pro Röhre. Die selbe Eingangsspannung steuert die Röhren gegenphasig aus, weil sie einmal am Steuergitter und einmal an der Kathode zugeführt wird. Bei kleiner und mittlerer Aussteuerung bleiben beide Röhren im A-Betrieb. Jede Röhre für sich kann aber weiter als bis zum doppelten Ruhestrom ausgesteuert werden, wenn die jeweils andere Röhre bereits gesperrt ist. In den Spitzen arbeitet die Schaltung daher im B-Betrieb.
Die Kompaktanlage wird durch den nachfolgenden Verstärker mit ca. 40 Ohm belastet. Außerdem liegt am Eingang eine Gleichspannung von +1 V. Dies ist möglich, weil die Ausgangsstufe im treibenden Verstärker einen Ausgangselko besitzt. Damit diese Gleichspannung nicht an das Gitter der linken Röhre gelangt, muss dort ein Kondensator eingesetzt werden.
Der EL95-Verstärker besitzt Umschalter für zwei Lautsprecherpaare und für den Betrieb ohne Röhren, also direkt am Ausgang der Kompaktanlage. Das erleichtert den direkten Vergleich. Es ist zu hören, dass der Verstärker nicht wirklich verstärkt, sonder etwa die gleiche Ausgangsleistung bringt wie die Anlage allein. Im Mittelpunkt stand aber auch nicht die große Ausgangsleistung, sondern der schöne Klang. Nur für den bewussten und entspannten Musikgenuss werden die Röhren angeheizt. Der Klang unterscheidet sich deutlich und wird von mir ganz subjektiv als angenehmer empfunden als ohne die Röhren.
Fazit: Die EL95 hat im Vergleich zur EL504 nur eine geringe Steilheit und bringt bei gleicher Spannung weniger Ausgangsleistung. Der Klang ist jedoch überzeigend gut. Außerdem neigt die EL95 nicht zu wilden Schwingungen und kennt keine Probleme mit Verzerrungen im Zusammenhang mit der Stromverteilung Schirmgitter/Anode. Angenehm ist auch die kleinere Heizleistung (6,3V/0,2A) und die geringere Wärmeentwicklung. Gerade richtig für das Bücherregal.
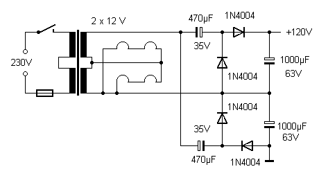
Im ersten Versuch wurde die Trafospannung von 24 V einmal negativ und einem positiv gleichgerichtet. Dabei ergab sich jedoch ein ernstes Problem: Die Heizfäden der vier EL95 bekamen eine positive Vorspannung gegenüber den Kathoden. In den Spitzen addieren sich ca. + 60 V und die positiven Scheitelspannung der unteren Trafowicklung auf ca. +90V. Dies führte nach einiger Zeit zum Ausfall von zwei Röhren. Vermutlich reichte die Isolieren des Heizfadens nicht aus, so dass ein zusätzlicher Gleichstrom über den Heizfaden floss. Man konnte ein helles Leuchten sehen, und die Kathodenwiderstände sowie die Heizfäden brannten durch.

Achtung! Zu große Spannung zwischen Heizfaden und Masse!
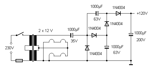
In einem zweiten Versuch wurde dann das Netzteil so umgebaut, dass die Heizwicklung an Masse liegt. Dazu wurden teilweise Elkos mit höherer Spannungsfestigkeit benötigt. Mit dieser Schaltung läuft der Verstärker jetzt problemlos.

Das verbesserte Netzteil
Der gemessene Frequenzgang des Verstärkers: 30 Hz ... 40 kHz
