
IQ-Mischer Optimierung
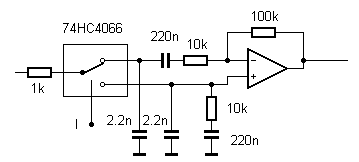
Die Schaltung funktionierte zwar schon relativ gut, aber es gab doch noch etwas zu verbessern. Das folgende Detailschaltbild zeigt den verwendeten Differenzverstärker. Man sieht, dass diese Stufe nicht vollständig symmetrisch ist. Das führt dazu, dass der Differenzverstärker keine hohe Gleichtaktunterdrückung hat. Das bringt zwar keine Probleme mit der Spiegelunterdrückung, kann aber dazu führen, dass Signale unter 24 kHz direkt von der HF-Stufe über den Mischer in den ZF-Zweig gelangen.

Der verwendete Differenzverstärker
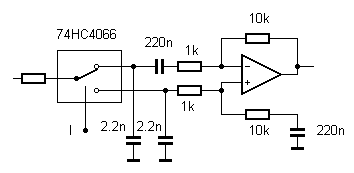
Also wurde testweise ein üblicher Differenzverstärker ausprobiert. Allerdings war nun zwar die Gleichtaktunterdrückung gut, die Spiegelunterdrückung jedoch gering.

Symmetrischer Differenzverstärker
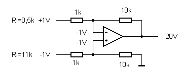
Die Ursache des Problems liegt im unterschiedlichen Eingangswiderstand der beiden Eingänge. Obwohl die Schaltung auf den ersten Blick symmetrisch aussieht, hat der invertierende Eingang eine Impedanz von ca. 0,5 k, der nichtinvertierende jedoch 11 k. Das Prinzipschaltbild mit gerundeten Spannungsangaben bei einer gedachten Ansteuerung mit +1 V und -1 V zeigt warum. Der nichtinvertierende Eingang legt die Spannung an beiden OPV-Eingängen fest, da er nicht gegengekoppelt ist. Der obere 1-Widerstand liegt daher zwischen +1V und -1V, was zu einer Eingangsimpedanz von nur noch 0,5 k führt. Damit wird aber leider die wichtigste Regel der IQ-Schaltungstechnik verletzt, dass alle vier Phasen gleich belastet werden sollen.

Unsymmetrische Eingangsimpedanz
Da gibt es vielleicht eine Lösung in Form des so genannten Instrumentenverstärkers. Zwei voll gegengekoppelte OPV werden als Impedanzwandler vorgeschaltet. Die Schaltung sieht vorn die gleiche, theoretisch unendlich hohe Impedanz. Auch diese Variante wurde erprobt. Das Ergebnis war wieder eine gute Spiegelunterdrückung. Allerdings zeigte der Empfänger insgesamt eine größeres Rauschen, geringere Empfindlichkeit und mehr Verzerrungen.

Instrumentenverstärker
Theorie und Praxis passen hier nicht gut zusammen. Der Grund ist vermutlich darin zu suchen, das ein realer OPV sich bei der relativ großen Frequenz bis ca. 24 kHz keineswegs mehr wie ein theoretischer, idealer OPV verhält. Ein LM324 hat z.B. ein Verstärkungs-Bandbreiteprodukt von 1 MHz. Bei 20 kHz beträgt die Leerlaufverstärkung nur noch etwa 50-fach. Die Differenz zwischen beiden Eingängen ist nicht mehr fast Null. Ein voll gegengekoppelter OPV muss sich redlich quälen, der Eingangsspannung zu folgen. Bei den höheren Frequenzen entstehen dann Verzerrungen. Hier muss man dazu noch beachten, dass am Ausgang des Mischers auch Signale weit über 20 kHz entstehen können, deren Verzerrungsprodukte teilweise wieder im Durchlassbereich liegen. Diese Überlegungen haben dazu geführt, den Instrumentenverstärker wieder zu verwerfen.
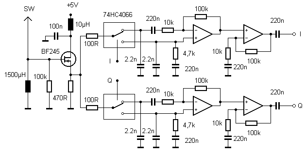
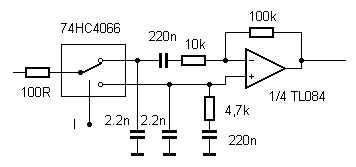
Die Versuche haben deutlich gezeigt, dass der symmetrische Eingangswiderstand der Schaltung wichtiger ist als eine hohe Gleichtaktunterdrückung. Wenn nämlich die HF-Eingangschaltung sehr linear arbeitet und außerdem ein Hochpass von 24 kHz verwendet wird, gibt es eigentlich keine Probleme mit durchschlagender ZF. Also wurde zur ursprünglichen Schaltung mit etwas anderer Dimensionierung zurückgekehrt. Der effektive Eingangswiderstand beträgt nun ca. 5 k an beiden Eingängen. Ein Vorwiderstand von 100 Ohm bietet einen guten Kompromiss zwischen hoher HF-Grenzfrequenz und guter Entkopplung zwischen I- und Q-Mischer. Außerdem soll jetzt der TL084 verwendet werden, der zwar nicht ganz so rauschfrei ist, aber bei einfacher 5-V-Betriebsspannung ein Bandbreitenprodukt von 10 MHz aufweist.
Gleiche Eingangsimpedanzen
Die Gesamtschaltung ist nicht für höchste Empfindlichkeit optimiert, sondern eher für eine hohe Großsignalfestigkeit und geringe Verzerrungen auch bei starken Rundfunksignalen. Auch starke DRM-Stationen werden nicht verzerrt. Deshalb konnten SNR-Werte bis weit über 30 dB beobachtet werden. Die im Amateurfunk üblichen hohen Empfindlichkeiten werden hier nicht erreicht. Man kann jedoch selektive Vorverstärker einsetzen, um auch diese Anforderungen zu erfüllen.

Dies ist die vorerst letzte Version des Empfängers. Was noch fehlt sind Tief- oder Bandpassfilter für einzelne Bereiche. Wenn man z.B. ohne ein vorgeschaltetes Filter Mittelwelle empfangen möchte, schlagen Kurzwellenstationen auf der drei- oder fünffachen Frequenz durch. Dieses Problem bestand auch beim Elektor-DRM-RX. Die Dämpfung der falschen Signale ist jedoch beim IQ-Empfänger einfacher, weil zwar Obertonmischung, aber leine Spiegelfrequenz auftritt. Im Prinzip reichen einige wenige Tiefpassfilter.
Der Gesamtaufbau von Wolfgang Hartmann:
HF- und NF-Stufen wurden auf getrennten Platinen aufgebaut. Ein zusätzlicher Spannungsregler erlaubt die Versorgung mit 9...12 V. Alles wurde in einen Rahmen aus Plexi eingebaut. Das Foto zeigt, dass der Gesamtaufwand für einen Kurzwellenempfänger sehr geing ist.
