Der
ewige BlinkerHome Labor Röhren HF Logbuch Bastelecke
Auch Ewigkeit ist relativ. Eine Schaltung, die mit einer einzelnen Batterie viele Monate lang funktioniert, arbeitet praktisch ewig. In Geschäften sieht man manchmal Werbeschilder mit eine blinkenden LED, die anscheinend ewig arbeiten, und das auch noch mit einer einzelnen Batteriezelle. So etwas müsste man auch mal selbst bauen ...

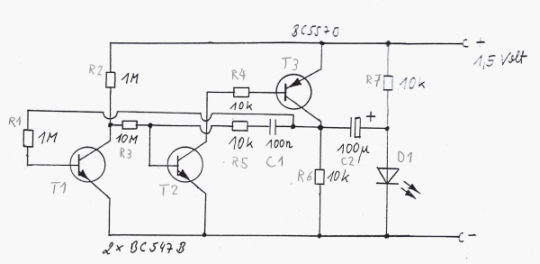
Hier ist die Schaltung. Sie besteht aus einem astabilen Multivibrator mit besonderen Eigenschaften. Ein Elko von 100 µF lädt sich relativ langsam und mit kleinem Strom auf und wird in einem kurzen Impuls über die LED entladen. Dabei kommt es auch zur nötigen Spannungsüberhöhung, denn 1,5 V ist ja für eine LED zu wenig.
Dreimal scharf nachgedacht
hat oft den Erfolg gebracht.
(Dietrich Drahtlos)

Die beiden Oszillogramme verdeutlichen wie es funktioniert. Sie wurden mit dem SIOS-Interface und dem Programm MikroScope von H.-J. Berndt aufgenommen und zeigen vertikal 1V/Skt und horizontal 1s/Skt. Die Spannung am Kollektor des PNP-Transistors schaltet bis auf ca. 1,5 V hoch, nachdem der Elko an dieser Stelle über einen Widerstand von 10 k bis nahe 0,3 V entladen wurde. Auf der anderen Seite wurde er bis ca. 1,2 V geladen. Die Differenz von 0,9 V liegt also am Elko, wenn der Blinkimpuls erscheint. Sie addiert sich in diesem Moment zur Batteriespannung von 1,5 V, so dass die Impulshöhe an der LED bis 2,4 V betragen könnte. Tatsächlich aber zeigt Oszillogramm 2, dass die Spannung durch die LED auf ca. 1,8 V begrenzt wird. Die LED-Spannung passt sich selbst der verwendeten LED an und kann theoretisch bis fast 3 V betragen.
Die Schaltung wurde für den Lowpower-Betrieb optimiert. Deshalb hat der eigentliche Flip-Flop einen NPN- und einen PNP-Transistor bekommen. Man kann auf diese Weise die Verschwendung von Steuerstrom vermeiden. Beide Transistoren leiten nur für den kurzen Moment des LED-Blinkens. Damit stabile Bedingungen herrschen und die Schaltung sicher schwingt, gibt es eine zusätzliche Stufe mit einer Gleichspannungs-Gegenkopplung. Auch hier wurde durch besonders hochohmige Widerstände auf geringsten Verbrauch geachtet.
Für die Abschätzung des Verbrauchs kann man vom Ladestrom des Elkos ausgehen. An beiden Ladewiderständen mit je 10 k liegt im Schnitt eine Spannung von insgesamt 1 V. Damit beträgt der durchschnittliche Ladestrom 50 µA. Für die Dauer des LED-Impulses wird noch einmal genau die gleiche Ladung aus der Batterie entnommen. Der mittlere Strom beträgt also rund 100 µA. Geht man von einer Batteriekapazität von 2000 mAh aus, sollte die Batterie etwa 20.000 Stunden halten, das sind über zwei Jahre, also praktisch ewig. Da der Strom gegen Ende etwas abnimmt und die LED nicht mehr so hell leuchtet, dürfte die tatsächliche Betriebsdauer noch höher liegen. Also mehr als ewig.
Literaturhinweise:
Der Ewige Blinker wurde auch in Elektor
7/8, 2005 abgedruckt
Erweiterung: Der Ewige Blinker mit Lichtsteuerung
Die besagten ewigen Blinker in Werbepackungen enthalten z.B. den LM3909,
siehe auch "Schnellstart LEDs"
Eine Ersatzschaltung für den LM3909 auf Basis einen ATtiny13 findet man in elo-web.de: Der ELO-Flasher
Tiny-13-Blinker wird mit Speicherkondensator betrieben: Kondensator-Blitzlicht
Einfache Schaltung für höhere Spannung in Elektronik-Labor.de: LED-Blitzer mit nur einem Transistor
Auch erschienen in www.hamik.cz Ausgabe 380. Alle Ausgaben: https://www.hamik.cz/archive/
Die SMD-Version wird hier mit einer Spannung von 3,6 V betrieben. Die LED glimmt bei der höheren Spannung in den Pausen schwach und ist in den Blitzen heller.

Nachtrag: Noch kleiner, von Michael:
"Die Schaltung ist sehr schön und einfach, da keine unbekannten Spulen aus der Bastelkiste durchprobiert werden müssen - es hat auf Anhieb funktioniert! Ich habe diesen Blinker in SMD nachgebaut und bin mit einer relativ kleinen Grundfälche ausgekommen."
http://www.chrysophylax.de/index.html?/prj/prj.htm
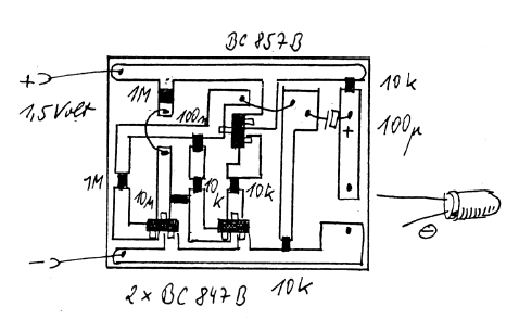
Nachtrag: Platinenversionen von Karl O.
Hier zwei Platinenlayouts für den ewigen Blinker, eine SMD-Version und eine für bedrahtete Bauteile. Die Bahnen können dank des einfachen Layouts mit einem ätzfesten Stift auf eine blanke Platine gezeichnet und dann geätzt werden. EwigerBlinker.pdf (372 KB)


Hier ein Bild unseres „Ewigen
Blinker“ den mein Sohn 2003 im Alter von 10 Jahren gebaut hat. Versorgung ist
eine Mono-Zelle die wir gerade rumliegen hatten. Die Schaltung blinkt noch immer
– die Batteriespannung war damals 1,52 Volt, jetzt ist Sie auf 1,38V abgesunken.
Das lässt also noch viele Jahre blinken…
Siehe auch:
Seite von Jochen Wienstroth: Der ewige Blinker - oder: Wie ich zum geocachen kam
SMD-Platine von Thomas Gfüllner: http://runga.tumblr.com/post/2386897341/ewiger-blinker
Elektronik-Labor: Der Ewige Blinker mit Lichtsteuerung
Nachtrag: Gegentakt-Treiber, von Michael Ringe

Heute
habe ich 'mal den "ewigen Blinker" nachgebaut und hatte mir dazu eine
extra helle grüne LED ausgesucht. Leider war der Blinker dann
recht dunkel, und auch das nur mit einer frischen Batterie. Eigentlich
kein Wunder, denn laut Datenblatt hat die LED eine
Vorwärtsspannung von bis zu 4 V.
Ich habe die Schaltung
deshalb erweitert und einen zweiten Speicherkondensator eingebaut, der
mit dem ersten Kondensator eine Art Gegentakt-Treiber bildet. Damit
blitzt es nun sogar noch bei 1 V richtig kräftig. Die
Kapazität konnte ich übrigens auf die Hälfte
verkleinern, ohne dass der Blinker spürbar dunkler wird. Damit
sollte der Stromverbrauch in etwa dem der Originalschaltung
entsprechen, oder?

Miniaturaufbau von Martin Gerdes


Wie man sieht hat die Schaltung nun zwei Endstufen und entspricht weitgehend der Gegentaktschaltung von Michael Ringe. Die Spannung an der LED wird nicht nur verdoppelt, sondern vervierfacht. Deshalb ist es möglich, nun auch weiße und blaue LEDs zu verwenden.

In der zweiten Version verwendet die Schaltung durchgehend SMD-Bauteile. Oberflächenmontierte Bauteile, aber ohne die Oberfläche. Das ist die Technik der Zukunft! So etwas wird man zukünftig wahrscheinlich direkt in Kleidungsstücke einweben.
Martin Gerdes schreibt dazu: Der Charme liegt darin, dass ich statt Elkos MLCCs verwende, die es mittlerweile ja mit erheblicher Kapazität gibt, die man den Dingern nicht ansieht. Wer das Bauteil nicht kennt, fragt sich, wo wohl der nötige Kondensator verbaut ist. Für das Zeitglied habe ich zwei 1-µF-MLCCs genommen. Mit herkömmlichen Bauteilen ist der Blinker einfach ein Hingucker. An dem kleinen Henkel kann man sich so einen Blinker an den Hemdenknopf hängen, er beeindruckt die Leute immer noch. Meiner Frau gefallen die Dinger (erfreulicherweise; sonst hat sie mit Elektronik nichts am Hut), also hängen bei uns in der Wohnung etliche herum.

Der Ewige Blinker war
und ist eines meiner Lieblingsprojekte. Als Gast der Hochzeit meines Neffen
hatten die Freunde ein besonderes Spiel dabei: man packt Wünsche, eine Flasche
Wein und beliebig andere Dinge in eine Kiste, verschließt diese und öffnet sie
wieder am 5. Hochzeitstag. Woran denkt der Elektronik-Bastler? Natürlich an den
Ewigen Blinker. Leider war ich nicht darauf vorbereitet und hatte keinen dabei.
Stufe 2 wäre dann diese Idee: jeder der Ehepartner bekommt seine eigene Kiste
mit seinem eigenen Ewigen Blinker. Der darf dann 5 Jahre vor sich hin blinken,
vielleicht mit einer Abschalt-Automatik bei Dunkelheit. Nach 5 Jahren werden
die Kisten geöffnet. Dann stellt man beide Blinker gegenüber, dass sie sich
sozusagen anblinken. Soweit die Idee.
Die Frage ist nun: schafft man es, dass sich beide Blinkfrequenzen zueinander
synchronisieren? Die Antwort ist: ja, es funktioniert. Ich habe zwei aufgebaut
und die LEDs direkt gegenüber aufgestellt. Zuerst laufen beide asynchron.
Kommen sich aber die Blitz-Zeitpunkte nah genug, blitzen sie synchron weiter.
Leider kann ich noch keine Erklärung liefern, warum das so ist. Ich nehme an,
dass der Spannungsimpuls von der empfangenen LED über den Elko an die Basen der
NPN-Transistoren geht und dort seinerseits einen Sende-Impuls auslösen. Mit dem
Oszi konnte ich keine zusätzlichen Impulse messen. Im Video ist leider manchmal
die Blitzlänge nicht lang genug, um richtig aufgenommen zu werden.
Hinweis B. Kainka:
Vermutlich kann man es so erklären: Eine der beiden LEDs blitzt zuerst. Die
andere arbeitet als Fotodiode und empfängt das Licht. Es gibt einen sehr
kleinen positiven Impuls. Weil der mittlere Transistor schon kurz davor
stand, in den leitfähigen Zustand zu kippen, reicht das aus, um den Kippvorgang
zu triggern. Erstaunlich ist es aber doch. Die Fotodiode wird effektiv mit 5 k
belastet. Da kann nur ein sehr kleiner Impuls in der Größenordnung 10 mV
entstehen. Man hätte nicht erwartet, dass das reicht. Man müsste in einem
Blinker den Rückkopplungskondensator 100 nF herausnehmen. Dann könnte man den
Impuls vermutlich direkt an der LED mit dem Oszilloskop sehen.




