Der Ewige Wechselblinker    

Home   Labor   Röhren   HF   Logbuch   Bastelecke



Eine Quarz-Wanduhr tat sich durch erhebliche Unzuverlässigkeit und Ungenauigkeit hervor. Deshalb wurde sie zum Basteln freigegeben. Die kleine Platine mit dem vergossenen Uhrenchip fand ich so interessant, dass ich sie aufgehoben habe. Und nun ist ein ewiger Blinker daraus geworden.



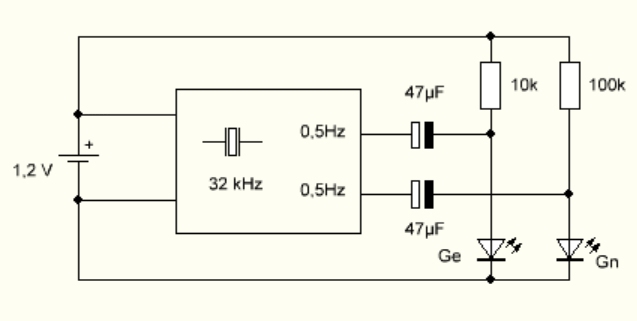
Die Schaltung hat zwei Ausgänge, die abwechselnd im Sekundentakt einmal kurz hochgeschaltet werden. Mit einem Elko und einem Widerstand kann die Spannung verdoppelt werden. Deshalb reicht nun ein kleiner NiMH-Akku mit nur 1,2 V zum Betrieb einer LED. Das Ganze erinnert an den Ewigen Blinker mit diskreten Transistoren.




Zwei Ausgänge, zwei LEDs, so wird ein Wechselblinker daraus. Die beiden LEDs blinken nun abwechselnd im Sekundentakt. Die unterschiedlichen Widerstände werden eingesetzt, um die unterschiedliche Effizienz der LEDs auszugleichen. Beide blinken nun etwa gleich hell.




Jetzt fehlt eigentlich nur noch eine kleine Solarzelle, dann blinkt die Schaltung noch länger als ewig.

Sie auch: Die Quarzwecker-Alarmanlage  (Ähnliche Anwendung aber mit 3 V und ohne Spannungsverdopplung.)

Nachtrag: Anwendung des U114 von G. Riebel

Ich betreibe einen Uhrenschaltkreis U114 (verwendet im Ruhla-Quarzwecker) als ewigen Blinker, indem ich die Motorspule durch zwei antiparallel geschaltete Leuchtdioden ersetzt habe. Die Motorspule lag in Reihe mit einem Kondensator von 22µF an den 0,5 Hz Ausgängen. Die Energiebilanz dürfte durch den Wegfall der Widerstände günstiger sein. Bei der Weckschaltung wurde der Auslösekontakt des Weckers durch einen Kontakt ersetzt, der geschlossen wurde, wenn ein Stecker aus einer Schaltbuchse gezogen wurde. Der unterbrochene Ton des auf der Leiterplatte befindlichen Schallwandlers nervt besonders Leute, die nicht zwischen Mein und Dein unterscheiden können. Bei meinem Fahrrad hat es geholfen.

Die beiden Ausgänge des U114 haben intern je ein MOS-Transistor gegen UB und einen MOS-Transistor gegen Masse. Da diese intern gegenphasig angesteuert werden bilden diese eine Brückenschaltung. (Rechteck mit 0,5 Hz) Ein Kondensator von 22µF vor der Motorspule lasst nur einen Impuls durch die Spule fließen, um Strom zu sparen. Der Kondensator wird dabei aufgeladen. Beim nächsten Wechsel des Impulses wird er entladen. Kurzzeitig liegt damit über der Motorwicklung die doppelte Betriebsspannung. Das umgekehrte Aufladen des Elytkondensators ist nach der TGL (eine Art DIN in der DDR, jedoch mit Gesetzeskraft)  bei  einer Spannung von bis zu 1,5 Volt erlaubt. Wird die Motorspule durch zwei antiparallelgeschaltete rote Leuchtdioden ersetzt blinken diese. Die Leuchtdioden sind Bauelemente aus der Bastelkiste, und stammen wahrscheinlich aus den 1980-iger Jahren. Die Betriebsspannung von 1,5 Volt wurde dabei nicht erhöht.

Verwendung des U116D von René Wukasch



Da ich eine Platine aus einer defekten Radioschaltuhr aus den 80-ern rumliegen habe versuchte ich es mal mit dem Blinker. Diese Leiterplatte von RFT trägt den U116D. Der unterscheidet sich vom U114D im Prinzip nur darin, dass hier ein 32768Hz-Quarz (statt 4,194304 MHz) eingesetzt wird und so zu Gunsten geringerer Stromaufnahme auf einige Teilerstufen verzichtet werden konnte. Die CMOS-Ausgangsstufen sollten dem U114 entsprechen. Leider habe ich vom 116 kein Datenblatt. Nur die angehängte Schaltung aus dem geschlachteten Weckradio. Der Wechselblinker mit den von Herrn Riebel vorgeschlagenen antiparallel geschalteten LED funktioniert bei mir nur, wenn ich die Antriebsspule nicht abklemme, d.h., beide LED liegen zur Spule parallel. Dabei blitzen die (roten) LED anscheinend durch die von der Selbstinduktion erzeugte Spannungsüberhöhung im Sekundentakt abwechselnd kurz schwach auf. Entferne ich die Spule, blinkt es lediglich ein einziges Mal mit abfallender Helligkeit und dann ist es dauerhaft dunkel. Dagegen funktioniert Ihre Variante mit der Spannungsverdopplung per Widerstand und Elko auch am U116 prima.

Siehe auch: http://uhrentradition-ruhla.de/



Home   Labor   Röhren   HF   Logbuch   Bastelecke