Das Variometer-Audion

Home   Labor   Röhren   HF   Logbuch   Bastelecke



Stell dir vor, du bist auf einer einsamen Insel gestrandet und brauchst ein Kurzwellenradio. Ein paar elektronische Bauteile sind da, aber spezielle HF-Bauteile wie Drehko und Kurzwellenspule fehlen. Ein Lautsprecher, ein alter Blechdeckel und eine gebrauchte 1,5-V-Batterie sind vorhanden. Irgendwie muss das gehen, auf der Insel hat man ja genügend Zeit. 

Was heut nicht gelingt,
Klappt morgen unbedingt.
 (Dietrich Drahtlos)




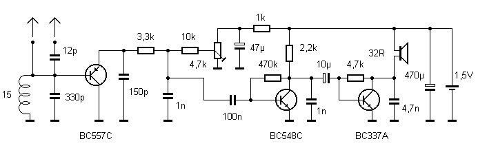
Die Schaltung entspricht im Kern dem Emitterfolger-Audion und dem Kurzwellen-Retro-Radio, allerdings mit einem vereinfachten NF-Endverstärker für 1,5-V-Betrieb. Statt des Drehkos hat das Audion einen Festkondensator, der je nach KW-Band aus mehreren Einzelkondensatoren zusammengelötet wird. Der Kern des Radios ist eine selbst gewickelte Variometer-Spule, die einen Feinabgleich durch Verbiegen zulässt. Hier wurden 17 Windungen stramm auf eine Mignon-Batterie gewickelt. Beim Abziehen von Wickeldorn ging die Spule etwas auseinander. Übrig blieben 15 Windungen mit einem Durchmesser von 17 mm.



So eine Spule lässt sich leicht berechnen (siehe die Kleine HF-Spulenkunde). Dann weiß man schon mal wo man ungefähr landet. Durch Auseinanderziehen der Spule kommt man leicht bis zu 20% höher.



Wenn die gewünschte Frequenz und die passende Antennenkopplung grob gefunden sind, stellt man das Poti nahe an den Rückkopplungseinsatz, wobei ein Anstieg des Rauschens die gesteigerte Empfindlichkeit verrät. Dann wird die Spule vorsichtig verbogen, bis der gewünschte Sender klar zu hören ist. Im ersten Versuch war das der niederländische Auslandsdienst RNW auf 5955 kHz. Die Deutsche Welle hat sich ja leider abgeschaltet und ist für gestrandete Seefahrer nicht mehr verfügbar. Am Abend kommen aber noch andere Stationen hinzu. Jedenfalls ist die Frequenz mit etwas Geschick ebenso genau einzustellen wie mit einem Drehko.



Um die Abstimmung noch etwas zu vereinfachen bekam das Radio am Ende noch einen Hebel-Mechanismus zur einstellbaren Verlängerung der Spule. Das folgende Youtube-Video zeigt das Radio in Aktion auf dem 15-MHz-Band.



Video:  https://youtu.be/Ahoe7uZgOSQ




Lippenstrift-Variometer, von Heinz D.



Zur Zeit arbeite ich an einem nachbausicheren billigen MW-Radio in der Zigarrenkiste für Kinder. Da Drehkos Mangelware sind, probiere ich eine Variometer-Abstimmung (leerer Lippenstift). Es überstreicht noch nicht das gesamte Band, ist aber für Schmalband KW/UKW schon geeignet. (Für UKW sollten sich auch Alu-Kerne eignen.) Der Drehwinkel beträgt 180Grad und kann mit einem leichten, gerändelten, fest aufgeklebten Deckel gut bedient werden. Beim Einbau muss man daran denken, das durch das Bewickeln ein Schlitz erforderlich ist! Einkleben und abstützen ist dann kein Problem mehr. Die Hülse kann festgeklebt als Schutz und Stütze dienen.
 




Home   Labor   Röhren   HF   Logbuch   Bastelecke