
AM-Röhren-Super mit 2SH27L
Meine
ersten Elektronik-Bastel-Erfahrungen reichen zurück in meine
Schulzeit, als ich einen Kosmos Radiomann unter dem Weihnachtsbaum
fand. Mein Radiomann hatte damals zwar schon einen Transistor. Aber
erst mit der zusätzlich erhältlichen Röhre, einer EF98,
kam brauchbarer Radioempfang in mein Jugendzimmer. Da war Musik drin,
ich war begeistert!
Aber schon bald wurde die Röhre von
Halbleitern verdrängt und verschwand in Kisten auf dem Dachboden.
Meine Bastelleidenschaft wurde von Transistoren, ICs und
Mikrocontrollern dominiert. Trotzdem blieben die Erinnerung an den
spiegelnden Glaskolben mit dem geheimnisvollen Innenleben. So kam es,
dass ich etwa 40 Jahre später aus reiner Neugierde das Buch
“Röhren-Projekte von 6 bis 60 Volt“ erwarb. Aha, man
kann also auch mit unproblematischen Spannungen brauchbare
Röhrenschaltungen realisieren! Als ich dann im Internet die
russische Pentode 2SH27L zu geradezu lächerlich niedrigen Preisen
fand, dauerte es nicht mehr lange, bis ein Päckchen mit 10
Stück davon im Bastelkeller eintraf. Jetzt fehlte noch eine
Anwendung für die Neuerwerbungen: Ein Röhren-Radio-Projekt
war unterwegs!
Rahmenbedingungen
Es sollte ein
alltagstaugliches AM-Radio werden. Lässt sich so etwas mit der
2SH27L realisieren? Ja, es geht, wenn auch der Weg dahin ein wenig
länger war als gedacht.
Und das waren die Spielregeln:
Die Schaltung sollte komplett mit den russischen Pentoden bestückt
werden. Halbleiter waren nur für die Demodulator-Dioden erlaubt.
Mein Radio sollte zwei Wellenbereiche bedienen: Mittelwelle und
Kurzwelle. Es sollte mit eingebauten Antennen einen befriedigenden
Empfang ermöglichen. Die 2SH27L kommt mit einer erstaunlich
niedrigen Heizleistung zurecht. Das ruft ja geradezu nach einer
Stromversorgung mit Batterien und einem halbwegs portablen Aufbau. Und
das Radio sollte „einsehbar“ sein, weil es bei einem
Röhrenprojekt natürlich nicht nur um die
Funktionalität, sonder auch um die Optik geht. Schließlich
ist eine ordentliche Portion Nostalgie mit an Board.
AM-Empfang
ist heute nicht mehr das, was es zu Radiomanns Zeiten war. Die
ausgestrahlten Sendeleistungen sind deutlich geringer geworden.
Zumindest tagsüber ist wenig los auf den Bändern. Den
früher üblichen MW-Ortssender gibt es an meinem Wohnort gar
nicht mehr. Gute Empfindlichkeit und besonders nach Sonnenuntergang
gute Selektion waren also gefragt. Einfache Bedienung war ein weiteres
Kriterium. Darauf gab es eigentlich nur eine Antwort: Ein
Röhren-Super mit leistungsfähigem
Zwischenfrequenz-Verstärker musste es sein.
Die Schaltung
Auf
geht’s! Das Grundprinzip eines AM-Supers wird in einigen guten
Beschreibungen im Internet erläutert. Meine Schaltung orientiert
sich an entsprechenden Vorschlägen. Besonders die Super-Schaltung
aus dem oben genanten Buch stand Pate. Hier eine kurze Beschreibung.

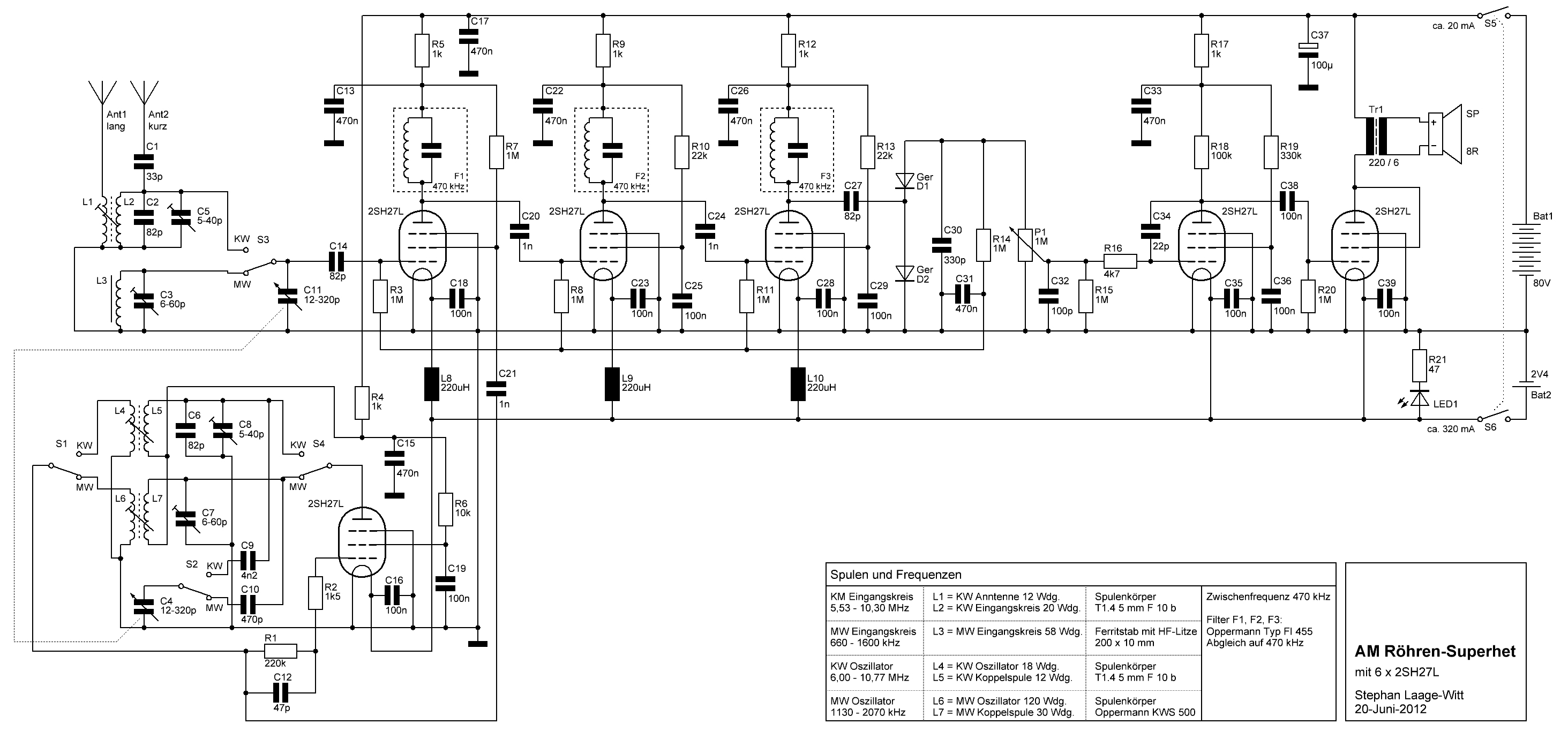
Es
kommen 6 Röhren vom Typ 2SH27L zum Einsatz. Von links nach rechts
sieht man die Mischstufe, die erste und zweite ZF-Stufe, der NF-Treiber
und die NF-Leistungsstufe mit Lautsprecher. Unter der Mischstufe ist
die Oszillatorstufe abgebildet.
Die Abstimmung erfolgt über
einen Doppeldrehko mit 2 x 320 pF. Die MW- oder KW-Eingangskreise
leiten die Signale über C14 direkt an das Steuergitter der
Mischröhre. Das Oszillatorsignal wird am Schirmgitter
eingekoppelt. Der Arbeitspunkt der Mischröhre wird mit R7 in den
nicht-linearen Bereich gelegt, so dass die Mischung gut funktioniert.
Das Zwischenfrequenz-Signal wird am ersten ZF-Filter mit C20
abgegriffen. Da die Steilheit der 2SH27L nicht besonders hoch ist, sind
zwei Zwischenfrequenzstufen notwendig, um die gewünschte
Empfindlichkeit zu erreichen. Am letzten ZF-Filter wird das Signal mit
C27 ausgekoppelt und zwei Germanium-Dioden in
Spannungsverdopplungs-Schaltung demoduliert. Das NF-Signal geht auf den
Lautstärke-Regler P1, während die
Gleichspannungskomponente nach Glättung durch C31 als
Regelspannung für die Mischstufe und die beiden ZF-Stufen zum
Einsatz kommt.
Als ZF-Filter kommen fertige, abgeschirmte
Filter von Oppermann-Electronic zum Einsatz, die sich gut auf die
gewünschte Zwischenfrequenz von 470 kHz einstellen lassen. Diese
Filter bestehen nur aus einem Kreis. Man kann das Radio natürlich
auch mit den sonst üblichen, etwas aufwendigeren Bandfiltern mit
zwei gekoppelten Schwing¬kreisen aufbauen. Ich habe aber auch mit
dieser einfacheren Schaltungsvariante sehr gute Ergebnisse bekommen.
Ein Nachteil mag sein, dass der ZF-Verstärker bei optimalem
Abgleich recht schmal-bandig wird. Das bedeutet zwar eine hohe
Empfindlichkeit und gute Selektivität, sorgt aber durch
Beschneiden der Seitenbänder für einen etwas dumpfen Klang.
Wenn das stört, kann man ein bisschen „mogeln“, indem
man nach dem Abgleich auf Maximum die Kerne des zweiten und dritten
Filters um eine Achteldrehung nach links und rechts verdreht, sozusagen
absichtlich verstimmt. Das ist zwar nicht nach Lehrbuch, funktioniert
aber trotzdem.
Da die Eingangs- und Ausgangs-Frequenz des
ZF-Verstärker gleich sind, ergibt sich die Gefahr von
ungewollten Eigenschwingungen. Eine Reihe von Maßnahmen
verhindert das: Die Spannungsversorgung für jede Stufe wird
über eine RC-Kombination (1 kOhm / 470 nF) von
Hochfrequenz-Einstreuungen befreit. Die Heizspannungs-Anschlüsse
der Röhren bekommen einen Blockkondensator (C18, C23, C28)
für denselben Zweck. Der Heizstrom für Misch- und ZF-Stufen
wird zusätzlich über eine Induktivität (220 uH)
gefiltert. Diese letzte Maßnahme ist wahrscheinlich nicht
unbedingt notwendig. Passenden Festinduktivitäten fanden sich aber
in der Bastelkiste und haben so eine sinnvolle Bestimmung bekommen. Der
Gleichstromwiderstand der Induktivitäten sollte aber weniger als 2
Ohm betragen, um die effektive Heizspannung nicht zu sehr zu
reduzieren. Schließlich wurden die signal-führenden
Leitungen von Anode zum Gitter der nächsten Röhre mit
abgeschirmtem Kabel (Mikrofonkabel aus der Bastelkiste)
verdrahtet. Das Ergebnis ist eine stabile und zuverlässige HF-Verstärkung.
Für den Oszillator habe ich mit
verschiedenen Varianten experimentiert. Das beste Ergebnis bekam ich,
wenn die Schwingkreis-Spule direkt in der Anoden-Leitung liegt. Die
Schwingkreis-Kapazität besteht aus der Reihenschaltung von Drehko
und reduzierendem Kondensator (MW: 470 pF, KW: 4,2 nF) und liegt mit
der anderen Seite an Masse. Die Rückkopplung erfolgt über die
Koppelspule, die am Steuergitter anliegt. Der Widerstand R2 direkt vor
dem Gitter bewirkt einen gleichmäßigeren Spannungspegel
über den ganzen Frequenzbereich und verhindert außerdem
hässliches Überschwingen, das sonst bei höheren
Frequenzen auftreten kann. Damit bekommt man gut
Frequenzstabilität und hohe Oszillatorspannungen. Am
Schirmgitter der Mischröhre ergeben sich Effektivspannungen
zwischen 6 und 12 Volt.
Die Spulen werden entsprechend der Liste
im Schaltplan gewickelt. Für die AM-Antenne kommt ein großer
Ferritstab zum Einsatz. Für den KW-Empfang hat das Radio eine
ausziehbare Teleskopantenne. Das funktioniert nicht schlecht und bringt
am Abend viele starke KW-Stationen auf den Lautsprecher. Bessere
Ergebnisse erhält man mit einem Draht von 5 bis 10 m Länge,
der an die Antennenspule L1 über eine Bananenbuchse angeschlossen
wird und im Haus oder Garten aufgespannt wird.
Die
Wellenbereiche werden über einen 4-fach Drehschalter umgeschaltet.
Der Schalter bietet eigentlich 3 Positionen, kann aber auf 2 Positionen
begrenzt werden.
Die Niederfrequenzverstärkung ist
ebenfalls zweistufig ausgelegt. Die erste NF-Stufe zeigte bei maximal
aufgedrehtem Lautstärkeregler Neigungen zum Schwingen, das sich
als unschönes Rauschen äußerte. C34 in Verbindung mit
R16 reduzieren die obere Grenzfrequenz und bringt Ruhe ins System. Die
letzte Röhre arbeitet auf den Ausgangsübertrager,
der den Lautsprecher antreibt. Eine Frage war, ob die 2SH27L, die
eigentlich im HF-Bereich zu Hause ist, genug Leistung bringt, um einen
Lautsprecher zu bedienen. Mit einem Print-Trafo mit
6V-Sekundärspannung liegt der Anodenstrom bei etwa 5 mA, dem
zulässigen Maximum für die Röhre. Damit funktioniert die
Sache prima, so dass eine gute Zimmerlautstärke erreichbar
ist.
Für
die Stromversorgung kommen zwei
Batteriesätze zum Einsatz. Die Anodenbatterie besteht aus
9V-Blöcken, von denen 9 Stück in Reihe geschaltet wurden. Das
ergibt eine Betriebsspannung zwischen 70 und 80 V. Bei einem
Strombedarf von knapp 20 mA sollte ein Batteriesatz für 20 bis 30
Stunden reichen. Für den Betrieb in der Küche zu Hause setze
ich gerne ein externes Netzteil mit 80V ein - zum Batteriesparen. Die
Heizung der Röhren wird von zwei in-Reihe geschalteten NiMH-Akkus
übernommen. Die Heizungen liegen alle parallel, so dass sich ein
Heizstrom in der Größenordnung von 300 bis 350 mA ergibt. Da
sind wiederaufladbare Akkus sinnvoll. Schließlich gibt es
parallel zur Heizung noch eine Leuchtdiode zur Betriebsanzeige.
Die LED benötigt knapp 10 mA, die nicht weiter ins Gewicht fallen.
Aufbau
Schon für andere Projekte habe ich gute
Erfahrung mit Plexiglas gemacht, das man als „Bastler-Glas“
im Baumarkt bekommt. Es lässt sich gut sägen, schleifen und
bohren und erlaubt den gewünschten Einblick. Damit das Glas
unverkratzt bleibt, ziehe ich die Schutzfolio immer erst direkt vor der
Montage ab.
Die
Röhren kommen in HF-mässig korrekten Abschirmbechern,
die mir optisch aber gar nicht gefallen. Deshalb werden sie ausgepackt,
damit man sie angemessen bewundern kann.
Der
Ferritstab thront auf kleinen Plexiglas-Ständern über der
Schaltung. So wird der Platz optimal ausgenutzt. Die größeren Bauteile
kommen auf die Oberseite des Plexiglas-Chassis und werden nach unten
verdrahtet. Dazu kann man passende Löcher für die
Kabeldurchführung bohren. Auf der Unterseite ist die Verdrahtung
frei-schwebend ausgeführt und stützt sich an den
Röhrensockeln und einigen zusätzlichen Lötösen ab.
Das funktioniert überraschend gut und macht viel mehr Spaß,
als die enge und oft vertrackte Lötarbeit an
Vielfüßlern auf Lochrasterplatinen. Tja,
Röhrenschaltungen stammen aus einer anderen Zeit.
Die
MW-Eingangsspule wird mit HF-Litze auf den Ferritstab gewickelt.
Für alle anderen Spulen kommt Kupferlack-Draht zum Einsatz. Die
Drahtstärke ist unkritisch. Die Eingangs- und Oszillatorspulen
werden zusammen mit den zugehörigen Trimm- und
Keramik-Kondensatoren auf einem Stück Lochrasterplatte aufgebaut.
Diese Einheiten können dann quasi als Module montiert werden.
Spulenkerne und Trimmer sollten von oben zugänglich sein, um den
Abgleich zu ermöglichen.
MW-Spule, KW-Spulen
Die
Schaltung lässt sich schrittweise aufbauen. Jede einzelne Stufe
kann ausprobiert und geprüft werden, bevor man weiter macht. Dabei
bin ich „rückwärts“ entgegen dem Signalfluss
vorgegangen. Der Aufbau beginnt also mit den beiden NF-Stufen und dem
Lautsprecher. Wenn der Teil fertig ist, kann man den Ausgang eines
MP3-Players anschließen und sich von der Funktionsfähigkeit
zu überzeugen. Ein echter Röhren-Verstärker - klingt
doch ganz gut! Dann folgen Mischstufe und ZF-Verstärker, die
erst einmal ohne Oszillator vermessen und eingestellt werden. Und zum
Schluss kommen die Oszillatorstufe und alle Spulen-Module auf die
Platte.
Abgleich-Arbeiten
Für den erfolgreichen
Abgleich sollte mindestens ein Frequenzgenerator und ein Oszilloskop
zur Verfügung stehen. Die Gitterwiderstände R3, R8 und R11
liegen für den Abgleich an Masse und werden erst ganz am Schluss
an die Regelspannung angeschlossen.
Wenn die ZF-Stufen und die
Mischröhre verdrahtet sind, wird am Steuergitter der
Mischröhre ein schwaches 470 kHz Signal eingespeist. Jetzt wird
Stufe für Stufe mit dem Oszilloskop an C20, C24 und C27 gemessen
und die ZF-Filter auf Maximum abgeglichen. Den Vorgang muss man
sicherlich ein paar Mal wiederholen. Am Ende steht eine etwa 400-fache
Verstärkung des Signals. Zur Kontrolle kann man den
Funktions¬generator ein bisschen nach oben oder unten verstellen.
Schon 2 oder 3 kHz neben der Hauptfrequenz sollten einen deutlichen
Abfall des Signals erkennen lassen.
Der Abgleich von Oszillator-
und Eingangskreisen brauchen mehr Zeit und Geduld. Die zugehörigen
Frequenzbereiche sind in der Tabelle im Schaltplan aufgeführt.
Nach
dem Verdrahten des Oszillator wird das Signal mit dem Oszilloskop am
Gitter der Mischröhre gemessen. Wenn kein Signal erscheint, sollte
man die Anschlüsse der Koppelspule vertauschen. Schön, wenn
es damit klappt. Sonst steckt der Fehler im Detail, und die Schaltung
muss Schritt für Schritt überprüft werden. Wenn der
Oszillator schließlich schwingt, kann der Frequenzbereich
eingestellt werden. Sehr nützlich ist ein Digitaloszilloskop, das
die Frequenz direkt anzeigt. Aber es geht auch, indem man die
Periodenlänge ausrechnet und „zu Fuß“ mit einem
analogen Oszi misst. Die untere Frequenz des Bereiches wird bei
vollständig ein-gedrehtem Drehko mit dem zugehörigen
Spulenkern eingestellt. Für die obere Frequenz ist bei
aus-gedrehtem Drehko der Trimmkondensator zuständig.
Dann
kommen die Eingangskreise dran. Für MW wird der Frequenzgenerator
induktiv mit ein paar losen Windungen am Ferritstab eingekoppelt. Das
Oszilloskop misst am Gitter der Mischröhre. Die unterste Frequenz
des MW-Bereichs wird eingestellt, der Drehko vollständig
ein-gedreht, und das Signal am Oszilloskop durch Verschieben der Spule
auf dem Ferritstab auf Maximum gebracht. Entsprechend wird die oberste
Frequenz am Funktionsgenerator eingestellt und das Signal am
Oszilloskop bei aus-gedrehtem Drehko mit dem Trimmkondensator
maximiert. Für den KW-Bereich geht man analog vor. Dazu wird der
Funktionsgenerator an der Antennenwicklung L1 angeschlossen.
Wenn
alles funktioniert, hat man bei den bisherigen Abgleichen-Arbeiten
sicherlich schon irgendwelche Töne von starken Sendern zu
hören bekommen, zumindest, wenn es am Abend gemacht wurde. Das ist
dann schon ein schönes Erfolgserlebnis. Jetzt fehlt nur noch der
Feinabgleich des Gleichlaufs zwischen Eingangs- und Oszillatorkreis.
Ein Messpark mit Eichmarkensender wäre prima, aber wird wohl kaum
zur Verfügung stehen. Der Frequenzgenerator bietet eine
Alternative. Es klappt aber auch sehr gut am Abend mit Radiosendern.
Man sucht sich einen Sender im unteren Wellenbereich und stimmt mit den
Spulenkernen auf Maximum. Um sich nicht nur auf das Gehör
verlassen zu müssen, kann man mit einem Multimeter die
Gleichspannung an P1 messen. Dasselbe passiert am oberen Bereich mit
den Trimmkondensatoren. Aber Achtung: Wenn der Oszillatorkreis
verstellt wird, muss am Drehko nachjustiert werden. Dieser Vorgang wird
mehrere Male wiederholt und kann einen unterhaltsamen Abend
ausfüllen. Hier greifen mehrere Variablen ineinander, und man muss
sich an das Optimum herantasten. Es ist Ausdauer gefragt. Am Ende steht
guter Empfang über den ganzen Wellenbereich – und eine
ordentliche Portion
Hochfrequenz-Erfahrung.
Zum Schluss werden die Gitterwiderstände R3, R8 und R11 an die Regelspannung angeschlossen. So, das Radio ist fertig.
Alltagstauglichkeit
Spätestens
nach Sonnenuntergang füllen sich die Frequenzbänder. Auf MW
ist abends immer viel los. Der Empfänger zeigt gute
Empfindlichkeit und Selektivität und ist hier in seinem Element.
Es macht Spaß, die vielsprachigen Sendungen mit dem kleinen
Röhren-Super zu verfolgen.
Im KW-Bereich werden die 49 m, 41 m und 31 m-Bänder abgedeckt. Auch hier
gibt es guten Empfang, besonders mit einer Langdraht-Antenne.
Prinzip-bedingt ist die Spiegelfrequenz-Unterdrückung nur mäßig. Die
Zwischenfrequenz von 470 kHz ist für KW-Empfang eigentlich keine gute Wahl.
Der Eingangskreis schwächt die Spiegelfrequenz zwar etwas ab, kann sie aber
nicht vollständig unterdrücken. Das merkt man auch daran, dass starke
Stationen an zwei Stellen auf der Skala erscheinen, einmal, wenn die
Differenz aus Oszillator- und Eingangsfrequenz die ZF ergeben, und das
zweite Mal etwas schwächer an niedriger Position, wenn umgekehrt die
Differenz aus Eingangs- und Oszillatorfrequenz dasselbe Resultat ergibt.
Trotzdem macht der Empfänger auch im KW-Bereich viel Freude.
Ein anderer Nachteil hat sich erst mit der Zeit offenbart:
Die 2SH27L neigt als direkt-geheizte Röhre zur Mikrofonie. Der
Empfänger reagiert empfindlich auf leichte Stöße.
Dadurch schwingen die Heizdrähte, was sich im NF-Teil als
singender Ton bemerkbar macht. Das kann sogar über den
Lautsprecher zu einer akustischen Rückkopplung mit der ersten
NF-Stufe führen. Vielleicht hätte ich die Röhre doch
nicht auspacken sollen? Mit der Zeit habe ich aber gelernt, dieses
Phänomen als eine liebenswerte Eigenart meines kleinen Radios zu
akzeptieren.
Inzwischen ist das Plexiglas-Gehäuse
vollständig. Das kleine Radio hat seine Alltagstauglichkeit
bewiesen. Es macht sich gleichermaßen gut als Blick- und als
Wellenfänger.