Das Projekt BEAST-1
von Günther Zöppel, Pockau, im Januar 2011

Angeregt durch die in letzter Zeit vermehrt zu findenden
Aufbauten von Retroradios und deren Modifikationen wollte ich versuchen, einen
Rückkopplungsempfänger aufzubauen, der Empfangsmöglichkeiten von ca. 50 kHz bis
30 MHz hat. Er sollte vollständig aus Teilen aufgebaut werden, die sich in der
Bastelkiste finden lassen. Nicht zuletzt sollte er auch von der Konstruktion her
so einfach sein, dass er als Nachbauobjekt geeignet wäre.
Herausgekommen ist der Empfänger BEAST-1 (Bereichs-Empfänger aus
Schrott-Teilen, Variante 1).
Inspiriert wurde der Aufbau neben der Retro-Serie auch durch amerikanische
Literatur zu diesem Thema [1].
Technische Beschreibung
Für einen gut funktionierenden Rückkopplungsempfänger
sollten neben anderen Kleinigkeiten drei wesentliche Voraussetzungen erfüllt
sein :
- Die Rückkopplungseinstellung soll weich, frei von
Hysterese (sogenanntes „Ziehen“) und mit nur minimalem Einfluss auf die
Frequenzeinstellung erfolgen.
- Der Abstimmkreis, der durch die Rückkopplung entdämpft
wird, muss von der Antenne entkoppelt sein, anderenfalls entzieht die Antenne diesem
Schwingkreis bei Frequenzen, an denen sie resonant (auch in Oberwellen!) mit
der Abstimmfrequenz ist, nicht unerhebliche Beträge an Energie. Dies äußert sich
in sogenannten „dead spots“ (Punkte mit schwachem Empfang und schlechtem
Rückkopplungseinsatz). Dieses Phänomen konnte ziemlich gut an einem
transistorisierten KW-Retroradio nachgewiesen werden, bei dem die Rückkopplung
mit angesteckter Langdraht-Antenne am unteren Bereichsende partout nicht
einsetzen wollte. Als dann nur ein wesentlich höher resonantes kurzes Stück Draht als Antenne verwendet
wurde, klappte es auf einmal.
- Am Empfängereingang muss eine Möglichkeit vorgesehen
werden, starke HF-Signale zu dämpfen, sonst rastet der Rückkopplungsmechanismus
auf einen starken Träger ein und unmittelbar benachbarte Stationen mit
schwächerem Trägersignal können dann nicht empfangen werden.
Die Schaltung des Empfängers wurde im wesentlichen aus [1] abgeleitet.
Sie bedient sich der sogenannten
Hartley-Schaltung zur Entdämpfung des Schwingkreises,
deren Patent bereits aus dem
Jahre 1915 stammt, damals auf Röhrengrundlage [2]. Bei dieser Schaltung ist zwar eine Spule mit
einer Anzapfung nötig, dafür liegt ein
Ende der Spule auf Bezugsmasse und bereitet damit auch für Kurzwelle weniger Probleme als eine
HF-mäßig hochliegende Anordnung. Da für die verschiedenen Frequenzbereiche
ohnehin vorhandene Bandfilter und Oszillatorspulen aus alten Geräten zu Steckmodulen
umfunktioniert wurden (dazu später), wurden die vorhandenen Anzapfungen dieser Spulen
gleich ausgenutzt. Wichtig ist nur, dass die Schwingbedingung für den
Hartleyoszillator erfüllt wird [2].

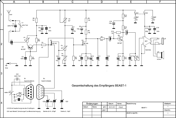
Sperrfilter
Die Stufe um Q1, bestehend aus einem
pnp-Transistor BC557, entkoppelt den Abstimmkreis (L2/C22,C23) von der Antenne.
Sollte ein starker Sender in der Nähe sein, kann man dessen Träger durch das
wahlweise Anstecken eines Sperrfilters (C1/L1) fast unterdrücken.
Dieses muss dann genau auf die Frequenz des starken Senders abgeglichen werden.
Zum Regeln der HF dient Poti P1, man sollte es nur so weit wie nötig aufregeln,
um so besser ist die Trennbarkeit schwacher Stationen gegenüber stärkeren. Die
HF-Vorstufe mit Q1 ist in Basisschaltung aufgebaut und dient so (niederohmiger
Eingang, hochohmiger Ausgang) zur rückwirkungsfreien Anpassung von Antenne und
Schwingkreis. Die Stufe um Q2, einem FET BF245, dient als Gütemultiplikator, um
den Kreis zu entdämpfen und ist in der oben erwähnten Hartley-Schaltung
realisiert. Mit P3 regelt man bis kurz vor den Schwingungseinsatz für AM bzw.
kurz darüber für SSB-Signale. P2 und P4 dienen zum Begrenzen des Regelweges für
P3, damit wird dessen Bedienung etwas vereinfacht, indem der nötige Regelweg
für die Rückkopplung auf den gesamten Regelweg des Potis verteilt werden kann. Q3 ist die eigentliche Audionstufe und richtet
die HF gleich. Diese Stufe ist für stabile Verhältnisse völlig von der
Rückkopplungsstufe Q2 getrennt. Q2 und Q3 sind dazu beide gateseitig ans heisse
Ende des Schwingkreises angeschlossen. Q4 ist ein NF-Vorverstärker mit dem
BC547 (npn), um auch schwache Signale noch etwas anzuheben und die durch
Filterung hervorgerufene Dämpfung wieder auszugleichen. Die zahlreichen RC-Filter
als Bestandteil dieser Stufe dienen zur störfreien Aufbereitung des NF-Signals
(Beseitigung von HF-Resten im NF-Zweig, Unterdrückung des 5-kHz-Pfeifsignals auf
KW, bzw. von Nachbarkanaleinflüssen generell).
Für gute Sprachverständlichkeit (analog
Telefon) ist ein Frequenzgang von 300 Hz bis 3 kHz ausreichend, diesen kann man
durch Variation der entsprechenden C´s erreichen oder nach eigenem Ermessen an seine Hörgewohnheiten anpassen.
(vorgeschlagener Variationsbereich
für verschiedene NF-Frequenzgänge)
Bauteil NF weit NF schmal
C11 1 nF 10 nF
C12 1 nF 10 nF
C13 4,7 µF 100 nF
C14 47 µF 4,7 µF
C16 4,7 µF 100 nF
C17 10 nF 330 nF
Um auf genügend Leistung zur
Ansteuerung eines Lautsprechers zu kommen, wurde noch ein NF-Verstärker-IC
TDA7052 eingebaut. Dieser wird aus einer getrennten Batterie versorgt, um
Einflüsse auf die Versorgungsspannung
des eigentlichen Empfangstraktes zu unterbinden. Auf die stromversorgungsmäßige
Entkopplung aller Stufen untereinander wurde ebenfalls sehr viel Wert gelegt
(zahlreiche RC-Glieder), was sich in einer sehr guten Stabilität des Empfangs
auszahlt. Mit P5 regelt man die Lautstärke. Beim Einstöpseln des Kopfhörers
wird der Lautsprecher durch die Schaltbuchse J1 abgeschaltet.
Der zugegebenermaßen etwas hohe
Batterieaufwand bringt jedoch enorme Verbesserungen im Störabstand gegenüber
Netzbetrieb. Versuche mit Netzteilen wurden aus diesen Gründen wieder
verworfen, zumal das reine Empfangsteil sich nur ca. 4 mA genehmigt und die
9-V-Batterie damit sehr lange hält. Die Stromaufnahme des NF-Verstärkers ist
lautstärkeabhängig, gute Batterien halten
aber auch schon über 50 Std. durch. Im Kopfhörerbetrieb (32-Ohm-Kapsel)
sinkt die Stromaufnahme noch weiter. Volle Lautstärke ist in diesem Falle schon
gehörschädigend.
Hinweise zum Spulenaufbau
Da der Empfänger von 50 kHz bis
30 MHz benutzt werden soll, wurde dieser Bereich in mehrere Teile
aufgesplittet, für die jeweils eine getrennte Steckspule zuständig sein sollte.
Damit der
Rückkopplungseinsatz für die jeweiligen
Bereiche optimiert werden kann, ist Regler P6 vorgesehen. Dieser wird so
abgeglichen, dass in jedem Bereich mit P3 ein sauberer Schwingeinsatz
einstellbar ist. Der optimale Wert kann danach ausgemessen und durch einen
Festwiderstand ersetzt werden. Sollte der Bereich nicht
langen, muss man mit den Werten von P6 und C20 etwas experimentieren. Durch
Anschalten von verschiedenen Kombinationen von C21 (Verkürzungs-C), Hauptdrehko
C22a, C22b und Feinabstimmdrehko C23 kann man die Bereiche nach Wunsch
optimieren (siehe dazu auch gestrichelte Linien im Schaltbild am Sub-D-Stecker).
Aufgebaut wurden die Bereichsspulen mit diversen vorhandenen Oszillatorspulen
und Mini-Bandfiltern, die jeweils auf einen Sub-D-9-Stecker gelötet wurden,
zusammen mit C20 und ggf. C21 sowie dem Ersatz-R für P6. Weiterhin haben alle
verwendeten Spulen einen Abgleichkern, sodass man ebenfalls noch
Bereichsgrenzen einstellen kann. Das Gegenstück ist eine Sub-D-9-Buchse, die
auf dem Chassis montiert wurde. So kann man sich Spulensets für LW, MW,
Amateurfunkbänder und KW-Rundfunkbänder zusammenstellen.
Der Abgleich kann mit einem entsprechenden Generator oder einem
Vergleichsempfänger erfolgen (anhand bekannter Methoden, siehe z.B. Beilageheft
zu Retroradios). Auch das von mir beschriebene Verfahren mit einem Quarzmodul
ist nutzbar [3]. Bei der Erstinbetriebnahme wurde eine gerade
vorhandene Spule mit 3 Anschlüssen hergenommen und zunächst festgestellt, ob der
Rückkopplungseinsatz einstellbar ist (P2, P3, P4, P6 optimieren) und wo die
Bereichsgrenzen lagen. Nach positivem Testergebnis setzt man in dieser Art das
Ausprobieren mit anderen Spulen fort. Durch Zuschalten des zweiten
Drehkopaketes kann man die untere Grenze noch tiefer legen. Schaltet man einen
Verkürzungs-C (C21) in Serie zum Hauptdrehko, verkleinert man dessen Einfluss
auf die gesamtwirksame Kapazität im Schwingkreis und kann so höhere Frequenzen erreichen.
So optimiert man schrittweise die
Empfangsbereiche. Im Laufe der Zeit sammeln sich dann einige Steckmodule an,
die beschriftet werden und auf der frontplattenseitigen Skala des Gerätes ihre
Entsprechung haben, um abgeglichene Frequenzen wiederzufinden. C23 – ein alter
UKW-Drehko aus einem ausgedienten Tuner - kann parallel zum Hauptdrehko
geschaltet werden und zur Feinabstimmung dienen. Alle heißen Drehkoanschlüsse
werden einfach auf die Sub-D-9-Buchse
gelegt und werden dann je nach Erfordernis durch Drahtbrücken auf dem Bereichsspulenmodul
zugeschaltet oder weggelassen.
Hinweise zum mechanischen
Aufbau
Nach den ersten
erfolgversprechenden Tests in fliegender Verdrahtung wollte ich doch eine etwas
stabilere mechanische Lösung haben, zumal im Drahtverhau des Versuchsaufbaus
oftmals durch eigene Schusseligkeit diverse Fehlfunktionen auftraten.
Daher wurden aus einer 1,5 mm
dicken Aluplatte (die im früheren Leben mal ein Kaminvorlegeblech war,
mittlerweile aber aufgrund des Umrüstens auf alternative Energien ihre
Daseinsberechtigung eigentlich verloren hatte) eine ca. 15 x 15 cm grosse Frontplatte, eine
15 x 10 cm grosse Chassisplatte und 2 lange Streifen von 2 cm Breite
geschnitten. Letztere wurden entsprechen gebogen und mit M3-Verschraubungen so
mit Frontplatte und Chassis verbunden, dass das ganze eine sehr gute
Standfestigkeit hat. Die Herkunft der Chassisteile gab den
wesentlichen Ausschlag bei der Namensfindung des Gerätes…
Alle Chassisteile sind elektrisch
leitend miteinander verbunden und an Erde gelegt, sie geben auch eine gute Abschirmung ab. Der
Aufbau ist jetzt ziemlich erdbebensicher. Jedenfalls verändert sich, auch dank
des Planetengetriebes am Edelschrott-Drehko C22, die Sendereinstellung nicht
mehr, wenn man (aus welchen Gründen auch immer) neben (!!) dem Gerät auf die
Tischplatte haut.
Durch die relativ grosse Anzahl an Bedienelementen vergisst
man oftmals, welcher Regler nun welche Funktion hat – eine beschriftete
Frontplatte musste her. Diese wurde mit „Frontdesigner“ von Abacom erstellt, auf
Selbstklebefolie gedruckt und auf die Aluplatte geklebt. Die Skala harrt noch
ihrer endgültigen Fertigstellung, weil evtl. noch weitere Spulenmodule
dazukommen. Es sind aber einstweilen diverse provisorisch auflegbare Skalen mit
handeingezeichneten Abgleichpunkten entstanden. Der Skalenzeiger
ist einfach ein Klemmring mit 6 mm Innendurchmesser, der auf den
Drehkoachsstummel aufgesteckt wurde und an den eine radiale Bohrung angebracht
wurde, in die ein Stück roter steifer Draht eingelötet wurde.
Die
Platine des elektrischen Aufbaus wurde nach dem in [4] beschriebenen Verfahren
gefertigt. Der Lautsprecher wurde auf einem Sperrholzbrettchen
an der Seite des Chassis montiert. Alle weiteren mechanischen Details gehen aus
den Fotos hervor.
Zu erwähnen wäre noch, dass zwar
ein 1m langer Draht als Antenne ohne Erdanschluss schon guten Empfang bringt,
die richtige Qualität des Empfanges
erreicht man aber erst mit ca. 10 m Langdrahtantenne (einfach isolierte
Kupferlitze unter Beachtung einer gewissen Erdfreiheit aus dem Fenster an den
nächsten Baum gespannt – die „Grünen“ mögen mir verzeihen ) und einem qualitativ hochwertigen Erdanschluss
(Flächenerder o.ä., auf keinen Fall den Schukoanschluss des Stromnetzes
verwenden, da gibt’s überall 50-Hz-Brummmodulation).
Hinweise zu eingesetzten
Bauelementen
Sämtliche verwendeten Bauteile
(außer der Folie für die Frontplatte) stammen aus dem sich in langjähriger
Weigerung gegenüber Entsorgungsaktionen
ansammelnden Edelmüll. So hat mich der Empfänger keinen Cent gekostet, wenn man
die Zeit mal nicht materiell betrachtet (Albert Einstein würde ob dieser
Aussage jetzt den Kopf schütteln…). Selbst die Frontplattenfolie ist ein
Reststück aus einem Büro gewesen und war dort aufgrund der Grösse nicht mehr
verwendbar.
Die Sub-D-9_Stecker und –Buchsen
stammen aus dem allgegenwärtigen Computerschrott, wo sie ihr früheres Dasein
als RS232-Schnittstelle beendet haben und jetzt nach und nach zum 2. Leben als
Steckmodule erweckt werden.
Drehkos, Spulen, Lautsprecher und
Skalenknöpfe stammen von alten Radios bzw. Messgeräten. Der Abstimmdrehko hat
ein Planetengetriebe mit einer Untersetzung von 2 : 1, d.h. bei einem Drehwinkel
der Rotorplatten von 180° muss man den Abstimmknopf um 360° drehen. Der Rotorantrieb
ist als 6 mm-Hohlachse durch die Frontplatte geführt, auf diesem sitzt der Klemmring
mit dem bereits erwähnten Abstimmzeiger der Skala. Im Inneren der Hohlachse
findet sich eine 4 mm-Achse zum Betätigen des Planetengetriebes, auf dieser
sitzt der Abstimmknopf. So ist die Sendereinstellung relativ feinfühlig
zu bewerkstelligen, zur weiteren Verbesserung wurde trotzdem noch eine
Feinabstimmung mit einem UKW-Drehko vorgesehen.
Widerstände und Kondensatoren
finden sich wohl in jeder gutsortierten Bastelkiste, auch ein paar M3-Schrauben,
Muttern, Abstandsbolzen und sonstiger
Kleinkram wie Draht und Buchsen für Antennen-und Erdanschluß sowie Schalter.
Die Halbleiter wurden von
diversen Altplatinen ausgelötet und vorher auf Funktion getestet. Den
NF-Schaltkreis TDA7052 spendierte ein
altes Diktiergerät.Die Wertangaben der Bauteile im Schaltbild sind kein Dogma,
man kann in weiten Grenzen experimentieren. So ist z.B. der Spannungsteiler
R1/R2 zur Einstellung des besten Arbeitspunktes der HF-Vorstufe nur ein
Vorschlag, bei anderen Stromverstärkungsfaktoren des Q1 braucht man andere
Grössen. Die verwendeten Transistoren sind auch durch Äquivalenttypen
ersetzbar. Für Q1 wurde z.B. der aus der DDR übriggebliebene SC308 erfolgreich
getestet, ebenso der SC239 für Q4. Als Q2/Q3 sind auch BF244, 2N3819 oder der
russische Typ KP303 verwendbar – man muss nur auf die Anschlussbeschaltung
achten. Sollte ein Nachbauer da wirklich Schwierigkeiten haben – ich bin gern bereit, bei Bauelementen helfend
einzuspringen, meine Frau würde es sehr begrüssen, wenn ich meinen
platzfordernden Altbestand etwas abbaue …
Ehe ich es vergesse : Man kann
für den NF-IC auch den TDA7052A
verwenden, der zum TDA7052 nur den Unterschied hat, dass am Pin 4 mit einer Gleichspannung die
Lautstärke eingestellt werden kann. Genau dieser Fakt wurde mir bei einem
Austausch des IC´s auf einem Versuchsboard
bei einem früheren Projekt zum Verhängnis, als ich den Unterschied noch
nicht kannte und Pin 4 einfach unbeschaltet ließ – da gab der Lautsprecher nur
undefinierte Krächzlaute von sich, je nachdem, wie sich der (relativ
hochohmige) Eingang am Pin 4 gerade aufgeladen hatte…. Ja, wer Datenblätter
lesen kann, ist klar im Vorteil. Vom beliebten LM386 als NF-Verstärker habe ich
aufgrund des nötigen externen Beschaltungsaufwandes und der perversen Neigung
einiger mir bekannter Exemplare, bei Spannungsnot oftmals NF-Generator zu
spielen, Abstand genommen. Wer es sich zutraut, kann natürlich bei geringer
Schaltungsmodifikation auch diesen verwenden.
Empfangsergebnisse
Mit den entsprechenden Spulen,
guter Antenne und einer Erde wie oben erwähnt sind aus der kleinen Blechkiste
erstaunliche Dinge vernehmbar. Das reicht vom VLF-Empfang im unteren
kHz-Bereich, wo sich z.B. atmosphärische Entladungen als Knattern und Knistern bemerkbar
machen, oder Zündfunken von vorüberfahrenden schlecht entstörten DDR-Mopeds
hörbar werden, jede Lichtschalterbetätigung im Hause als Knack vernehmbar ist, über
erstaunlich empfindlichen MW-Empfang auch tagsüber – z.B. der ungarische Sender
Kossuth-Radio auf 540 kHz ist hier (im
Erzgebirge) ständig zu hören – bis hin zu Amateurfunkstationen auf 20 m in SSB.
Auch im 160-m-Amateurband ist in letzter Zeit (Januar 2011) wieder verstärkte
Aktivität erkennbar. Alle Sender der KW-Rundfunkbänder sind klar und deutlich
wahrnehmbar, auch bei entsprechender Reglereinstellung trennscharf genug, um
alles ohne Sprach-Kauderwelsch gut mithören zu können. Natürlich ist man mit
dieser einfachen Schaltung nicht gegen Schwunderscheinungen gewappnet –
vielleicht erweitert jemand mal die Schaltung um eine vernünftige
Schwundregelung. Auch das Zeitnormal auf 77,5 kHz ist wunderschön lautstark zu hören –
dort arbeitet man mit Trägertastung, und wenn man die Rückkopplung etwas aufdreht,
hört man das Rückkopplungspfeifen als Zeitzeichen im Sekundentakt. Vielleicht
spendiere ich der Kiste noch einen Spezialausgang dafür, um meinen PC oder die
selbstgebaute Digitaluhr auf die amtliche Zeit synchronisieren zu können?
Fazit
Die Freude, die mir das kleine
BEAST beim Verfolgen der merkwürdigsten
Funkereignisse schon gemacht hat, wiegt den Einsatz der Freizeit beim Aufbau auf
alle Fälle auf. Es ist einfach faszinierend, dass man mit einer Handvoll alter Schrottbauteile
alle Welt empfangen kann. Sogar meine kleine Enkelin, die offenbar auch schon
vom HF-Bazillus befallen ist, lobt das Gerät aus ihrer Sicht wegen des „besseren
Klanges als ihr Walkie-Talkie“. Da bin ich wohl etwas in der Pflicht, ihr nach
und nach ein paar Zusammenhänge zu erklären... In der Tat sind mit dem Gerät
fast alle Sender empfangbar, die ein Mittelklasse-Weltempfänger bringt. Einzig
und allein die etwas kompliziertere Bedienung an den vielen Knöpfen ist wohl
schuld, dass man heute industriell hergestellte Radios ausschließlich als
Superhets mit Einknopfbedienung vorfindet. Aber für einen Bastler liegt gerade
darin der Reiz der Sache, mit einfachsten Mitteln zufriedenstellenden Empfang zu
erreichen. Zum Abschluss bleibt mir nur noch der Dank an Burkhard Kainka,
der als federführender Entwickler der Retroradio-Serie eine Menge Anregungen zu
diesem Projekt gab.
Quellenangaben :
[1] www.epemag3.com
[2] http://de.wikipedia.org/wiki/Hartley-Schaltung
[3] http://www.elektronik-labor.de/Lernpakete/Roehrenradio2.html
[4] http://www.elektronik-labor.de/Labortagebuch/Tagebuch0111.html