Zweipolige Blinkschaltung

von Wolfgang Schmidt
ELO 2009
Elektronik-Labor  Labortagebuch  ELO  



Für elektronische „Blinker“ gibt es unzählige Einsatzmöglichkeiten. Für den Hobbyelektroniker sind vor allem Anwendungen im Modellbau sowie für (Aufmerksamkeit erregende) optische Signalgebung interessant. Entsprechend groß ist die Vielfalt der bekannten Schaltungslösungen. Die hier vorgestellte Blinkschaltung weist gegenüber den meisten bekannten Lösungen eine Besonderheit auf: Sie ist zweipolig und wird einfach wie ein Schalter in den Stromkreis eingefügt.


Funktionsweise der Schaltung

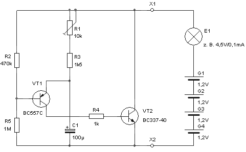
1.    Im Einschaltmoment (der Stromkreis wird erstmalig geschlossen) ist der Kondensator C1 entladen und der Emitter von VT1 liegt auf GND-Potential (Minuspol der Batterie). Die Basis von VT1 erhält durch den Spannungsteiler R2/R5 ein positives Potential. Damit ist VT1 gesperrt (beachte: VT1 ist vom Typ PNP!). Somit bekommt VT2 keinen Basisstrom und ist ebenfalls gesperrt. Es fließt kein Strom im Hauptstromkreis und die Lampe ist aus. (In Wirklichkeit fließt ein sehr kleiner Strom durch R2 und R5, der aber hier vernachlässigt werden kann.)

2.    Der Kondensator C1 wird über R1/R3 aufgeladen. Sobald die Ladespannung (entspricht der Spannung am Emitter von VT1) den Wert der Basisspannung um etwa 0,6 V überschritten hat, beginnt VT1 zu leiten. Der Kollektorstrom von VT1 fließt über R4 in die Basis von VT2, so dass auch dieser zu leiten beginnt. Es fließt nun ein Strom im Hauptstromkreis, wodurch die Spannung an den Anschlüssen X1 und X2 des Blinkers zusammenbricht. Damit sinkt die Basisspannung von VT1, was zu dessen weiteren Öffnung führt, so dass VT2 schließlich vollständig leitend wird. Die Lampe wird eingeschaltet.

3.    Da VT2 jetzt eingeschaltet ist, beträgt die Spannung zwischen X1 und X2 annähernd Null (die Sättigungsspannung von VT2 von < 0,5 V können wir vernachlässigen). Damit wird auch die Basisspannung von VT1 Null. Da C1 zunächst noch geladen und der Emitter positiv gegenüber der Basis ist, bleibt VT1 leitend. VT2 erhält weiterhin Basisstrom und ist eingeschaltet.

4.    C1 wird nun über zwei Stromzweige entladen: Einmal über R1/R3 und den (noch leitenden) Transistor VT2, zum anderen über VT1, R4 und die Basis-Emitter-Strecke von VT2, wodurch der Stromfluß im Hauptstromkreis aufrecht erhalten wird.

5.    Sobald die Spannung an C1 auf ca. 0,6 V abgesunken ist, beginnt VT1 zu sperren. Der Basisstrom für VT2 wird kleiner, und VT2 wird ebenfalls ausgeschaltet. Die Spannung zwischen X1 und X2 steigt, wodurch auch die Basisspannung von VT1 steigt, was wiederum die Sperrung von VT1 und VT2 beschleunigt. Die Lampe wird ausgeschaltet.

6.    Der Kondensator C1 ist nun nahezu entladen und der Vorgang beginnt wieder entsprechend Pkt. 2.

Das Ein- und Ausschalten von VT1 und VT2 erfolgt sehr schnell, nahezu „schlagartig“, da eine Rückkopplung (Mitkopplung) zwischen Ausgang und Eingang der Schaltung besteht: Der Spannungsabfall zwischen X1 und X2 („Ausgang“) wird auf die Basis von X1 („Eingang“) rückgekoppelt.

Mit dem Einstellregler R1 wird die Zeitkonstante für das Aufladen des Kondensators verändert und damit die „Aus“-Zeit. Beim Entladen des Kondensators ist der Entladezweig über VT1 dominierend, die „Ein“-Zeit wird daher durch R1 nur sehr wenig beeinflusst.

Aufbau






Für den Aufbau der Schaltung wurde eine kleine Leiterplatte entworfen (Bild 2), das Bild 3 zeigt den zugehörigen Bestückungsplan. Nach diesem Leiterplattenentwurf wurde das Mustergerät auf einer Lochrasterplatte aufgebaut (Bild 4).
Für den Einstellregler wurde eine Ausführung für Steckachse verwendet (bei Conrad Elektronik erhältlich), so dass die Einstellung der Blinkfrequenz ohne Öffnen des Gehäuses von außen erfolgen kann. Die Leiterplatte kann in eine kleine Kunststoffschachtel eingebaut werden, die zwei Buchsen für 4-mm-Stecker („Bananenstecker“) und eine Bohrung zur Durchführung der Potentiometerachse enthält. Wenn den Abstand der Buchsen mit dem Abstand der Lötstifte X1/X2 übereinstimmt, kann man letztere direkt an die Buchsen anlöten. Die Leiterplatte ist dann im Gehäuse mechanisch fixiert, eine zusätzliche Befestigung ist nicht erforderlich.




Elektronik-Labor  Labortagebuch  ELO