
Man kann ihn für 2 Sachen hernehmen: als Melder wenn ein Waschbecken voll ist und als Alarm wenn z. B. die Waschmaschine überläuft.

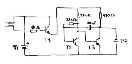
Der
erste Transistor verstärkt einen kleinen Strom, der entsteht wenn man
die zwei angeschlossenen Drähte ins Wasser taucht. Der verstärkte Strom
schaltet dann einen Piepser ein, sodass ein Ton entsteht.
Die Anwendung ist ganz einfach: Als Waschbeckenalarm hängt man einfach die zwei Drahtenden in das Becken. Wenn das Wasser steigt, gibts Alarm. Das ist praktisch bei uns im Waschkeller: Wenn es Handwäsche gibt, kann man Wasser einlassen, ohne dass man immer daneben stehen muss.

Wenn
man die Waschmaschine überwachen will, macht man die Drähte einfach
unten an der Maschine fest. Wenn was ausläuft gibt´s Alarm.