
Als
1981 Binnig und Rohrer das Tunnelmikroskop entwickelten war die
Entdeckung ein Meilenstein in der physikalischen Messtechnik die 1986
mit dem Nobelpreis belohnt wurde. Das Tunnelmikroskop erlaubt mit
einfachen Mittel Abbildungen mit atomarer Auflösung. Der Aufbau eines
STM's (scanning tunnel microscope, Tunnelmikroskop) ist so einfach dass
es auch im Bastelkeller entstehen kann.
Arbeitsweise
Beim Tunnelmikroskop wird eine feine Spitze sehr nahe an die zu untersuchenden Oberfläche gebracht. Liegt die Oberfläche auf einem Potenzial von einigen Millivolt kann bei einem Abstand von einigen Zehntel Nanometern ein Strom zur Spitze fließen, ohne dass diese die Oberfläche berührt, die Elektronen "tunneln" zur Spitze. Die Größe des Stromes hängt stark vom Abstand ab, ändert sich der Abstand etwas so ändert sich der Strom in hohen Maße. Eine Änderung des Abstands um 0,1 nm ändert den Strom um einen Faktor 10. Wird nun mit einer Vorrichtung der Abstand so geregelt dass ein konstanter Strom fließt bleibt auch der Abstand der Spitze konstant. Zum Aufnehmen eines Bildes wird nun die Spitze über die Oberfläche verfahren, gescannt, ist die zur Aufrechterhaltung eines konstanten Stromes nötige Regelgröße ein Maß für die Topologie der Fläche.
Aufbau
Der wichtigste Bestandteil des STM ist die Vorrichtung zur Bewegung der Spitze. Sie muss in drei Richtungen verstellbar sein. In der Z-Achse für die Bewegung senkrecht zur Fläche, und in der X- und Y-Achse zum Abscannen der Fläche. Da nur kleine Wege im Mikrometerbereich notwendig sind wird fast immer ein piezoelektrischer Verstellmechanismus verwendet. Nach einer Idee von John Alexander kann der X,Y,Z-Scanner mit einem einfachen Piezobeeper aufgebaut werden. John Alexander hat sich das patentieren lassen aber für ein nicht kommerzielles Bastelprojekt kann man es wohl nachbauen. Ein Piezobeeper besteht auf einer dünnen Metallplatte auf die eine piezokeramische Schicht aufgebracht ist. Wird an die Piezoschicht eine Spannung gelegt, verkürzt oder verlängert sie sich je nach Polung und dadurch wird die Metallplatte gebogen. Wird eine Wechselspannung angelegt biegt sich die Platte im Takt und wirkt wie eine Lautsprechermembran.

Die Wirkungsweise eines Piezobeepers
Um einen Piezobeeper als Scanner zu verwenden muss er etwas modifiziert werden. Die Metallisierung der Piezoscheibe wird mit einem scharfen Messer in vier Quadranten unterteilt und jeder mit einem dünnen Draht kontaktiert. In der Mitte der Scheibe wird auf ein Isolierstückchen ein dünnes Stahlröhrchen (Injektionsnadel) geklebt. Dieses Röhrchen dient als Halter für die eigentliche Spitze und kann durch Anlegung von Spannung an die Quadranten in alle Richtungen bewegt werden.

Der Piezobeeper-Scanner
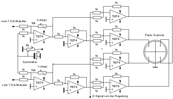
Elektronik
Die
Auslenkung der Spitze wurde unter dem Mikroskop bestimmt und beträgt
etwa 2 µm bei einer Ablenkspannung von +/-15V, man kann also auf teure
und problematische Hochspannungsverstärker zur Ansteuerung verzichten.
Der Schaltplan zeigt die Scannerelektronik die mit zwei Vierfach-OP
auskommt. Da der zum Scannen verwendete D/A- Wandler einen
Ausgangsbereich von 0 bis 5V hat wird die Spannung in einer
Eingangsstufe zu Null d.h. von -2,5V bis +2,5V symmetriert. Eine weitere
Stufe erzeugt die bipolare Ansteuerung der Endstufen-Verstärker. Die
Spannung zur Auslenkung in der Z-Richtung wird allen vier Stufen
gemeinsam zugeführt.

Schaltplan der Scanner-Elektronik
Die durch die Spitze fließenden Ströme sind sehr klein, im Nanoampere Bereich, deshalb wird der Strom/Spannungswandler möglichst nahe an der Abnahmestelle angebracht und gegen Einstrahlungen abgeschirmt. Der Verstärker ist vom Typ OPA 111, mit einem Gegenkopplungswiderstand von 47 MOhm ergibt sich eine Verstärkung von 47mV/nA. Auch die Biasspannung an der Spitze ist klein und sollte bei einigen Millivolt liegen. Die Polarität der Spannung spielt keine so große Rolle, der Verfasser verwendete eine positive Spitze, bei negativer Spitze muss die Regelelektronik entsprechend umgepolt werden.

Vorverstärker und Biasversorgung

Vorverstärker mit Probenhalter
Die auf den Vorverstärker folgende Regelung ist der wichtigste Bestandteil der Schaltung. Sie sorgt für einen konstanten Strom durch die Spitze und damit für einen konstanten Abstand zwischen Spitze und Probe. Durch den extrem nichtlinearen Zusammenhang von Strom und Abstand ist die Dimensionierung nicht einfach, sodass man auf Versuche angewiesen ist. Die Ausgangspannung des Vorverstärkers wird mit einem AD 524 10fach verstärkt und der Regelstufe zugeführt. Die Differenz zwischen Ist- und Sollwert, das Regelsignal wird in einem Integrator aufaddiert. Eine Sollspannung von 470 mV entspricht einem Tunnelstrom von einem Nanoampere und ist ein passender Wert für erste Versuche. Die Ausgangsspannung des Integrators steuert die Auslenkung des Scanners in der Z-Richtung. Wichtig ist, dass die Regelpolarität stimmt. Steigt der Tunnelstrom muss der Abstand der Spitze zur Probenfläche größer werden und umgekehrt. Der Piezo des Verfassers wölbt sich bei positiver Spannung nach vorn, bei steigendem Strom muss somit die Z-Spannung vor den invertierenden Endstufen positiver werden damit die Regelung arbeiten kann. Da das von der Polarisierung der Piezoscheibe abhängt kann das bei verschiedenen Typen unterschiedlich sein und muss durch Versuche bestimmt werden. Das Ausgangssignal des Integrators, das im Regelfall ein Maß für die Oberfläche ist, wird dem AD-Wandler des Messcomputers zugeführt. Da dieses Signal sowohl positive wie auch negative Polarität annehmen kann, der AD-Wandler aber nur positive Spannungen verarbeiten kann wird das Signal mit einem Operationsverstärker in den positiven Bereich geschoben.

Die Regelelektronik
Zur Ansteuerung der Elektronik wird ein Computer verwendet. Der Verfasser benützte das USB-Experimentierboard von Velleman. Der AD-Eingang misst das Z-Piezosignal und die beiden DA-Ausgänge treiben den X- und Y-Piezo des Scanners. Bei Bedarf kann ein einfaches Delphi Programm zur Ansteuerung vom Verfasser erhalten werden.

Die Elektronik hat auf einer halben Eurokarte Platz
Mechanik
Ein
nicht ganz einfaches Problem beim Bau eines STM's ist die
Grobannäherung. Da die Bewegung der Spitze durch den Scanner auf einige
Mikrometer begrenzt ist muss sie erst in diesen Abstand zur Probenfläche
gebracht werden, möglichst ohne sie in die Probe zu rammen. Der
Verfasser verwendet einen Hebelmechanismus der die schon feine
Verstellung einer Mikrometerschraube weiter reduziert. Die Untersetzung
hängt vom Verhältnis der Strecken a und b ab.

Hebelanordnung
Mit etwas Geduld ist so ein weiches Aufsetzen der Spitze auf die Probe möglich. Meist wird man erst vollen Kontakt haben und muss dann wieder etwas zurück drehen um den richtigen Arbeitspunkt zu erreichen. Am Besten kontrolliert man den Tunnelstrom vor der Regelstufe und den die Z-Spannung nach dem Integrator mit zwei Multimetern oder einem Oszi. Wird ein Tunnelstrom angezeigt versucht man die Schraube so zu drehen dass die Z-Spannung möglichst bei 0 Volt liegt. In dieser Einstellung hat man den größten Regelbereich.
Weniger Probleme macht erstaunlicher Weise die Spitze selbst. Dazu zwickt man einfach ein Stück harten Drahtes (z.B. Wolfram) mit dem Seitenschneider ab. An der Trennstelle entstehen zwar unzählige mikroskopisch kleine Spitze, aber eine wird am weitesten herausragen und über diese fliest dann der gesamte Tunnelstrom. Solche Spitzen eignen sich für glatte Oberflächen ohne tiefe Gräben und steile Kanten. Will man stärker strukturierte Oberfläche untersuchen sollte man eine elektrolytisch geätzte Spitze herstellen, Anweisungen dazu findet man in der einschlägigen Literatur.

Der mechanische Aufbau des STM
Natürlich ist das Gerät sehr empfindlich auf Erschütterungen, deshalb wurde es in ein Gestell mit Gummiringen aufgehängt. Auch sollten die Verbindungen zum STM mit möglichst dünnen, weichen Drähten gemacht werden um auch auf diesem Wege keine Vibrationen zu übertragen. Durch die große Scannerfläche ist der Aufbau zudem für Schall recht empfindlich, daher sollte man während einer Messung keine lauten Geräusche machen.

Gesamtansicht
Der gesamte Aufbau des STM's. Links die Interface-Karte, in der Mitte die Elektronik und rechts das eigentliche STM. Nicht auf dem Bild ist die erforderliche +/- 15V Spannungsversorgung.
Messungen
Für
erste Messungen eignen sich wie gesagt vor allem glatte Metallfilme.
Die bei üblicher Betrachtung spiegelglatten Flächen entpuppen sich unter
dem STM als hügelige Ansammlung von Metallkörnern. Das Bild mit dem
Eigenbau STM ist zwar etwas gestört kann gut mit der professionellen
Aufnahme eines 30.000 Euro Gerätes verglichen werden. Das Bild hat etwa
eine Vergrößerung von 2x109 (zwei Milliardenfach).

Die Oberfläche eines Goldspiegels
Ein
klassisches Probenmaterial ist Grafit, so genannter pyrolytischer
Grafit. Bedingt durch den atomaren Aufbau lässt sich das Material in
einer Richtung leicht mit der Rasierklinge spalten. An der
Spaltoberfläche entstehen atomar glatte Bereiche die sich gut mit dem
STM untersuchen lassen. Mit etwas Glück und Geduld lassen sich die
einzelnen Kohlenstoffatome im Kristallgitter abbilden, ein Experiment
das vor den Forschungen von Binnig und Rohrer nicht für möglich gehalten
wurde.

Atomare Auflösung auf einer Grafitoberfläche
Die Daten können auch in einer 3-D Darstellung angezeigt werden. Dazu eignet sich z.B. die Software Surfer 8 von Golden Software die als Demoversion kostenlos zur Verfügung gestellt wird.

3-D Darstellung einer Goldfläche
Die Bilder zeigen die Scans über eine Goldfläche mit großem Scanbereich von ca. 2 Mikrometern. Beide Messungen wurden nach einander gemacht und zeigen die brauchbare Reproduzierbarkeit der Anordnung.