von B. Kainka
aus ELO 2008
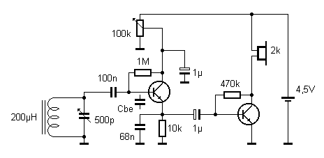
Ein ganz einfaches Audion in Kollektorschaltung und ohne Anzapfung der Empfangsspule, auf diese Schaltung bin ich eher zufällig gestoßen. Es fing an mit einem Mittelwellen-Audion, das ich mit einem Kosmos-Baukasten entwickeln wollte. Die Idee war zunächst, dass bei großer Empfangsspannung geringere Demodulationsverzerrungen zu erwarten wären. Dabei entstanden zuerst unerwartete HF-Schwingungen. Mit einer Einstellung des Kollektorstroms ließ sich der Oszillator an den Schwingungseinsatz stellen und arbeitete damit als rückgekoppeltes Audion. Die Schaltung wurde in der CD „Werkzeugkasten Elektronik" vorgestellt, die inzwischen im Lernpaket Elektronik enthalten ist.

Mittelwellen-Audion (Werkzeugkasten Elektronik)
Kürzlich wollte ich einmal untersuchen, ob der Emitterfolger als Audion nicht noch einfacher aufgebaut werden könnte und ob er nicht auch auf Kurzwelle einzusetzen wäre. Die Idee war, den Schwingkreis direkt zwischen Basis und Kollektor zu setzen. Bedingung war, dass man mit dieser Schaltung einen Oszillator aufbauen konnte.

Das funktioniert sowohl mit einem NPN- wie mit einem PNP-Transistor sehr gut. Ein Nachteil ist allenfalls die relativ geringe Kollektor-Emitterspannung von ca. 0,5 V, bei der die Transitfrequenz schon leicht reduziert sein dürfte. Tests mit Mittelwellenschwingkreisen hoher Güte zeigten, dass es sogar ohne den Emitterkondensator geht, der dann durch die interne CE-Kapazität ersetzt wird. Bei Kurzwellenschwingkreisen war meist ein Emitterkondensator um zwischen 10 pF und 100 pF nötig. Die Basis konnte auch an eine Anzapfung der Spule gelegt werden, was eine geringere Beeinflussung des Kreises brachte.
Jetzt habe ich auf dieser Basis ein komplettes Kurzwellen-Audion aufgebaut. Die Schaltung kommt mit wenigen Bauteilen aus und braucht nur eine 1,5-V-Batterie. Der Ausgang soll an einen PC-Aktivlautsprecher als Endverstärker angeschlossen werden.

Aufbau und Betrieb dieses Empfängers werden ausführlich in der Bastelecke beschrieben, hier ging es mehr um die Schaltungstechnik.

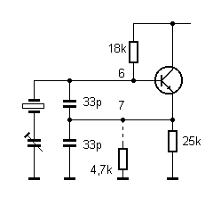
Diese Emitterfolger-Oszillatorschaltung ist relativ weit verbreitet. Ein Beispiel ist der interne Oszillator im Mixer NE612. Statt eines Quarzes kann auch ein Schwingkreis angeschlossen werden. Setzt man übrigens einen Emitterfolger als HF-Impedanzwandler nach einem Schwingkreis ein, muss man gut aufpassen, dass diese Schaltung nicht ungewollt zum Oszillator wird.

Der Quarzoszillator im NE612
Direktmischer mit Schwingkreis im Oszillator (aus DRM-Empfangspraxis)