
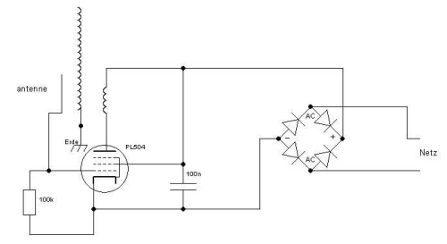
Nachdem ich jetzt im Besitz mehrerer PL504 bin (ich sag nur: Pollin) habe ich mal einen Teslatrafo mit dieser Röhre gebaut. Hat eine gewisse Ähnlichkeit mit dem Teslatrafo aus der Bastelecke, jedoch habe ich da ein paar Deteils verändert:

1.: Der Drehkondensator fehlt völlig, denn der ist nicht unbedingt nötig. Die Schaltung ist ja selbstresonant. Vielleicht könnte ich aber noch etwas mehr "rausholen" aus der Spule, wenn ich die Primärspule auch auf der Resonanzfrequenz der Sekundärspule abstimmen würde.

2. Die Sekundärspule hat komplett andere Ausmaße: 5cm Durchmesser und auf 9,5cm Länge mit 0,2er CuL bewickelt. Bei Teslaspulen ist es sowieso besser, wenn man die Sekundärspule nicht zu schmal auslegt.
3. Die Sekundärspule ist am unteren Ende nicht mit der Anode der Röhre verbunden, sonst liegt ja neben der Hochfrequenz am oberen Ende auch die Anodenspannung an - nicht sonderlich gesund, wenn man die Ungefährlichkeit von Hochfrequenz beweisen will. Hier ist das untere Ende der Sekundärspule geerdet. Trotzdem sollte man nie die Entladungen einer Teslaspule - und sei sie noch so klein - anfassen.

4.Die Anodenspannung - sehr heikles Thema: Ein Brückengleichrichter direkt an Netzspannung (bzw. Stelltrafo)... Bringt aber schöne lange Entladungen. Am meisten lassen sich diese Veränderungen am "Output" sehen. Die Röhre wird in der Schaltung aber ganz schön belastet. Bei längerem Betrieb fängt das Anodenblech an zu glühen und das ist gar nicht gut.
