
Im Zuge der Diskussion um die Nutzung erneuerbarer Energiequellen steht die Solarenergie neben der Windkraft besonders im Fokus. Die Wirkungsgrade der Solarzellen werden laufend verbessert und auf vielen Hausdächern sind bereits Solarkollektoren zu bewundern.
Eines der prinzipiellen Probleme beim Verbessern des Wirkungsgrades ist, dass die Sonne nicht statisch am Himmel steht. Durch die Erdrotation beschreibt sie einen sogenannten Tagbogen am Firmament. Das bedeutet aber, dass der Einfallswinkel des Sonnenlichtes für einen fest montierten Kollektor nur für einen sehr kleinen Zeitraum wirklich optimal ist.
Das Problem ist sogar zweidimensional: nicht nur durch die Erdrotation sondern auch durch die jahreszeitliche Variation des Tagbogens (im Winter kurz und flach, im Sommer lang und hoch) kann immer nur ein mittleres Optimum gefunden werden. Zweidimensionale Nachführungen sind mechanisch natürlich sehr aufwändig. Glücklicherweise ist aber der zusätzliche Gewinn einer vertikalen Nachführung im Vergleich zur horizontalen Nachführung recht gering.
In diesem Beitrag soll das Prinzip einer einfachen horizontalen Nachführung demonstriert werden. Grundsätzlich sind zwei Varianten denkbar:
1) Einsatz eines „Uhrwerks" welches die Solarzelle in einer Stunde um ca. 15° dreht, mit entsprechender nächtlicher Rückführung. Diese Methode hat jedoch viele Nachteile und soll daher hier nicht weiter beschrieben werden.
2) Eine Regelschleife die über zwei Lichtsensoren gesteuert wird und über eine Elektronik den Stellmotor für die Nachführung steuert.
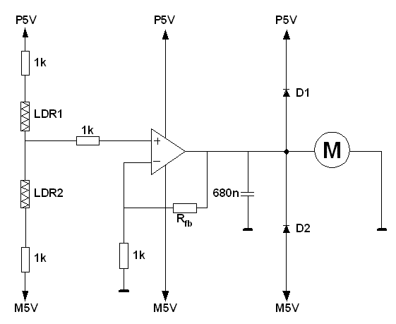
Ein entsprechender Regler kann sehr einfach aufgebaut werden. In unserem Beispiel genügt ein einziger Leistungsoperationsverstärker. Der Typ L165 hat sich auch hier als sehr geeignet erwiesen. Die nachfolgende Abbildung zeigt das entsprechende Schaltbild:
Der Widerstand Rfb (= 1 kΩ ... 100 kΩ) ist der sogenannte Feed-Back-Widerstand. Er bestimmt die Leerlaufverstärkung des Regelkreises und muss individuell and das System angepasst werden. Ist die Regelverstärkung zu klein, reagiert die Nachführung zu träge, d. h. der Motor läuft erst an, wenn die Sonne schon ein weites Stück am Himmel gewandert ist. Ist die Regelverstärkung zu groß, reagiert das System zu empfindlich und es kommt zu Regelschwingungen, die ein schnelles „Zittern" des Stellmotors verursachen.
Der Antriebsmotor muss in den meisten Fällen mit einer Untersetzung versehen werden. Neben den gängigen Baukastensystemen eignen sich hierfür auch die Getriebe aus alten Druckern etc. sehr gut.
Bei optimalem Abgleich folgt die rotierende Plattform sehr genau und weitgehend verzögerungsfrei einer Lichtquelle.
Als Lichtsensoren kamen hier zwei LDRs zum Einsatz. Der gekapselte Typ (LDR 03) hat den Vorteil, dass er mechanisch sehr robust ist. Bei der Verdrahtung der Sensoren ist darauf zu achten, dass sie „phasenrichtig" angeschlossen werden. Bei intensiver Beleuchtung eines LDRs muss dieser sich von der Lichtquelle wegbewegen. Falls es zu einer Bewegung der Plattform in Richtung der Lichtquelle kommt (positive Rückkopplung), sind die Positionen beiden LDRs gegeneinander zu tauschen. Dann stellt sich die Plattform automatisch so ein, dass beide LDRs gleich stark beleuchtet werden.

Erste Versuche wurden mit einer Taschenlampe durchgeführt. Die Videosequenzen in den beiden avi-Dateien zeigen die rasche und präzise Reaktion des Aufbaus.
Praxistests mit Sonnenlicht zeigen dagegen, dass noch weitere Verbesserungen möglich sind. Obwohl die prinzipielle Ausrichtung bestens funktioniert, kommt es immer wieder zu „Hängern", d. h. das System beleibt in einer festen Position stehen. Hier zeigt sich ein generelles Regelungsproblem: Wenn der „Lock", d. h. das Einrasten der Regelung auf die Führungsgröße einmal verloren ist, dann ist das System oft nicht mehr in der Lage sich wieder selbstständig einzujustieren. Auch totale Fehlausrichtungen, beispielsweise auf intensive Reflexionen von Hauswänden oder Fensterscheiben treten sporadisch auf. Wenn man aber die Einfachheit des Aufbaus in Betracht zieht, so arbeitet dieser „Demonstrator" schon sehr zufriedenstellen.
Vergleichbare Schaltungen werden in der Robotertechnik übrigens als Light-seeker, d. h. Lichtsucher, bezeichnet. Damit sind Roboterfahrzeuge realisierbar, die stets denn hellsten Punkt ihrer Umgebung ansteuern.
Literatur:
Lernpaket Elektronik mit ICs 