
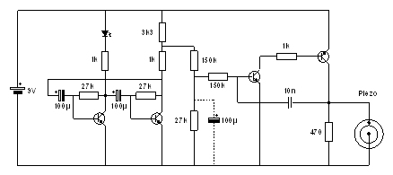
Zur Funktion der Schaltung:
Im
linken Schaltungsteil ist ein astabiler Multivibtrator aufgebaut. Er
schaltet mit einer Frequenz von ca. 1 Hz. Der rechte Schaltungsteil
zeigt einen Gegentaktoszillator. Dieser ist erforderlich, da von den
vorhandenen 4 Transistoren einer ein Gegentakt-Typ ist. Die Frequenz
liegt hier bei einigen 100 Hz und ist stark von der Batteriespannung
abhängig.

Der
astabile Multivibrator schaltet nun über einen geeigneten
Spannungsteiler die Tonfrequenz des Gegentaktoszillators um, sodass der
typische Klang eines Martinshorns entsteht. Setzt man den gestrichelt
eingezeichneten 100 µF Elko ein, so ergibt sich die US-amerikanische
Version einer Feuerwehrsirene. Der Piezo dient hier wie üblich als
Schallwandler.

Das Bild mit den leuchtenden Scheinwerfern hat keinen direkten Bezug zur Sirene, musste aber auf Antrag eines Jung-Ingenieurs, der die Scheinwerfer eingebaut hat, mit aufgenommen werden.
Hier finden sich vier Ton-Proben, jeweils 2 mit einer vollen Batterie (mit und ohne Elko) und 2 mit schwächer werdender Batterie. Für die Aufnahme wurde das PC-Mikrophon direkt an den Piezo gehalten. Dieser wurde an geeigneter Stelle eingeklemmt, sodass sich die Schallabstrahlung etwas verbessert. Leider ist die Lautstärke aber immer noch nicht wirklich angemessen für ein Feuerwehrauto...
Natürlich ist der Sirenenklang von Bauteiltoleranzen abhängig. Mit etwas Geduld kann man aber u. U. durch Tauschen von Bauteilen mit gleichen Nominalwerten die Klangfarbe optimieren, sodass sie dem original Martinshorn sehr ähnlich wird. Damit ist dieser Adventskalender der erste der auch noch nach dem 24. Dezember jede Menge Spaß macht!!