
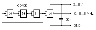
Ein Ring-Oszillator besteht aus einem Ring mit einer ungeraden Zahl digitaler Inverter. Eigentlich ergibt sich dabei eine Gegenkopplung. Wegen der hohen Verstärkung entstehen jedoch Schwingungen. Die Frequenz hängt von den Gatter-Laufzeiten ab. Das Prinzip des Ring-Oszillators wird in der modernen HF-Technik immer wichtiger. Ich wollte es auch mal ausprobieren. In der Bastelkiste fand sich ein CMOS 4001, ein vierfaches NOR-Gatter, das leicht als vierfacher Inverter verwendet werden kann. Es handelte sich um ein SMD-IC. SMD ist gut, dachte ich, wenn die Schaltung sehr klein ist, ist sie auch stabil. Gedacht - gelötet. Und tatsächlich, es entstehen stabile Schwingungen.

Was mich überrascht hat war die extreme Abhängigkeit der Ausgangsfrequenz von der Betriebsspannung. Klar, je höher die Spannung desto schneller werden die Gatter. Der Oszillator arbeitet stabil ab 2 V und erzeugt dann eine Frequenz von 160 kHz. Bis 9 V habe ich getestet, da war die Frequenz schon 8 MHz. Jede Frequenz dazwischen ist einstellbar. Es handelt sich also um einen VCO (Voltage Controlled Oszillator). Das große Frequenz-Verhältnis von 1 : 50 ist für viele Messzwecke ideal. Ein Interferenz-Versuch mit einem Mittelwellensender zeigte ein Pfeifen konstanter Frequenz. Der Oszillator macht also einen stabilen Eindruck. Und noch etwas fällt auf: Das Ausgangssignal liefert keine scharfen Rechtecke, sondern eher Trapez-Signale. Damit enthält das Signal nur geringe Oberwellenanteile.
