
Das wollte ich immer schon mal ausprobieren: Ein Detektorradio mit Lautsprecher, das nahe bei einem Mittelwellensender ganz ohne Batterie lautstark erklingt. Ich wollte meine Nichte zu einem Ausflug zum DLF-Sender Nordkirchen ganz in der Nähe ihres Wohnorts überreden, aber sie meinte, das sei ja wohl völlig daneben, extra zu einem Sender zu fahren nur um Radio zu hören. Da musste ich es eben allein testen, diesmal beim Sender Langenberg, etwa 20 km von Essen entfernt. Aber um es gleich zu sagen, der Versuch war nicht sehr erfolgreich.

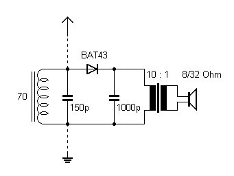
Der Empfänger verwendet einen Ferritstab mit 70 Windungen CuL 0,2 und mit einem Schwingkreiskondensator von 150 pF. Die Feinabstimmung erfolgt durch Verschieben des Ferritstabs. Eine Schottky-Diode BAT43 demoduliert das HF-Signal. Zur besseren Anpassung an den Lautsprecher wird ein NF-Trafo 10 : 1 verwendet. Das Radio wurde ich eine kleine Pappschachtel eingebaut. Der Ferritstab kann immer noch verschoben werden.

Ein Test am Wohnort Essen wurde mit einer Langdrahtantenne durchgeführt. Mit Antenne und Erde war der Sender Langenberg auf 720 kHz ganz schwach zu hören. Ein Test mit dem Oszilloskop und mit der Ferritantenne allein brachte ca. 50 mV HF. Mit einem Messsender konnte ich sehen, dass etwa 1 V HF ausreichen, um genügend Lautstärke zu bekommen. Deshalb war ich mir sicher, direkt neben dem Sender muss die Ferritantenne ausreichen.
Aber - leider - weit gefehlt: Direkt neben dem Sender war nichts zu hören. Ein Lob für die Erbauer der Sendeantenne! Die Feldstärke ist offenbar neben dem Sender nicht übermäßig hoch, sodass keinem Wanderer warm wird. Die Mittelwellenantenne an dem 300 m hohen Mast ist eine Reusenatenne aus mehreren Drähten, die in einigem Abstand um den Mast abgespannt sind und nur etwa ein Drittel der Höhe beanspruchen. Die Leistung von 100 kW verteilt sich offenbar so auf die einzelnen Drähte, dass an keiner Stelle im Nahfeld eine extreme Feldstärke auftritt. Deshalb reichte meine Ferritantenne nicht aus. Ich bin mir aber sicher, mit einer Drahtantenne von zwei bis drei Metern hätte es geklappt. Allerdings war ich nicht darauf vorbereitet, und außerdem werden solche Konstruktionen direkt neben dem Sender vielleicht nicht gern gesehen.

Übrigens, einen Power-Detektor habe ich schon einmal mit Erfolg betrieben. Die Antenne war ein Antennenkabel, das ca. 15 m vertikal durch das Haus führte und bei günstiger Anpassung genügend Spannung brachte.