
Kleine
Globen die in einem Magnetfeld schweben sind beliebte Dekorationsstücke
und nicht besonders teuer, sodass sich der Selbstbau eigentlich nicht
lohnt. Trotzdem wird hier eine kleine Schaltung vorgestellt, da man beim
Bau und vor allem bei der Einstellung Einblicke in die Regeltechnik
erhält.
Um den Schwebekörper in Balance zu halten muss dessen
Position bestimmt werden. Oft geschieht das mit einer Lichtschranke,
eleganter aber ist der hier beschrittene Weg. Der Abstand des Körpers
von der Magnetspule wird mit einem Magnetfeldsensor bestimmt. Dazu ist
im Schwebekörper ein kleiner Magnet befestigt, der zudem die Anziehung
der Magnetspule unterstützt. Die Schaltung ist so ausgelegt dass das
Feld am Sensor konstant bleibt. Nähert sich der Körper und somit der
Magnet der Spule steigt das Feld und der Spulestrom wird zurück
geregelt, entfernt sich der Körper wird der Spulenstrom erhöht.
Letztendlich bleibt die Magnetkraft der Spule auf den Magnet konstant
und bei richtiger Einstellung wird das Gewicht des Körpers gerade
kompensiert.

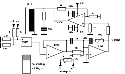
Die Ausgangsspannung des Hall Sensors SS945 wird in einem Operationsverstärker verstärkt und der Regelschaltung zugeführt. Die Ausgangsspannung der Regelstufe häng vom Hall-Signal und dem eingestellten Arbeitspunkt ab. Die Regelverstärkung und Zeitkonstante wird mit einem weiteren Poti eingestellt. Da die Magnetspule höhere Ströme von bis zu 300 mA benötigt wird ein Leitungsverstärker in die Regelschleife geschaltet. Der TDA 2040 ist zwar eigentlich für NF-Verstärker gedacht eignet sich aber auch gut als Gleichspannungsverstärker für Servozwecke. Wichtig ist die Beschaltung des Ausgangs mit der RC-Kombination (1 Ohm, 220 nF) um hochfrequente Schwingungen zu verhindern. Auch die beiden 100 nF Kondensatoren direkt an den Betriebsspannungsanschlüssen des IC's dienen diesem Zweck. Die Magnetspule wurde aus einem alten Ventil (12V) gewonnen. Der Kern ist eine M-10 Eisenschraube auf die am unteren Ende direkt der Hallsensor geklebt ist.

Als Schwebekörper wird ein kleiner Magnet aus einem Lautsprecher verwendet. Überden Magnet wurde ein Stück Schlauch geschoben so wird ein Kippen des Magnets verhindert. Natürlich kann ein attraktiverer Körper verwendet werden, z.B. kann man den Magnet in einen Tischtennisball einkleben. Die Einstellung der Elektronik ist schwierig, hat man aber den richtigen Arbeitspunkt gefunden schwebt der Magnet stundenlang und kleine Störungen werden gut ausgeregelt.

Literatur: Experimente mit Electric Guns