
Sitzen
Sie auch schwitzend in Ihrem Büro? Bei Außentemperaturen von über 30° C
im Juni oder Juli kommt das sicher des Öfteren vor. Umweltbewusst wie
wir sind, kommt für uns eine Klimaanlage natürlich nicht in Frage,
außerdem ist kalte Luft ohnehin ungesund. Hier soll eine Lösung
vorgeschlagen werden, die das Problem elegant löst: Die Solarkühlung.
Das
Prinzip ist einfach. Die Sonnenstrahlung, die unsere hohe
Bürotemperatur verursacht, wird genutzt um einen Ventilator anzutreiben,
der uns dann angenehm kühlt. Wir wollen uns zunächst mit einer kleinen
Version dieser Anlage zufrieden geben. Diese reicht aber nach ersten
Erfahrungen durchaus für eine angenehme Kühlung aus. Zuviel Luftbewegung
ist ohnehin unangebracht, wenn sich auf dem Schreibtisch wichtige
Unterlagen türmen.
Die einfachste Lösung wäre natürlich, einen Solarmotor mit einem Propeller zu versehen und ihn dann an eine Solarzelle anzuschließen. Die Solarzelle wird ans Fenster gestellt uns sobald uns die Sonne einheizen will, dreht sich der Ventilator wie von Geisterhand und verschafft uns Kühlung.
Die folgende Abbildung zeigt einen solchen Solarmotor mit einem aufgesteckten Propeller. Einfache Propeller bekommt man preisgünstig in jedem Modelbaushop. Die Halterung wurde aus Plexiglas- bzw. Polycarbonatglas-Resten aufgebaut.
Ähnlich simpel kann man sich einen formschönen Solarzellenhalter herstellen. Benutzt wurden hier Hüllen von CDs bzw. Disketten. Mit einfachen Mitteln kann so der Anstellwinkel zur Sonne optimiert werden.

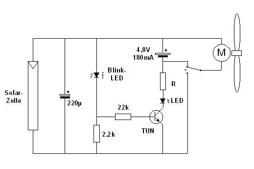
Eine wesentliche Verbesserung der „Solarkühlanlage" ergibt aber sich durch eine sogenannte Akkupufferung: Wenn der Ventilator nicht läuft, wird die Solarenergie in einem kleinen Akku zwischengespeichert. So haben wir auch dann, wenn sich die Sonne hinter einer Wolke versteckt, ausreichend elektrische Energie für unsere Ventilator-Kühlung. Man kann hier die folgende einfache Schaltung benutzen, ähnliche Schaltungen und weitere Informationen dazu sind in [1] zu finden:
Diese
Ladeschaltung hat sogar den Vorteil, dass der Akku (hier 4,8V, 180 mAh)
nicht kontinuierlich geladen wird, sondern mit Impulsladung. Dadurch
kann die Lebensdauer des Akkus deutlich erhöht werden. Bei NiMH-Akkus
ist das zwar weniger wichtig, wer aber noch (alte) NiCds einsetzen will
sollte darauf nicht verzichten.
Nachfolgen das Aufbaubild:

Zur Funktion: Die Blink-LED erzeugt einen 1- bis 2-Sekundentakt, der den Transistor steuert. Die zweite LED zeigt den Ladestrom an. Dadurch kann man auch immer schön erkennen, ab wann die Sonnenintensität ausreicht, um den Akku zu laden. Außerdem verhindert die zweite LED durch ihre Diodenwirkung ein Entladen des Akkus bei nicht ausreichend beleuchteter Solarzelle. Der Widerstand R wird so dimensioniert, dass einerseits die LED gut geschützt ist, andererseits der Ladestrom noch effizient genutzt wird, d. h. Werte zwischen 10 und 200 Ohm sind hier angemessen. TUN ist ein Universal NPN-Transistor (z. B. BC238 o. Ä.).
Bei maximaler Sonneneinstrahlung liefert die verwendete Zelle sogar genug Leistung, um den Ventilator ordentlich „pusten" zu lassen und gleichzeitig noch den Akku zu laden.
Mit dem Schalter lassen sich drei Betriebsarten wählen:
1) Ventilator aus
2) Ventilator im Solarzellenbetrieb
3) Ventilator im Akkubetrieb
Der Akku wird dabei in allen Betriebsarten geladen sobald die Lichtintensität ausreicht.
Die folgende Abbildung zeigt den Gesamtaufbau der „Solarkühlanlage":
