
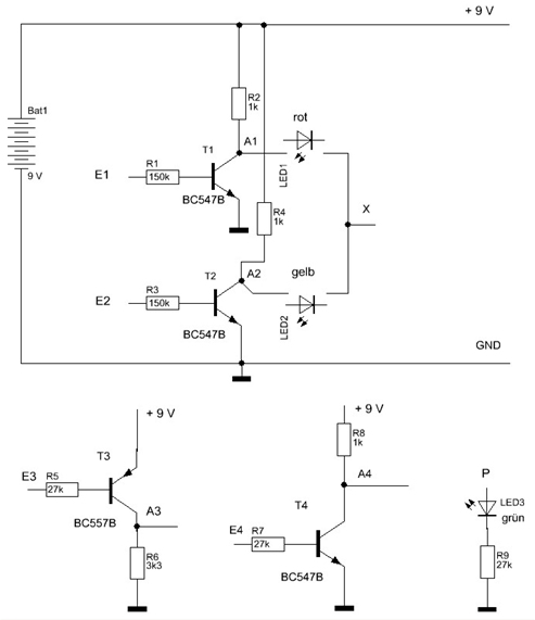
Mit den Bauteilen aus dem Elektronik-Adventskalender lassen sich, wie ich beim Experimentieren herausfand, auf dem vorhandenen kleinen Experimentier-Steckboard z. B. die folgenden Schaltungen aufbauen.
In
ihnen wird der jeweilige Transistor als Schalter verwendet. Ohne eine
Ansteuerung durch Verbinden von E1 (E2, E4) mit +9V fließt bei keinem
der drei BC547B ein Basisstrom und damit auch kein Strom über die
Kollektor-Emitter-Strecke. Diese verhält sich wie ein geöffneter
Schließer-Kontakt eines Relais. Fließt bei einem der npn-Transistoren
ein Basisstrom, wird ihre Kollektor-Emitter-Strecke niederohmig und
wirkt damit wie ein betätigter Schließer-Kontakt eines Relais.
Beim
pnp-Transistor BC557B ist für eine Ansteuerung der Eingang E3 mit dem
Minuspol der Batterie zu verbinden, damit seine
Kollektor-Emitter-Strecke leitend wird.
Verbindet man die
einzelnen Transistorstufen sinnvoll mit dem im
Elektronik-Adventska-lender vorhandenen Draht und fügt zusätzlich die
beiden Leuchtdioden LED1 und LED2 ein, erhält man Schaltungen, mit denen
man die logischen Grundverknüpfungen im Experiment begreifen kann. Dies
wird im Folgenden erläutert.
Die Leuchtdiode LED3 dient dabei als Pegel-Anzeige.
Um
sicher zu sein, dass die gerade entstandene „neue" Schaltung einer
bestimmten logischen Verknüpfung entspricht, kann man eine sogenannte
Wahrheitstabelle erstellen, in der die jeweiligen Eingangs- und
Ausgangszustände als Wert 0 (LED3 leuchtet nicht) oder 1 (LED3 leuchtet)
eingetragen werden, und anschließend die eigene Tabelle mit einer in
einem Fachbuch angegebenen vergleichen.
NICHT-Verknüpfung (Negation, Inverter)
Alle
Transistoren sind als NICHT-Gatter geschaltet. Ist der Eingang E1 (E2,
E4) mit dem Pluspol der Batterie verbunden, so leitet der npn-Transistor
T1 (T2 , T4). Die jeweilige Kollektor-Emitter-Strecke wird sehr
niederohmig im Vergleich zum Kollektorwiderstand von 1 kOhm., und der
Ausgang A1(A2, A4) hat den Zustand 0 (Low-Pegel). Bleibt E1 (E2, E4)
offen oder wird mit GND verbunden, so ist der npn-Transistor T1(T2, T4)
gesperrt, und seine Kollektor-Emitter-Strecke ist im Vergleich zum
Kollektorwiderstand sehr hochohmig. An seinem Ausgang A1 (A2, A4) kann
mit dem Digital-Multimeter etwa die Spannung der Batterie gemessen
werden (Zustand 1, High-Pegel).
Bleibt der Anschluss E3 offen
oder wird mit dem Pluspol der Batterie verbunden, ist der pnp-Transistor
gesperrt. Der Widerstand der Kollektor-Emitter-Strecke ist sehr viel
größer als der Kollektorwiderstand von 3,3kOhm. An ihm fällt nur eine
sehr kleine Spannung von fast 0 V ab (Zustand 0, Low-Pegel). Wird E3 mit
dem Minuspol der Batterie verbunden, so leitet der pnp-Transistor T3,
und seine Kollektor-Emitter-Strecke wird daher sehr niederohmig im
Vergleich zum Kollektorwiderstand von 3,3kOhm. An R6 kann nahezu die
gesamte Spannung der Batterie gemessen werden(Zustand 1, High-Pegel).
Die Leuchtdiode 3 mit ihrem Vorwiderstand von 27kOhm dient als Pegelanzeige. Ist ihr Anschluss P mit einem Punkt mit High-Pegel verbunden, leuchtet sie auf.
Im Bild sind die oben beschriebenen Schaltungen auf dem Experimentier-Steckboard des Elektronik-Adventskalenders aufgebaut.

Verbindet man z. B. zwei der oben dargestellten Nicht-Gatter so miteinander, dass A1 an E4 angeschlossen ist und A4 als Ausgang der Schaltung dient, während E1 als Eingang verwendet wird, lässt sich mit der Leuchtdiode LED3, deren Anschluss P mit A4 verbunden ist, im Experiment feststellen, dass eine doppelte Negation wieder die ursprüngliche nicht negierte Größe ergibt.
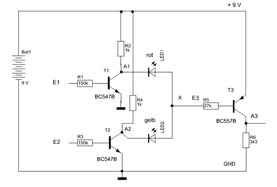
UND-Verknüpfung
Werden im Schaltungsteil oben die Leuchtdioden LED1 und LED2 in der dargestellten Richtung zwischen X und A1 bzw. A2 eingefügt, sowie x anschließend mit E4 verbunden, entsteht ein UND-Gatter. Beim Anschließen von E1 und E2 an den Pluspol der Batterie werden die Transistoren T1 und T2 leitend, und infolgedessen ist dann T4 gesperrt. An seinem Ausgang kann nahezu die Spannung der Batterie gemessen werden(Zustand 1, High-Pegel). Der Anschluss P der Leuchtdiode 3 ist mit A4 verbunden. Am Ausgang stellt sich Zustand 1 ein, wenn an beiden Eingängen Zustand 1 liegt (Verbinden von E1 und E2 mit +9V).
NAND-Verknüpfung
Schaltet man hinter das oben beschriebene UND-Gatter das noch vorhandene NICHT-Gatter, indem man A4 mit E3 verbindet und A3 anschließend als Ausgang der gerade gebildeten logischen Verknüpfung verwendet und daran die Leuchtdiode LED3 anschließt, entsteht ein NAND-Gatter. Am Ausgang A3 stellt sich Zustand 0 ein, wenn an beiden Eingängen E1 und E2 Zustand 1 liegt.
ODER-Verknüpfung
Die Leuchtdioden LED1 und LED2 sind dem folgenden Schaltplan entsprechend zwischen A1, A2 und X in die Schaltung einzufügen, und Anschluss X ist mit E3 zu verbinden.
Der pnp-Transistor T3 wird leitend, wenn
mindestens einer der Eingänge E1 oder E2 mit dem Pluspol der Batterie
verbunden ist. In diesem Fall ist der Stromkreis für die betreffende
Leuchtdiode über die Emitter-Basis-Strecke des pnp-Transistors T3, den
Widerstand R5 und die gerade sehr niederohmige
Transistor-Emitter-Strecke geschlossen, und sie leuchtet ein wenig. Am
Ausgang von T3 kann eine Spannung etwa in Höhe der Batteriespannung
gemessen werden (Zustand 1, High-Pegel). Wird Anschluss P3 der
Leuchtdiode LED3 mit A3 verbunden, leuchtet sie.
Am Ausgang A3 stellt sich Zustand 1 ein, wenn mindestens einer der Eingänge E1 oder E2
mit +9V (Zustand 1)verbunden wird.
NOR-Verknüpfung
Schaltet
man hinter das oben beschriebene ODER-Gatter das noch vorhandene
NICHT-Gatter, indem man A3 mit E4 verbindet und den Anschluss A4 als
Ausgang der gerade gebildeten logischen Verknüpfung verwendet und daran
die Leuchtdiode LED3 anschließt, entsteht ein NOR-Gatter.
Am Ausgang A4 ergibt sich Zustand 1, wenn keiner der Eingänge E1 und E2 mit +9V verbunden ist (Zustand 0).


UND-Gatter mit negiertem Eingang
Wenn
man ein UND-Gatter, wie es oben beschrieben ist, aufbaut, nun aber
dessen Eingang E2 mit dem Ausgang A3 des noch freien NICHT-Gatters
verbindet und den Eingang E3 als zweiten Eingang verwendet, während E1
wie vorher beim UND-Gatter als erster Eingang dient, erhält man ein
UND-Gatter mit negiertem Eingang.
Eingang E3 muss mit GND (Minuspol
der Batterie) verbunden werden (E3 = 0 A3 =1, da NICHT-Gatter! ), und
E1 an +9V angeschlossen werden, damit die an A3 angeschlossene
Leuchtdiode LED3 leuchtet (Zustand 1).
ODER-Gatter mit negiertem Eingang
Verbindet hingegen bei einem ODER-Gatter, das nach dem Schaltplan oben aufgebaut worden ist, den Eingang E2 mit dem Ausgang A4 des noch freien NICHT-Gatters und verwendet dessen Eingang E4 als zweiten Eingang, während man wie vorher E1 als ersten Eingang nutzt, erhält man ein ODER-Gatter mit einem negierten Eingang.
Nur im Fall, dass Eingang E1 offen bleibt (Zustand 0), während E4 an +9V angeschlossen wird (E4 = 1 A4 = 0, da NICHT-Gatter!), stellt sich am Ausgang A3 Zustand 0 ein. Dies kann mit der Leuchtdiode LED3, deren Anschluss P mit A3 verbunden ist, überprüft werden.
Der Schaltplan mit den Logik-Symbolen soll die beiden letzten Schaltungsmöglichkeiten verdeutlichen.
