
Das Prinzip des Synchrongleichrichters
Funktion des Lockin-Verstärkers
Wer
heute an vorderster Front in den Naturwissenschaften neue Erkenntnisse
gewinnen will muss oft mit sehr empfindlichen Messtechniken arbeiten.
Die Signale sind meist vom immer vorhandenen Rauschen kaum noch zu
trennen, ansonsten wären die Effekte ja schon lange gefunden worden. Für
empfindliche Messungen wird oft ein Lockin-Verstärker verwendet. Dieses
Messprinzip kann immer angewendet werden wenn periodische Signale von
einem hohen Stör- oder Rauschhintergrund getrennt werden müssen. Während
die in der Industrie und Forschung verwendeten Lockin's hoch komplexe
und sehr teure Geräte sind kann das Prinzip mit wenig Aufwand auch in
einfacheren Messgeräten implementiert werden, wie z.B. in der
beschriebene Feldmühle.
Das vereinfachte Prinzip des
Synchrongleichrichters, der wesentliche Bestandteil eines
Lockin-Verstärkers ist nachfolgend beschrieben. Wichtig ist, dass ein
zum Messsignal synchrones Referenzsignal vorliegt. Mit Hilfe eines
Inverters wird aus dem Messsignal ein um 180° Phasenverschobenes Signal
erzeugt. Ein im Takt des Referenzsignals arbeitender elektronischer
Schalter schaltet abwechselnd das Mess- und das Phasenverschobene Signal
auf den Eingang eines Tiefpasses. Ist das Synchronsignal im Takt zum
Messsignal, entsteht am Eingang des Tiefpasses eine pulsierende
Gleichspannung und am Ausgang eine geglättete Gleichspannung. Dem
Messsignal überlagerte Störspannungen, welche nicht den
Synchronbedingungen entsprechen werden durch den Tiefpass unterdrückt.
Je länger die Zeitkonstante dieses Tiefpasses ist um so besser werden
Störungen unterdrückt. Eine große Zeitkonstante erhöht aber auch die
Reaktionszeit des Gerätes auf Änderungen des Messsignals, die
Zeitkonstante muss an das Messproblem angepasst werden.
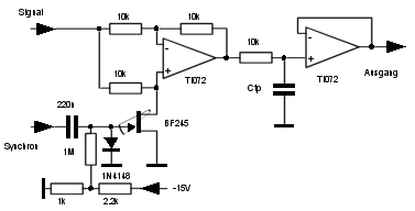
Ein
einfacher Synchrongleichrichter kann mit nur wenigen Bauteilen
realisiert werden. Der erste Operationsverstärker arbeitet je nach
Zustand des Fet-Transistors als invertierender oder nicht invertierender
Verstärker. Leitet der Fet ist der + Eingang des OP's mit der Masse
verbunden ist und der OP arbeitet als normaler invertierender Verstärker
mit einfacher Verstärkung. Sperrt der Fet arbeitet der OP als nicht
invertierender Verstärker mit ebenfalls einfacher Verstärkung. Am
Ausgang erhält man dann die gewünschte pulsierende Gleichspannung. Auf
die Schaltstufe folgt ein passiver Tiefpass. Der zweite OP dient nur zur
Impedanzwandlung des hochohmigen Tiefpasses auf normale Werte. Da der
verwendete Sperrschicht-Fet BF245 eine negative Gatespannung verlangt
wird das Gate über eine Kapazität mit den Synchronpulsen angesteuert.

Einfacher Synchrongleichrichter
Noch einfacher, aber etwas teurer wird die Realisierung des Gleichrichters mit speziellen Ic's zur Signalverarbeitung z.B. mit dem AD 630 von Analog Device. Die integrierte Schaltung beinhaltet in einem 20 poligen Dil-Gehäuse alle notwendigen Funktionen eines Synchrongleichrichters.

Einfacher Lockin-Verstärker mit dem AD630 (aus Datenblatt AD630 Analog Device)
Das Datenblatt des Bausteins zeigt einige Anwendungsschaltungen, unter anderem eine einfache Verstärkerschaltung mit der ein Signal wieder gewonnen wird, das in einem 100000 größeren Rauschsignal verborgen ist. Man sieht das große Potenzial dieser Messtechnik.
Messungen mit dem Lockin-Verstärker
Vielfach findet der Lockin-Verstärker in der optischen Messtechnik Anwendung.
Ein typischer Versuchsaufbau zeigt das folgende Bild.

Optische Messung mit dem Lockin-Verstärker
Der
Lichtstrahl wird durch eine rotierende Chopperscheibe periodisch
unterbrochen, am Ausgang der Fotozelle entsteht dann ein
Wechselspannungssignal. Das Synchronsignal für den Lockin-Verstärker
wird mit einer Lichtschranke an der Chopperscheibe abgenommen.
Sowohl
das Rauschen des optischen Empfängers wie auch Störungen durch
Umgebungslicht werden durch die Lockin-Technik eliminiert.
Die
der folgenden Schaltung können magnetische Eigenschaften verschiedener
Proben gemessen werden. Wird eine magnetische Probe hin- und herbewegt
erzeugt sie in einer umgebenden Spule eine Induktionsspannung deren Höhe
unter anderem von der Magnetisierung abhängt. Für den einfachen Aufbau
wird die Probe in einem Strohhalm befestigt und dieser mit einem kleinen
Lautsprecher in einer Messspule hin- und herbewegt. Die Messspule
steckt in einer größeren Spule mit der ein Gleichfeld zur Magnetisierung
der Probe erzeugt wird. Die in der Messpule induzierte Spannung ist
sehr klein weshalb zu ihrer Messung die Lockin-Technik verwendet wird.
Die den Lautsprecher antreibende Wechselspannung dient als
synchronspannung für den Lockin-Verstärker.
Zur Messung der
Magnetisierungskurven wird der Strom in der äußeren Spule verändert und
die gemessene Induktionsspannung notiert. Die aufgenommenen Datenpaare
ergeben dann die Magnetisierungskurve.

Magnetometer, VSM (vibrating sample magnetometer)
Der Verfasser testete drei Proben, eine Nickelfolie, ein Streifen metallisches Glas aus einer Diebstahlsicherung und einen Tropfen Ferrofluid-Flüssigkeit. Die Nickelfolie zeigt die übliche Hysteresekurve. Das amorphe, metallische Glas zeigt ein extrem weichmagnetisches Verhalten mit äußerst schmaler Hysteresekurve. Das Ferrofluid hat keine Hysterese sondern die Kurve geht für negative und positive Magnetisierung durch den gleichen Nullpunkt

Magnetisierungskurven