
Endlich werden die Tage etwas wärmer, da macht auch das Radfahren am Abend wieder Spaß. Nur leider war das Rücklicht kaputt, Lampe durchgebrannt. Das Fahrradgeschäft ist zwar gleich nebenan aber schon geschlossen. Im Labor finden sich mehrere Glühlämpchen der richtigen Größe, aber alle für kleinere Spannungen. Was kann man da machen?
Es war noch eine Tüte superhelle rote LEDs da, die im Tesla-Lernpaket für den Nachweis von Hochfrequenzströmen ausgesucht worden waren. Und Widerstände sind natürlich auch immer reichlich vorhanden. Also habe ich das Glas zerbrochen und eine LED-Rücklichtbirne gebaut.

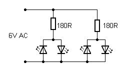
Weil Wechselspannung anliegt müssen immer zwei LEDs antiparallel geschaltet werden. Den Vorwiderstand von 180 Ohm habe ich Pi mal Daumen geschätzt. Mal überlegen, wenn die LED 2 V hat und am Dynamo gerade 6 V anliegt, ist der Spannungsabfall 4 V, der Strom also 22 mA. Tatsächlich ist die Spannung in den Spitzen höher. Aber dafür wechseln sich je zwei LEDs zeitlich ab, so dass im Mittel nur der halbe Strom fließt. Wenn man langsam fährt ist ein sternförmigen Wechselblinken zu sehen. Zusammen dürfte ein mittlerer Strom von 50 mA fließen, also halb so viel wie durch die Glühlampe. Passt schon irgendwie. Und das LED-Rücklicht wird nie mehr durchbrennen. Nur die Bauhöhe ist noch nicht optimal. Weil aber die rote Abdeckung ohnehin schon gebrochen war konnte ich die Sache mit etwas Isolierband passend machen. Das Leuchtergebnis ist jedenfalls sehr gut, wenn auch die Allgemeine Straßenverkehrszulassung noch fehlt. Das Rücklicht ist etwas heller als mit der Glühlampe. Die gesparten 50 mA kommen dem Scheinwerfer zugute. Hoffentlich brennt der nicht auch bald durch, sonst muss ich mit einer Power-LED ran.
Nachtrag 2019: Zehn Jahre später funktioniert das Rücklicht noch immer unverändert gut.