
Der
etwas seltsame Name dieses Geräts zur Messung elektrostatischer Felder
beschreibt schon seine Funktionsweise. Bei einer Feldmühle wird das zu
messende Feld gewissermaßen zerhackt, gemahlen. Das geschieht durch
einen rotierenden Flügel welcher vor einer Messelektrode rotiert.
Dadurch wird die Elektrode abwechselnd dem Feld ausgesetzt und wieder
vom Feld abgeschirmt. Durch diesen Wechsel entsteht an dieser Elektrode
eine Wechselspannung deren Frequenz der Rotation des Flügels entspricht
und deren Amplitude dem anliegenden Feld proportional ist. Diese
Wechselspannung wird verstärkt, anschließend gleichrichtet, und die
erhaltene Gleichspannung angezeigt.
Im Gegensatz zu den
meisten Messgeräten entnimmt die Feldmühle dem Messobjekt keine Energie
zur Messung, ist also rückwirkungsfrei. Die zur Messung benötigte
Energie stammt allein aus der Bewegung des Rotors.
In der Praxis
werden zur Messung zwei Elektrodenpaare und ein Flügel mit zwei Sektoren
verwendet. Der streng symmetrische Flügel hat keine Unwucht, welche bei
höheren Drehzahlen störend wirkt. Eine hohe Drehzahl ist anzustreben,
da durch die höhere Frequenz die Zeitkonstanten im Gleichrichter klein
ausfallen können was wiederum eine kurze Messzeit bewirkt. Zur
Aufbereitung und Messung der Wechselspannung wird das Prinzip des
Synchrongleichrichters verwendet. Durch diese, auch als
Lockin-Verstärker, bezeichnete Schaltung bleiben Störungen, welche
leicht durch Einstreuung von 50Hz Brummspannungen entstehen, ohne
Auswirkungen. Es ist für den Aufbau günstig, wenn der Messkopf vom
eigentlichen Messgerät getrennt wird. So kann der Messkopf von kleiner
Größe sein und gut in den Messaufbau integriert werden. Als Gehäuse für
den Messkopf dient eine Metalldose (Gewürzdose).

Die Schaltung des Messkopfes
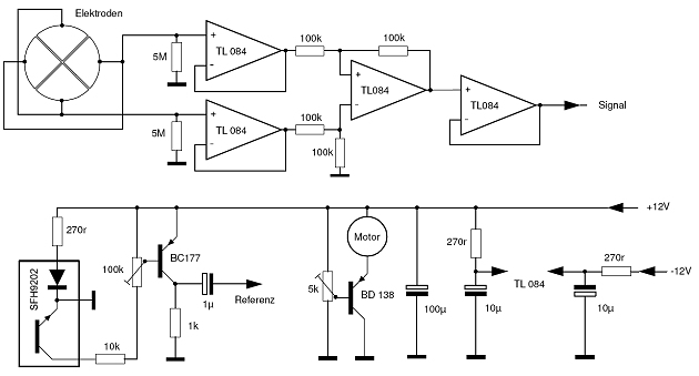
Flügel und Messelektroden werden aus Platinenmaterial ausgesägt. Der Motor zur Drehung des Flügels stammt aus einem CD-Laufwerk. Die Messelektroden bilden eine sehr hochohmige Spannungsquelle, sodass als Eingangsverstärker eine Schaltung mit hohem Eingangswiderstand verwendet wird. Auf diesen Eingangsverstärker folgt eine Differenzstufe. Dadurch wird nur die eigentliche Messspannung verstärkt. Gleichtaktspannungen und Störspannungen die auf beide Elektroden gleich wirken, erscheinen nicht oder nur stark gedämpft am Ausgang des Differenzverstärkers. Die auf den Differenzverstärker folgende Treiberstufe sorgt mit ihrem niedrigen Ausgangswiderstand für eine störarme Übertragung des Signals auch über lange Zuleitungen. Insgesamt werden für im Eingangsteil vier Operationsverstärker benötigt die beim Baustein TL 084 in einem Gehäuse untergebracht sind. Ein weiterer Bestandteil des Messkopfes ist die Reflexlichtschranke vom Typ SFH 9202, welche aus der Rotation des Flügels das für den Synchrongleichrichter benötigte Referenzsignal generiert.

Die Platinen des Messkopfes
Auf dem Bild sind die beiden Platinen des Messkopfes zu sehen. Der kleine Motor ist in ein Loch der oberen Platine geklebt. Auf der unteren Platine sitzen die Bauteile des Vorverstärkers, der Lichtschrankenelektronik und der Motorregelung.

Der sektorenförmige Flügel
Die Metallisierung der oberen Platine ist durch Ritzen mit einem scharfen Messer in vier getrennte Sektoren unterteilt. Durch das Loch auf der linken Seite blickt die Reflexlichtschranke auf die Rückseite des rotierenden Flügels. Die Rückseite des Flügels ist weiß lackiert um ein höheres Lichtschrankensignal zu erzielen. Die Metallbelegung auf der Vorderseite ist über die Motorachse mit der Gerätemasse verbunden. Die Drehgeschwindigkeit des Rotors sollte möglichst hoch sein. Der Drehzahl sind allerdings durch die unvermeidliche Unwucht Grenzen gesetzt. Mit einem Regler kann die Drehzahl auf ein passendes Maß eingestellt werden.

Der eingebaute Messkopf

Der Verlauf der Wechselspannungen im Messkopf
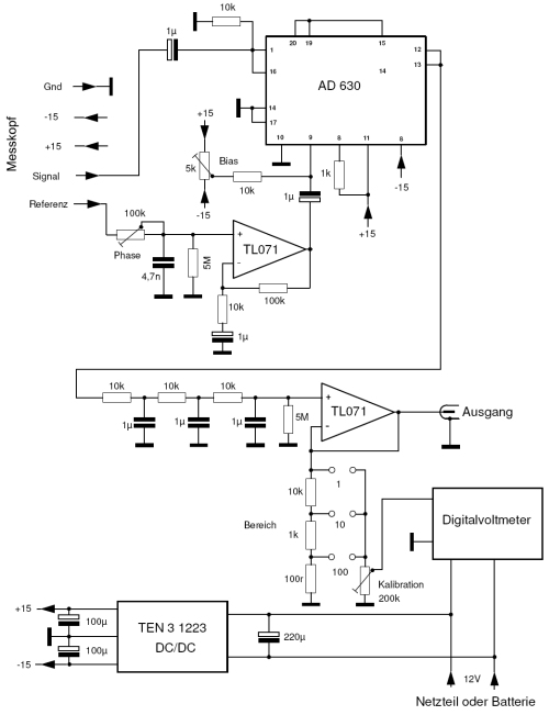
Die Oszillogramme zeigen die Signale am Ausgang des Messkopfes. Für die Funktion des auf den Messkopf folgenden Synchrongleichrichters ist es entscheidend , dass die Phasen des Mess- und Referenzsignals möglichst übereinstimmen. Deshalb sollte die Lichtschranke möglichst am Rande eines Sektors eingebaut werden. Zur Einstellung der Phasenlage ist zwischen Messkopf und Synchrongleichrichter ein Phasenschieber eingeschaltet. Als Synchrongleichrichter wird der Baustein AD 630 von Analog Device eingesetzt. Dieser IC enthält alle Bauteile, die für den Gleichrichter notwendig sind. Die am Ausgang des Gleichrichters anliegende pulsierende Gleichspannung wird mit einem dreistufigen Tiefpass geglättet. Ein anschließender Impedanzwandler sorgt für einen niedrigen Ausgangswiderstand der Schaltung.

Die Platine des Messgeräts
Zur Messwertanzeige wird ein Einbauvoltmeter verwendet. Mit einem Spannungsteiler zwischen Tiefpass und Voltmeter kann der Messbereich des Gerätes verändert werden. Hat man ein Voltmeter mit umschaltbarem Dezimalpunkt eingebaut kann dieser mit einer zweiten Ebene des Bereichschalters umgeschaltet werden. Die Ausgangsspannung des Tiefpasses wird zusätzlich an einer BNC-Buchse auf der Rückseite des Gerätes heraus geführt. An dieser Buchse kann ein externes Messgerät und ein Computer angeschlossen werden. Durch die Aufzeichnung der Messdaten mit einem Computer können auch lange dauernde Messreihen dokumentiert werden. Da die meisten Einbauvoltmeter eine Betriebsspannung benötigen die von der Messspannung galvanisch getrennt ist, wird zur Versorgung der Schaltung ein DC-DC Wandler eingesetzt. Das Gerät kann dann mit einer einfachen 9..12 Volt Spannungsquelle betrieben werden.

Die Schaltung der Patine
Die Kalibration der Feldmühle wird mit einer Elektrodenplatte vorgenommen. Diese Platte wird in einem bestimmten Abstand, z.B. einem Zentimeter vor dem Messkopf aufgestellt und auf eine Spannung von z.B. 1 kV gelegt. Anschließend wird das Einstellpoti am Einbauvoltmeter so eingestellt, dass die Anzeige eine Feldstärke von 1 kV/cm angezeigt wird. Natürlich kann die Feldmühle auch zur reinen, extrem hochohmigen Spannungsmessung verwendet werden. Dazu wird eine Elektrodenplatte isoliert vor dem Flügel montiert. Wird an diese Platte die zu messende Spannung angelegt wird kann diese über das entstehende elektrische Feld gemessen werden.
Literatur: Experimente mit elektrostatischen Phänomenen 