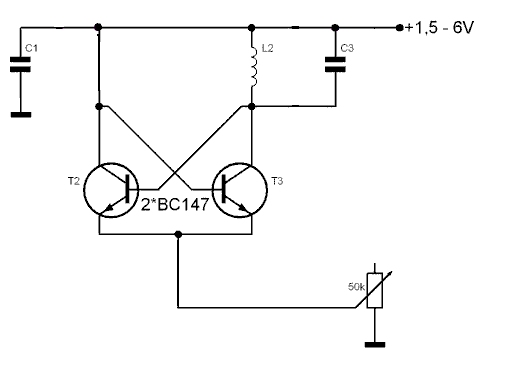
Beim Stöbern im Internet fand ich das hier:

Ein Detektor mit Entdämpfung (siehe auch: Messung an Kapazitätsdioden, wo ebenfalls diese Schaltung verwendet wurde). An sich kenne ich diese Schaltung aus den IC's MC1648, MC 12148 und 49, jeweils Verbesserungen gegenüber dem MC1648. Man kann die Innenschaltung finden, wenn man nach den Typen googelt. Auch der Philips HF Generator PM5324 verwendet dieses Prinzip.
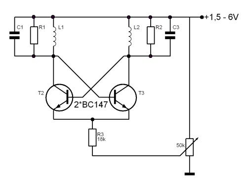
Das schöne an der Schaltung ist ja, dass ein 2-Pol Resonanzkreis genügt um einen Oszillator zu erhalten. In der Schaltung oben ist das Prinzip nicht sofort zu erkennen. Darum habe ich die Schaltung umgezeichnet.

Innerer Emitterwidersatnd Re = 1/S = 25,9 Ohm / (Ie / 1 mA)
Vbe-Vcesat = ca. 0,5 V, ergibt 1Vss max. Schwingungsamplitude
v1=R1/(2 Re), v2 = R2/(2 Re), v1 sollte möglichst gleich v2 sein.
Jetzt
sieht es fast schon wie ein Flip-Flop aus, es ist aber ein
emittergekoppelter Verstärker. Normal ist ein Basis-Kollektorknoten an +
(oder Masse, wenn pnp's verwendet werden). Da die Schaltung so
wunderschön symmetrisch ist, kam ich auf die Idee doch in jeden
Kollektorkreis einen Schwingkreis einzufügen, dann sollte ja dieser
Oszillator auf zwei Frequenzen schwingen. Das tut er auch, aber vorher
noch ein bisschen zur Schaltung.
Sowohl in R1 als auch in R2 sind die gesamten Widerstände, also Dämpfungswiderstand des Resonanzkreises incl. Dämpfung durch die Parallelschaltung des Eingangswiderstandes durch den jeweiligen Transistor includiert.
Wie bekannt hat ein bipolarer Transistor bei 1 mA eine Steilheit von 39 mA/V als Naturkonstante dieser Technologie. Bei 1/10 mA also 3,9 mA/v usw. Der Kehrwert davon ist der im Schaltbild erkennbare „innere Emitterwiderstand" Re. Die Verstärkung ist jetzt das Verhältnis von Impedanz im Kollektorkreis, bei Resonanz der Resonanzwiderstand, zur Summe der beiden Re's.
Man kann also durch die Einstellung mit dem Potentiometer den Arbeitspunkt in einem weiten Bereich regeln.
Zum
Schwingeinsatz muss die Verstärkung knapp >1 sein. Die theoretisch
max. erzielbare Verstärkung ist identisch mit der Stromverstärkung der
Transistoren im jeweiligen Arbeitspunkt. Für einen Schwingkreis im
MW-Bereich mit einem Q von ca. 100 genügen wenige uA um Schwingeinsatz
zu erzielen.
Die Aussteuerbarkeit dieses Oszillators ist sehr gering siehe Schaltbild: Vbe - Vcesat und damit ist der lineare Bereich nur einige 100 mV.
Erweiterung für zwei Frequenzen

Wenn der Oszillator also auf 2 Frequenzen schwingen soll, muss man auf etwa gleiche Verstärkung für beide Resonanzfrequenzen achten. Im Bild, schlecht zu erkennen, ist bei der 330 uH Spule ein Widerstand zu sehen, mit dem ich die Verstärkung abglich.

Jetzt
ist nur noch die richtige Stromeinstellung zu finden.Die folgenden
Bilder zeigen die Frequenzen, einmal getriggert CH1 und einmal CH2


Steuert
man den Oszillator weiter aus, dann kommt man bald in den nichtlinearen
Bereich und dadurch bedingt schwingen beide Resonanzkreise nicht mehr
unabhängig, sie synchronisieren sich, bei geeignetem Verhältnis der
Frequenzen.
