
Röhrentechnik im Zeitalter der Mikroprozessoren und digitalen Signalverarbeitung? Zugegeben die Zeit der Röhrentechnik im klassischen Elektronikbereich ist längst vorbei. In Spezialgebieten hat sie sich aber bis heute gehalten und auch eine kleine Gruppe von Musikfreunden schwört auf den Sound von Röhrenverstärkern. Letztere sind für viel Geld in einschlägigen Geschäften oder als aufwendige Bausätze zu haben. Deshalb soll hier ein einfacher Lautsprecherverstärker, wie er früher in jedem Radio, Tonband- oder Fernsehgerät vorhanden war, beschrieben werden. Die Bauteile dafür dürften auf manchem Dachboden in längst ausgedienten Geräten zu finden sein. Wenn sich der Verstärker weder in der Leistung noch im Design mit den mehreren hundert oder gar tausend Mark teuren Verstärkern des Marktes messen kann, wird er trotz allem den typisch warmen Röhrensound von sich geben. Zudem stellt er ein schönes Bastelprojekt dar und möchte zum Experimentieren einladen.
Doch zunächst einige Anmerkungen zur Elektronenröhre generell:
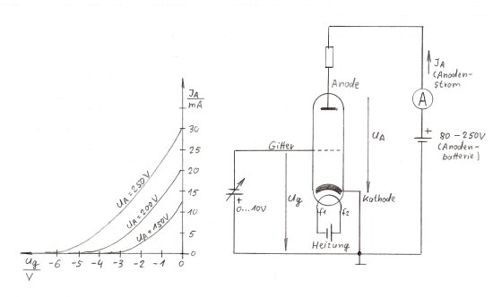
Bis
zur Entwicklung des Transistor 1948 und bis zu seiner Serienreife
(zunächst als Germaniumtransistor) war die Röhre das
Verstärkerbauelement in der Elektronik schlechthin. Die Röhre hat in
ihrer einfachsten Ausführung als Triode die Anschlüsse Kathode, Anode
und Gitter. Die Kathode wird mit dem negativen Pol, die Anode mit dem
Pluspol einer Gleichspannungsquelle (80 ... 200 V) verbunden.
Gleichzeitig wird das Kathodenblech durch eine Heizwicklung stark
erwärmt. Diese Erwärmung führt dazu, dass an der Kathode freie
Elektronen in das Vakuum der Röhre austreten und zur positiven Anode
wandern (physikalische Stromrichtung). Zwischen der Kathode und der
Anode befindet sich das Gitter, welches man sich wie ein Sieb vorstellen
muss. Legt man nun an dieses Gitter eine gegenüber der Kathode negative
Spannung an, so werden die Elektronen mehr oder weniger auf ihrem Weg
zur Anode gehindert. Je negativer das Gitter ist, um so mehr werden die
Elektronen zur Kathode zurückgedrängt, um so weniger Strom fließt durch
die Röhre. Es ist somit möglich den Anodenstrom durch eine mehr oder
weniger große negative Spannung am Gitter leistungslos zu steuern. Wir
sehen hier deutlich die Parallelen zum Transistor, nur dass dort die
Ansteuerung (Basisstrom) nicht leistungslos erfolgt. Der bipolare
Transistor kann daher nur bedingt mit der Röhre verglichen werden. Erst
mit dem Feldeffekttransistor war ein Bauelement geschaffen, das wieder
eine leistungslose Ansteuerung ermöglichte.

Bezeichnung der Röhren z.B. ECL 86
Der
erste Buchstabe steht für die Heizungsart der Röhre. Das E bezeichnet
eine Parallelheizung mit 6,3 V Heizspannung. Dies bedeutet, dass bei
Geräten mit mehreren Röhren die Heizwendeln parallel an eine vom
Netztransformator bereitgestellte Wechselspannung mit 6,3 V
angeschlossen wurde. In Fernsehgeräten (wo man wesentlich mehr Röhren
benötigte) kamen sogenannte P Röhren (z.B. PL86) zum Einsatz. Hier steht
das P für eine Serienheizung mit 300 mA. Dazu wurden die
Röhrenheizungen einfach in Reihe geschaltet, mit einem Vorwiderstand
versehen und direkt an die 230 V Netzspannung angeschlossen. Die
weiteren Buchstaben geben den Röhrentyp an. Das C steht für eine Triode,
das L für eine Pentode. Für die Lautsprecherverstärker in
Rundfunkgeräten, Tonbandgeräten usw. wurden sehr oft die Röhren EL 86,
ECL 86 oder ähnliche eingesetzt. Bei der ECL sind zwei Röhrensystem in
einem Glaskolben integriert (eine Triode für den Vorverstärker und eine
Pentode für die Endstufe), während die EL eine reine Pentode darstellt.
Klasse A Lautsprecherverstärker
Wenn
man heute einen einfachen Röhrenverstärker aufbauen möchte, so dürfte
die Bauteilbeschaffung nicht ganz einfach sein. Für unseren kleinen
Verstärker wird man die Bauteile aber wie bereits erwähnt in
ausgedienten Radios oder Tonbandgeräten finden. Alte Fernsehgeräte sind
da weniger ergiebig, da dort die P-Röhren zum Einsatz kamen. Die
wichtigsten Bauteile, die wir uns beschaffen müssen, sind der
Netztransformator, ein Gleichrichter, 350 V spannungsfeste
Elektrolytkondensatoren, ein Ausgangsübertrager und natürlich die Röhre.
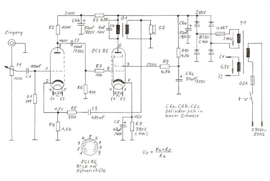
Hier das Gesamtschaltbild des Verstärkers. Der Netztransformator
liefert eine Wechselspannung mit ca. 210 V, welche durch einen
Brückengleichrichter (wenn man seine Schaltung entsprechend der 60er
Jahre aufbauen möchte, verwendet man dazu einen Seelengleichrichter)
gleichgerichtet, und mit dem Kondensator C6a gesiebt. C6a/b/c besteht
aus drei Kondensatoren in einem Gehäuse, die alle eine
Spannungsfestigkeit von 350 V haben müssen. Neben der so gewonnenen
Anodenspannung liefert der Transformator passend für E-Röhren die
Heizspannung mit 6,3 V, die direkt auf die Heizwicklung der Röhre(n)
geschaltet wird.

Die
eigentliche Endstufe ist mit der Pentode aufgebaut. Im Anodenkreis
liegt als Arbeitswiderstand der Ausgangsübertrager, welcher den
niederohmigen Lautsprecher für die Röhre herauftransformiert. Der
Arbeitspunkt der Röhre wird durch den Kathodenwiderstand R8 und den
Gitterwiderstand R6,R7 bestimmt. Durch den Anodenstrom wird sich an R8
ein Spannungsabfall von ca. 16 V einstellen. Dadurch aber, dass das
Gitter über R6, R7 auf 0 V liegt, ergibt sich effektiv am Gitter eine
gegenüber der Kathode negative Spannung. Eine Pentode hat noch zwei
weitere Gitter. Dies sind das Bremsgitter, welches intern an die Kathode
gelegt ist und das Schirmgitter, das über das RC Glied R10, C6c ca. 220
V erhält. Das Eingangssignal wir über C1 dem mit einer Triode
aufgebauten Vorverstärker zugeführt. Auch hier erfolgt die
Arbeitspunkteinstellung mit dem Kathodenwiderstand R4. Der Verstärker
weist eine Spannungsgegenkopplung "über alles" vom Ausgangsübertrager
auf den Kathodenwiderstand der Triode auf. Durch diese Gegenkopplung
werden die Verzerrungen klein gehalten und die Spannungsverstärker auf
(R4+R5)/R4 festgelegt. Es ergibt sich somit eine Spannungsverstärkung
von 23, so dass für 2 Watt Ausgangsleistung eine Eingangsspannung mit
ca. 150 mV benötigt wird. Durch die Gegenkopplung "über alles" erhalten
wir nicht nur eine definierte Verstärkung sondern auch wenig
Verzerrungen. Es ist noch wichtig zu erwähnen, dass der Lautsprecher
fest am Ausgangsübertrager angeschossen wird, da Röhren nicht im
Leerlauf betrieben werden dürfen.
Spannungsfeste Kondensatoren
Dass
in der Röhrentechnik die Betriebsspannungen etwas höher als heute
üblich sind, haben wir schon gesehen. Neben den Siebkondensatoren C6A,
C6b und C6c ist auch der Koppelkondensator C2 zwischen Vorverstärker und
Endstufe mit 150 V beansprucht. Daher muss auch hier ein 250 V
Kondensator eingesetzt werden. Ganz dicke kommt es beim C4 parallel zum
Ausgangsübertrager. Dieser Kondensator muß ein 1000V Typ sein. Wenn man
Glück hat, befindet sich solch ein Kondensator bereits an der
Anschlussleiste des Ausgangsübertrager angelötet.
Mechanischer Aufbau
Diese
kleine Schaltung lässt sich leicht in freier Verdrahtung ausführen.
Dazu bietet es sich an, auf einer Lochrasterplatine einen Röhrensockel
und die restlichen Bauteile zu plazieren. Der Transformator,
Gleichrichter und die Siebkondensator waren bei mir bereits auf einem
Metallchasis montiert, dessen Verdrahtung ich etwas angepasst habe. (Der
frühere Spannungswahlschalter für 110/127 V konnte entfallen). Die
Transformatoreinheit wurde bei mir unabhängig von der eigentlichen
Röhrenschaltung montiert, so dass dieses "Netzteil" auch für andere
Experimente zur Verfügung steht und an der eigentlichen Röhrenschaltung
leicht experimentiert werden kann. Bild 3 zeigt den Aufbau der
Komponenten vor dem Einbau in die Lautsprecherbox. Für die Endmontage
wurde in die Rückwand der Box eine Chinchbuchse eingebaut und eine
Kabeldurchführung für die Netzzuleitung angebracht. Es empfiehlt sich in
der Rückwand (unten und oben) einige Lüftungsbohrungen anzubringen,
damit die entstehende Wärmen abfließen kann und in der Box kein
Hitzestau entsteht.
Sicherheitsvorkehrungen
Zum
Schluss sei noch einmal darauf hingewiesen, dass die Schaltung aus dem
230 V Netz betrieben wird. Darum sind unbedingt die einschlägigen
Sicherheitsmaßnahmen einzuhalten. Insbesondere ist darauf zu achten,
dass der Netztransformator den einschlägigen Sicherheitsanforderungen
entspricht und die notwendigen Isolationsvorkehrungen getroffen werden
müssen, um Schutzklasse II "Schutzisolierung" zu erreichen. Wegen der
hohen Anodenspannung (Gleichspannung !!!) und hohen Betriebstemperatur
der Röhre ist besondere Vorsicht geboten.