
Im zweiten Versuch ging es noch einen Schritt weiter. Es musste getestet werden, ob man tatsächlich das 12-MHz-Quarzsignal des USB-Soundadapters als Takt für den Controller nehmen kann. Diesmal wurde ein Mega32 auf einem STK500 eingesetzt, weil hier das Taktsignal über einen Jumper zugeführt werden kann. Also ein Draht an einen der Quarzpinne, Anschluss an den Takteingang des Controllers - klappt!

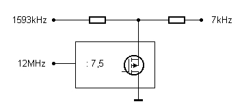
Aber es geht noch weiter: Ein Prozessorport eines ARV-Controllers kann nämlich sogar direkt als HF-Mischer eingesetzt werden. Im Prinzip braucht man dazu ja nicht mehr als einen einzelnen FET, der im Takt des Oszillatorsignals geschaltet wird. Ein solcher FET-Mischer ist z.B. im Elektor-DRM-RX verwendet worden. In diesem Fall muss man nur statt des Port-Bits das Port-Direction-Bit umschalten. Der Port ist dann abwechselnd ein hochohmiger Eingang oder ein niederohmiger Ausgang im Low-Zustand. Mit anderen Worten, nur der untere FET des Brückentreibers wird ein- und ausgeschaltet. Hier wurde der Port B.0 ausgesucht.
Do
Ddrb.0 = 1
$asm
nop
$end Asm
Ddrb.0 = 0
$asm
nop
nop
$end Asm
Ddrb.0 = 1
$asm
nop
$end Asm
Ddrb.0 = 0
Loop
Nun braucht man nur noch zwei Widerstände, und fertig ist der ganze HF-Mischer. Der Test hat aber gezeigt, dass ein HF-Vorverstärker nicht schaden könnte. Außerdem soll dass ganze im Endausbau möglichst mit dem viel kleineren ATtiny13 auskommen.