
Kann man ein Röhrenaudion bauen, das seinen Rückkopplungsregler sozusagen selbst bedient? Die Idee ist es, bei starken Signalen die Rückkopplung automatisch zurückzunehmen. Ein Regelkreis soll dafür sorgen, dass die HF-Spannung am Eingang der Röhre konstant ist.
Ausgangspunkt
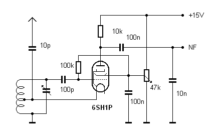
der Schaltung war eine Pentodenaudion mit der 6SH1P. Der
Kurzwellen-Schwingkreis hat je nach Frequenz eine ganz unterschiedliche
Dämpfung. Der Rückkopplungsregler muss daher für jede Frequenz anders
eingestellt werden.

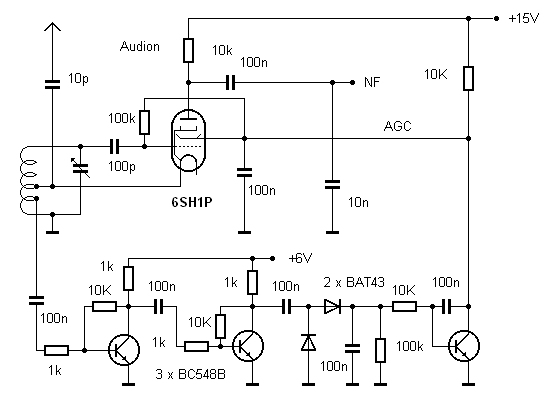
Der AGC-Regelkreis besteht aus einem HF-Verstärker, einem Gleichrichter und einem Integrator. Aus dem Schwingkreis wird etwas HF ausgekoppelt und um ca. 40 dB verstärkt. Ein Gleichrichter mit zwei Schottky-Dioden erzeugt eine Gleichspannung, die den letzten Transistor ansteuert. Bei hoher HF-Spannung wird die Spannung am Gitter 2 reduziert. Bei geeigneter Dimensionierung des Regelkreises stabilisiert sich die Amplitude des HF-Signals auf ca. 1 V am Ausgang des HF-Verstärkers. Am Eingang liegt dann ein HF-Signal von ca. 10 mV. Die Spannung am Steuergitter der Röhre liegt je nach Wicklungsverhältnis bei 100 mV bis 200 mV, also gerade richtig für ein Audion.

Die Idee wurde an einem vorhandenen Röhrenaudion erprobt. Da die richtige Verstärkung und Filterung experimentell erprobt werden musste, wurde der bewährte Igelaufbau verwendet. Es gelang tatsächlich, die HF-Amplitude über den gesamten Abstimmbereich zu stabilisieren. Die Schirmgitterspannung ändert sich um mehrere Volt, wird also aktiv nachgeregelt.
Und die Empfangsergebnisse? Überall da wo keine starke Station vorhanden ist arbeitet das Audion mit angezogener Rückkopplung, also so wie man es für CW und SSB einstellen würde. Starke AM-Stationen bringen selbst genug HF-Spannung. Dann regelt sich die Rückkopplung so weit zurück, dass klarer AM-Empfang möglich ist. Und das unangenehme Phänomen bei starkem Fading, dass ein Audion plötzlich überlaut losbrüllt, löst sich ganz von selbst. Ausreichend starke Sender werden so gut ausgeregelt, dass sie immer gleich laut sind.
Einen Wermutstropfen hat in der Schaltung aber doch noch: Schwache AM-Stationen hört man meist mit viel Gepfeife. Und Stationen, die gerade stark genug sind rutschen bei starkem Fading zeitweise unter die Regelgrenze und pfeifen dann drauflos.
Fazit: Die Idee war gut, aber die ganze Sache ist in dieser Form noch nicht ausgereift. Und deshalb wurde der ganze AGC-Igel wieder ausgebaut. Nichts geht über ein manuell eingestelltes Röhrenaudion!
