My Sparrow from the scrap      

Elektronik-Labor  Projekte  AVR  Sparrow Contest                



Normally the Cheepit Sparrow is a little PCB with an ATtiny13 microcontroller and a comparator LM339. But once you understand how it works you can build it much simpler. Just use some parts from the scrap. I found a piece of a wooden board that originated from a fruit box and some thumb tags to hold the parts. The battery is from an old mobile phone, much too weak to power the phone but doing well for the sparrow. I added a little bulb rating 6 V, 100 mA serving as a fuse. So everything is safe even in case if a short. The power switch is taken from an old toy. And the audio cable is from the scrap. All the other parts could be found in the junk box, four transistors BC548A, two LEDs, two momentary switches and a few resistors and capacitors. The most expensive part was the ATtiny13, less than one dollar?

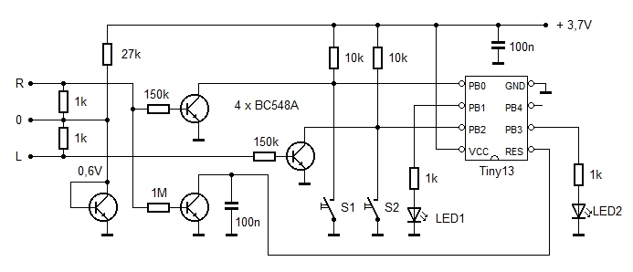
On the right you can see the microcontroller with the two LEDs and switches. Left of the battery there is the little programming interface using four transistors. Its directly connected to the audio cable. And this is the circuit diagram. 


 
The Tiny13 section with switches and LEDs equals the one in the original Sparrow. But the programing interface looks completely different. No special parts, only some transistors and resistors. All signals are inverted like with the Sparrow. When you use simple bipolar Transistors, you normally need more than 0.6 V to bring them into the conducting state. But here a bias of 0.6 V is made by the first transistor.  So you need only small signals from the audio. The bias is even temperature compensated so it will work fine from Alaska to Africa. If you happen to have transistors with higher current gain like BC547B or BC547C you should use larger base resistors. The collector voltage should be close to VCC in the idle state.

One thing has to be noticed. The signal ground of the audio interface is different to the signal ground GND of the microcontroller. There is a voltage of 0.6 V between the two. In most cases this is not a real problem since either the phone or the controller or even both of them are floating and not connected to earth.

Another thing is you have to play around a bit to find the best volume level. The real Sparrow works in a wide range of levels and can even deal with some amount of distortion. This simple circuit needs medium voltages. Just try it. It’s one of the simplest ways to program a microcontroller.

https://hackaday.io/project/4926-cheepit-sparrow-dev-boards-for-smartphones
 


Elektronik-Labor  Projekte  AVR  Sparrow Contest