Elektronik-Labor Notizen Projekte Labortagebuch
31.10.18:
Vierfarben-LED-LichterketteUwe
hat mir eine bunte LED-Lichterkette mit Batteriefach und eingebauter
Elektronik zur Untersuchung geschickt. Das Besondere daran: Alle 96
LEDs hängen an denselben zwei Leitungen. Und trotzdem entstehen die
kompliziertesten Lichtmuster mit wechselnden Blinkfrequenzen und
Überblendungen zwischen den Farben. Wie ist das möglich? Wie werden da
die Daten übertragen? Welche Art von Schaltung kann so etwas leisten?
Im
ersten Moment habe ich an ein kompliziertes Datenprotokoll gedacht, das
mit auf die Stromversorgung moduliert ist. Aber nach längerer
Betrachtung der Blinkerei ist mir aufgefallen, dass alle roten und
gelben LEDs genau im Gleichtakt leuchten, genau wie alle grünen und
blauen LEDs. Da kam mir ein Verdacht: Wenn alle roten und gelben
LEDs mit der Kathode nach unten und alle grünen und blauen LEDs mit der
Kathode nach oben angeschlossen sind, braucht man eigentlich nur noch
einen Brückentreiber, der die Leitungen treibt. Er kann dann die
Stromrichtung und damit die Farben rot/gelb und grün/blau schalten. Und
über PWM lässt sich die Helligkeit steuern. Quasi gleichzeitiges
Leuchten aller LEDs geht bis zu einem PWM-Signal mit 50%.

Dann
habe ich zwei Stecknadeln in die Leitungen gestochen und das Oszi
angeschlossen. Dank Batteriebetrieb war das Teil ja ansonsten
potentialfrei. Und siehe da, die Signale verhalten sich wie vermutet.
Es sind praktisch zwei PWM-Signale mit unterschiedlicher Stromrichtung.
Im Inneren des Geräts findet sich ein IC mit der Bezeichnung HTM3210.
Aber leider kann ich keine weiteren Informationen dazu finden.
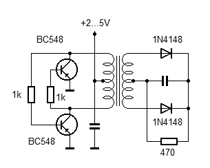
26.10.18: Ein Gegentaktwandler

Nur
mal so aus Neugier, kann ich auch so einen schönen Wandler bauen wie
den RO-1209S? Was ist da wohl drin? Es könnte ein Gegentaktwandler
sein, ungefähr die Schaltung, mit der man oft Spannungswandler von 12 V
auf 220 V/50Hz gebaut hat, nur auf einer entsprechend höheren Frequenz
und mit einem Gleichrichter am Ausgang Für meinen Versuch habe
ich vier Drähte verdrillt und zusammen auf einen Ringkern gewickelt,
der aus einer Energiesparlampe stammt. Durch korrektes Zusammenschalten
entsteht daraus ein Trafo mit Mittelanzapfungen an beiden Seiten.

Im
Prinzip funktioniert der Wandler korrekt. Bei einer Eingangsspannung
von 3 V erhalte ich 2,3 V am Lastwiderstand von 470 Ohm. Am Ausgang
fließen also ca. 5 mA. Aber am Eingang brauche ich dazu 50 mA. Ein
kümmerlicher Wirkungsgrad!

Das
Wandlersignal sieht sehr gut aus. Bei 3 V beträgt die Frequenz 40
kHz. Die Schaltfrequenz steigt ungefähr proportional mit der
Eingangsspannung an. Daraus ergibt sich auch ein Hinweis, woher der
schlechte Wirkungsgrad kommt. Jeder Transistor leitet offenbar immer so
lange, bis der Kern in die Sättigung geht. Das führt zu Verlusten. Wenn
ich den Wandler fremdgesteuert mit einer höheren Frequenz betreibe,
müsste der Wirkungsgrad besser werden.
Optimierungen von Schimmi
Der
vorgestellte Gegentaktwandler lässt sich dadurch deutlich verbessern,
dass der Mittelpunkt des Übertragers primärseitig über eine
Drossel gespeist wird. Damit müssen die Transistoren nicht mehr gegen
die Sättigung des Übertragers ankämpfen ( und verlieren ->
entsättigen). Bei steigendem Strom am Ende des Leitendzyklus der
Transistoren sinkt die Spannung an dem Mittelpunkt der Übertragers,
damit die Spannung an dem Kollektor des gesperrten Transistors und
damit auch der Basisstrom des leitenden Transistors.
Mögliche weitere Verbesserungen sind:
-
Ein kleiner Kondensator zwischen den Kollektoranschlüssen. Damit wird
der Resonanzkreis aus der Induktivität des Übertragers und dem
Kondensator zum frequenzbestimmenden Element, nicht mehr die
Übertragersättigung.
- Dioden in Sperrrichtung parallel zu den
Basis-Emitter Strecken (wichtig bei höherer Eingangsspannung um die
Basis-Emitterstrecken nicht ständig in den Zenerbetrieb zu treiben.
-
Evtl. eine Reihenschaltung aus einem kleinen C mit einem Widerstand
jeweils parallel zu den Basisvorwiderständen um das Umschalten zu
verbessern/erleichtern.
Siehe auch: Sinuswandler www.b-kainka.de/bastel37.htm, www.b-kainka.de/bastel65.htm
25.10.18:
Isolierender Spannungswandler RO-1209S
Für eine
neue Entwicklung brauchte ich eine negative Spannung von -9V, die aus +12 V
erzeugt werden musste. Übliche Schaltregler für diesen Zweck sind nicht ganz
einfach und benötigen oft mehr als eine Speicherdrossel, nämlich einen
Übertrager oder viele zusätzliche Bauteile. Ein Versuch mit einem MC2574
brachte zwar eine negative Spannung, zeigte aber auch viele Probleme. Und
deshalb bin ich bei einem integrierten Spannungswandler gelandet. Der RO-1209S
liefert eine isolierte Spannung von 9 V und ist eigentlich für Schaltungen mit
getrenntem GND üblich. Wenn ich aber den Pluspol der Ausgangsspannung an GND
lege, erhalte ich meine -9V.
Der Wandler
ist ungeregelt und liefert nominell bis 1 Watt. Aber er soll auch
kurzschlussfest sein. Ich habe ihn deshalb mal mit verschiedenen Lasten
getestet und konnte überall eine erstaunlich guten Wirkungsgrad feststellen.
Und wenn ich mal den Ausgang kurz mit bis zu 300 mA belastete, brach die
Spannung nur auf ca. 8 V ein. Im Leerlauf ist die Spannung entsprechend
größer als 9 V. Wenn ich die Eingangsspannung absenke, sinkt die
Ausgangsspannung entsprechend. Und ganz erstaunlich: Sogar bei nur 2 V am
Eingang arbeitet der Wandler noch einwandfrei. Der Wandler ist also sehr robust
und fehlersicher.
Andere Spannugnen, von Lutz, DL4OBG
Interressehalber
habe ich mal im Netz geschnüffelt, ob es andere Versionen leicht
erhältlich gibt. Sogar über ebay bekommt man sie, dort angeboten auch
z.B. von Conrad Electronic. Lt. Datenblatt gibt es sie von mit 1,8V,
3,3V, 5V, 9V, 12V, 15V und 24V, jeweils als Ein-, sowie
Ausgangsspannung! Somit eine super einfache Lösung z.b. für Varicaps
oder negative Gatespannungen für Feldeffekt-Transistoren. Eventuell, da
die Ausgangsspannung ja mit (RO max 1kV kurzzeitig, RE 2kV) isoliert
ist, könnte man 2 oder 3 Stück RO-xx24S ausgangsseitig kaskadieren für
"handliche" Anodenpannungen von z.B. 48V oder 72V, das reicht für
manche Röhrenbastelei ohne Netzstrom, und 42mA Anodenstrom wären schon
ne ganze Menge!
19.10.18:
Der Micky Maus IQ-Trainer
Beim Einkaufen habe ich zufällig dieses Heft mit einer Beilage
gefunden. Der IQ-Trainer kam mir sehr bekannt vor. Ist das nicht genau
das Spiel, das wir im Spielekalender und unter einem anderen Namen Tag 24: Senso (engl. Simon) realisiert haben?
Das hatte mir Fabian auf dem Holtek-Controller programmiert. Und eine
neue Version ist fast fertig, wo es zu einem Einzelspiel mit
erweiterten Möglichkeiten geworden ist. Da hatte Dagobert Duck die
gleiche Idee. Das hat mich neugierig gemacht.

Tatsächlich,
die Funktion ist die gleiche. Man muss zufällige Farben und Töne in
gleicher Reihenfolge nachspielen. Hier verbergen sich unter den vier
farbigen Tasten die Schaltkontakte und zugleich die LEDs. In
der Mitte gibt es noch einen Startknopf. Batterien sind schon drin, man
muss nur einen Isolierstreifen herausziehen.

Innen
findet man eine Platine mit einem vergossenen Controller und fünf
Gummitasten. Die SMD-LEDs sind extrem hell. Der Lautsprecher wird über
einen Gegentak-PWM-Ausgang mit hoher Schaltfrequenz getrieben. Es
werden analoge Sounds abgespielt. Neben den vier Tönen ist das
z.B. ein Applaus, wenn man alles richtig gespielt hat.
Elektronik-Labor Notizen Projekte Labortagebuch