| Start
Experimente
Grundlagen
Produkte
- Software
- - Elektronik
- - Lochmaster
- - sPlan 4.0
- - Archiv
Neues
Impressum
|
sPlan 4.0
Elektronik-Software von ABACOM

| Die meisten Schaltpläne in www.elexs.de wurden
mit sPlan 3.0 gezeichnet. Einfach weil es so problemlos und schnell geht.
Die neuere Version sPlan 4.0 wurde noch wesentlich erweitert. Während
bisher alle Bauteile als Bitmap vorlagen, arbeitet die neue Software Vektor-orientiert.
Das bedeutet, man kann Zeichnungen beliebig verkleinern oder vergrößern,
alle Linien bleiben glatt und behalten ihren scharfen Rand. Diesen Unterschied
bemerkt man besonders beim Ausdrucken.
sPlan ist insgesamt wesentlich professioneller geworden und richtet
sich nicht mehr allein an Hobbyanwender, sondern auch an Entwickler in
der Industrie. Der folgende Schaltplan ist als Beispiel im Paket enthalten.
|

| Die Arbeitsfläche lässt sich beliebig vergrößern
oder verkleinern. Wenn also Details bearbeitet werden sollen, kann auch
ein Teilbereich der Schaltung den Bildschirm füllen. Man kann mit
Rasterlinien arbeiten, die die genaue Platzierung von Bauteilen erleichtern. |

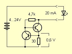
| Zum Testen wurde ein kleiner Schaltplan einer einfachen
Konstantstromquelle gezeichnet. Wie bereits in der Vorgängerversion
kann man die automatische Nummerierung der Bauteile verwenden und die vorgegebenen
Beschriftungen verwenden. Man kann sie aber auch ausschalten und die Bauteile
frei beschriften, wobei man flexibler in der Schriftgröße bleibt. |

| Für diese Schaltung war es erforderlich, ein
neues Bauteil zu definieren. Der linke NPN-Transistor sollte mit der Basis
nach rechts orientiert stehen, in der Bauteilebibliothek gab es jedoch
nur den normalen Typ. Ein neues Bauteil lässt sich jedoch leicht aus
einem vorhandenen erzeugen. Dazu wird der Bauteileeditor aufgerufen. |

| Das neue Bauteil wurde hier durch Spiegeln der Vorlage
erzeugt. Danach mussten nur noch einige Elemente der Zeichnung angepasst
werden. Für die Anschlüsse wurde ein Raster von 1 mm gewählt.
Der Emitterpfeil erforderte für seine genaue Platzierung jedoch das
1/10-mm-Taster. Der Editor definiert auch den Haltepunkt des Bauteils.
Außerdem sollte man die Position der Bauteilebeschriftungen anpassen.
Das neue Bauteil wurde nach der Bearbeitung in die Bibliothek übernommen
und steht nun für künftige Schaltpläne immer bereit. |

| Hier noch einmal ein Vergleich zu ein ähnlicher
Schaltplan aus sPlan 3.0, der allerdings farblich hinterlegt wurde. Man
sieht deutlich, dass Rundungen und schräge Linien Pixelstufen haben.
Dafür sind die Baupläne aus sPlan 3.0 sehr kompakt, sodass man
gerade für HTML-Seiten sehr effektiv arbeiten kann. sPlan 4.0 ist
dagegen eine wirkliche Erleichterung, wenn man Schaltpläne auf Papier
benötigt.
Die Software kann direkt bei ABACOM bezogen werden, dort können
auch Demos geladen werden: www.abacom-online.de
Oder man bestellt sie im Online-Shop von AK-Modul-Bus: www.ak-modul-bus.de/shop
Weitere interessante Programme von ABACOM: RealView
und ProfiLab
Expert
|
|