| Start
Experimente
- XR2206 1
- FET-Verst.
- TDA2002
Grundlagen
Produkte
Neues
Impressum
|
Funktionsgenerator XR2206
Anwendungen: Untersuchung
eines NF-Verstärkers

| Eine typische Anwendung
für einen Funktionsgenerator
ist die Untersuchung von NF-Verstärkern. Fragen nach der
Verstärkung,
der maximalen Ausgangsleistung, nach Verzerrungen und Frequenzgang
können
mit einfachen Mitteln untersucht werden. Das soll hier an einem
Verstärker
mit einem VMOS-Transistor BUZ 45 gezeigt werden. |

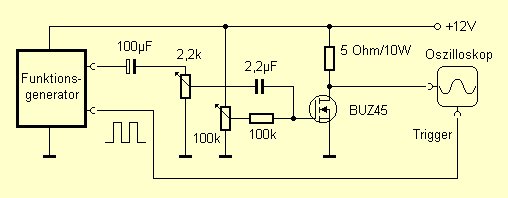
| Für den Versuch
erhält der Funktionsgenerator
ein zusätzliches Potentiometer zur Einstellung der
Ausgangsspannung,
um den Verstärker beliebig auszusteuern. Der Rechteckausgang
wird
mit dem Triggereingang des Oszilloskops verbunden. So erhält
man auch
bei kleinsten Signalspannungen immer stehende Bilder.
Der Arbeitspunkt des Klasse-A-Verstärkers
wurde mit dem 100 kOhm-Poti
auf einen Drainstrom von 1 A eingestellt. Es wurde eine Gatespannung
von
4 V gemessen. Ohne Aussteuerung ergibt sich damit eine
Source-Drainspannung
von 7 V. Am Transistor wird 7 W in Wärme umgesetzt, so dass
man schon
nicht mehr ohne einen großen Kühlkörper
auskommt. Am Ausgangswiderstand
ergibt sich eine Verlustleistung von 5 W. Mit dem Oszilloskop wird nun
die Ausgangsspannung gemessen. Zunächst sollte die
Verstärkung
bestimmt werden. Dazu wurde ein Dreiecksignal so weit ausgesteuert,
dass
am Ausgang eine Spannung von 1 Vss zu messen war.
|

Spannung am Drain, Y-Eingang AC, 0,5V/Skt, X-Einstellung
1 ms/Skt

Spannung am Gate, gleiche Einstellungen

Spannung am Gate, gemessen mit 50 mV/Skt
| Die Messungen zeigen ein
verzerrungsfreies Dreiecksignal
am Ausgang. Die Signalspannung am Eingang ist etwa zehnfach kleiner.
Für
eine genauere Messung wurde der Messbereich umgeschaltet. Man erkennt
nun
ein Eingangssignal mit 80 mVss. Daraus ergibt sich eine
Spannungsverstärkung
von ca. 12,5. Die Steilheit Des FET kann daraus für den
eingestellten
Arbeitspunkt mit 2500 mA/V bestimmt werden.
Die Schaltung eignet sich prinzipiell als
Lautsprecherverstärker.
Gegenüber einem Gegentaktverstärker hat dieser
Klasse-A-Verstärker
eine erheblich größere Verlustleistung bei
allerdings relativ
bescheidener Ausgangsleistung. HiFi-Freunde schätzen jedoch
den besonders
verzerrungsarmen Klang besonders bei leisen Musikpassagen, weil im
Klasse-A-Betrieb
keine Übernahmeverzerrungen auftreten. Beim
Gegentaktverstärker
dagegen wird jede Halbwelle von einem eigenen Transistor
verstärkt,
wobei es zu Problemen beim Übergang kommen kann, die zu
höheren
Verzerrungen gerade bei leisen Signalen führen.
|

Drainspannung, 5 V/Skt, 0,5 ms/Skt

Gatespannung, 0,5 V/Skt, 0,5 ms/Skt
| Ein wichtiges Kriterium
für einen Verstärker
ist auch, wie er sich bei Übersteuerung verhält.
Allgemein wird
es als angenehm empfunden, wenn der Verstärker "weich" in
die Begrenzung fährt und nicht etwa nur noch Rechecksignale
abgibt.
Bei einer Ansteuerung bis 10 Vss findet man diese "weiche" Begrenzung.
Zusätzlich fallen aber eigenartige Verzerrungen im mittleren
Bereich
auf. Man findet hier Bereiche mit übergroßer
Steilheit, aber
auch Einsattelungen. Auf der Suche nach den Ursachen wurde auch wieder
die Gatespannung untersucht. Hier zeigten sich dann ähnliche
Verzerrungen
schon im Eingangssignal.
Die beobachteten Verzerrungen sind auf eine starke
Rückwirkung
vom Ausgang auf den Eingang des FET zurückzuführen.
Die relativ
große Rückwirkungskapazität ist auch noch
spannungsabhängig.
Da der Verstärker hochohmig angesteuert wurde, ergeben sich
die beobachteten
Verzerrungen. Die Untersuchung hat also gezeigt, dass man einen
Power-FET
niederohmig ansteuern muss. Das ist auch leicht machbar. Wenn als
Signalquelle
ein Walkman oder ein CD-Player verwendet wird, erhält man man
ein
sehr verzerrungsarmes und gut klingendes Ergebnis. Beim direkten
Anschluss
eines Lautsprechers ohne einen Übertrager muss allerdings die
hohe
Gleichstrombelastung berücksichtigt werden.
|

Musiksignal am Ausgang, 2 V/Skt, 1 ms/Skt
|