| Start
Experimente
- RFID
- Modulation
Grundlagen
Produkte
Neues
Impressum
|
RFID-Modellversuch 2
Übertragung von NF-Signalen

| Der RFID-Modellversuch wurde so verändert, dass
man ohne einen zusätzlichen Kurzwellenempfänger auskommt. Diesmal
wurde als Modulator ein Soundchip eingesetzt, wie er in Grußkarten
verwendet wird. Die Seitenbänder liegen dann nahe beim Trägersignal,
sodass ein typisches AM-Signal entsteht. Dieses kann direkt an der Sendespule
empfangen und demoduliert werden. Das NF-Signal wird an einem Piezo-Lautsprecher
hörbar. |

| Der Soundchip wird von dem HF-Gleichrichter mit Energie
versorgt. Da er einen eigenen Taktgenerator hat, muss kein HF-Taktsignal
zugeführt werden. Das rechteckförmige Ausgangssignal steuert
die Lastmodulation. |

Der Transponder
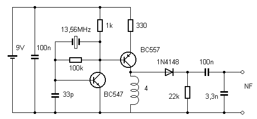
| Der 13,56-MHz-Sender wird um einen einfachen Dioden-Demodulator
direkt an der Sendespule erweitert, die hier gleichzeitig als Empfangsspule
dient. Am Ausgang findet man ein NF-Signal mit einer Amplitude von 0,2
Vss, das gerade zur direkten Ansteuerung eines Piezo-Schallwandlers reicht.
Alternativ kann hier auch ein NF-Verstärker oder eine PC-Soundkarte
angeschlossen werden. |

| Das Oszillogramm zeigt die HF-Spannung an der Sendespule.
Man erkennt die aufgeprägte Amplitudenmodulation. Bei entferntem Transponder
hört man absolut nichts. Das Gerät kann daher dauerhaft aktiv
bleiben. Nur wenn der Transponder an die Sendespule gehalten wird, erscheint
das Signal des Soundchips. |

|