Start

Experimente
- Akkus laden 1
- Akkus laden 2
- Akkus laden 3

Grundlagen

Produkte

Neues

Impressum

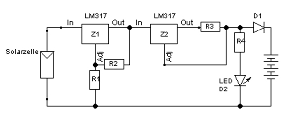
Akku-Laderegler für Solarzellen


von Fritz Wegener



Mit dem LM317 lässt sich entweder eine Spannung oder ein Strom regeln.  Hier sind beide Möglichkeiten gekoppelt, um 4 Akkus von 1,2 V mit einer  konstanten Ladespannung von 6V und einem konstanten Ladestrom von 110mA  zu versorgen. Die gewünschten Werte werden durch bestimmte Widerstände erzielt.  Hilfe: LM317-Berechner von www.dieelektronikerseite.de/Tools/LM317htm .

Bei gesetztem R2=240 Ohm und gewünschten 6V müsste R1 berechnete 912 Ohm erhalten.  R3 müsste genau genommen 11,3 Ohm betragen, um 110mA Ladestrom zu liefern. Weil an Z1 weitere Verbraucher hängen (Z2 etc.), müssen die Widerstandswerte angepasst werden!

 

Schaltplan: TinyCAD
Schaltplandesign/Gesamtdimensionierung: F. Wegener / 10-2013
( Nur zu Testzwecken für den Schulgebrauch! )

Die Schaltung wurde durch eine LED (D2) als Kontroll-Lampe ergänzt. Mit einem Vorwiderstand R4 (470 Ohm) kommt sie zwischen R3 und D1 an Minus. Die Sperrdiode D1 (1N 4004) verhindert die Entladung der Akkus. Von mir verwendete Werte: R3 mit ca. 37 Ohm liefert 110 mA Ladestrom sowie R2 mit 220 Ohm und R1 mit 945 Ohm liefern 6V Leerlaufspannung. Die Solarzelle sollte 9V/150 mA leisten. Mit 110 mA werden Nickel-Metall-Hydrid-Akkus mit 1100 mAh Kapazität / 1,2 V über einen Zeitraum von 12-15  Stunden geladen. An Stelle der Solarzelle kann man auch ein Universal-Netzteil anschließen.

Sollten die Akkus auf Grund zu langer Ladedauer überhitzen, ließe sich ein Übertemperaturwarner mit NE555 anbauen, der mit einem NTC die über die Raumtemperatur hinausgehende Wärme an den Akkus erfasst und mit einem Reed-Relais am Output den Akku-Anschluss wegschaltet. Schaltung nach Burkhard Kainka (www.b-kainka.de) in Zeitschrift Elektor, H.10/03, S. 24).




Die ursprünglich auf einer Steckplatine entwickelte Schaltung wurde am Ende auf der Steckboardplatine von AK Modul-Bus gelötet und ist nun fit für den Langzeiteinsatz.

 www.ak-modul-bus.de/stat/steckboardplatine.html