| Start
Experimente
Grundlagen
Produkte
- eDIP240-7 -- Demo -- Bascom 1 -- Bascom 2 -- Bascom 3 -- Bascom 4
Neues
Impressum
|
Steuerplatine für Touch-Display eDIP 240-7
 Das eDIP 240-7
Das eDIP 240-7 ist ein Display mit 240 mal 128
Punkten bei
einer Größe 113 mm * 70 mm, das darüber hinaus auch
noch über ein Touch-Screen-Bedienfeld verfügt. Damit lassen sich auch
eigene Geräte mit einer bequemen und interaktiven Bedienung ausstatten.
Unterseite des eDIP 240-7
Die
hier vorgestellte Steuerplatine BE-Display von Bürger-Elektronik wird
über AK Modul-Bus vertrieben und erleichtert den Umgang mit dem
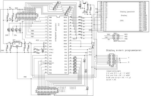
Display erheblich. Auf dem Board befindet sich ein ATmega644P mit
zahlreichen Schnittstellenanschlüssen. Das eDIP240-7 enthält
zwar bereits einen Mikrocontroller, der alle Display-Funktionen zur
Verfügung stellt. Die eigentliche Anwendung erfordert jedoch einen
Hauptcontroller. Das Display kann wahlweise über eine RS232 oder
über den I2C-Bus angesteuert werden. Beide Schnittstellen sind auf
dem Display-Board vorbereitet und können über Jumper
gewählt werden. In den meisten Fällen ist die I2C-Steuerung
günstiger, weil damit die serielle Schnittstelle des Mega644P frei
bleibt. In diesem Fall muss der I2C-Jumper gesetzt sein. |

Die Unterseite der Controllerplatine  Die Oberseite mit Anschlussleisten für das Display
Das Board verfügt über einen
5-V-Spannungsregler und wird extern mit 9 … 12 V versorgt. Ein
ISP-Stecker zur Programmierung des Controllers z.B. über das
STK500 ist seitlich herausgeführt, sodass Software problemlos
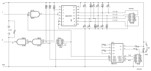
getestet werden kann. Auf der Platine befinden sich ein MAX232 und
Anschlüsse für eine serielle Schnittstelle, eine RS485 und
eine externe USB-Schnittstelle. Über zwei Jumper auf dem
Pfostenstecker BU1 kann die Verwendung der seriellen Schnittstelle
eingestellt werden. Dabei gibt es drei Möglichkeiten:
1. Der Mega32 steuert das Display über die RS232 2. Der PC erhält eine direkte Verbindung zum Display, um es zu programmieren 3. Der Mega32 kommuniziert mit dem PC
Zusätzlich
gibt es auf der Platine einen Jumper (I2C), der die Schnittstelle des
Displays festlegt: RS232 (offen) oder I2C (geschlossen).
Der Schaltplan der Steuerplatine Die Serielle Schnittstelle verfügt über drei Anschlüsse nach außen: - RS232-Schnittstelle zum direkten Anschluss an eine DB9-Buchse - RS485-Schnittstelle mit einem MAX3088 für Bus-Anwendungen - USB-Schnittstelle über einen extern anzuschließenden FT232R
Eine
logische Verknüpfung der seriellen Signale erlaubt einen gleichzeitigen
Anschluss mehrerer Schnittstellen. So könnte man z.B. ein Gerät mit
USB- und RS232 betreiben, wobei der Anwender ohne spezielle Umschaltung
zwischen den Schnittstellen wählen kann.
Die Schnittstellen Die
häufigste Anwendung der Platine liegt im Bereich Messdatenerfassung in
Prüf- und Steuergeräten. Dazu wird häufig eine große Anzahl analoger
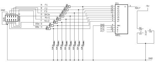
Eingänge benötigt. Der Mega644P verfügt zwar bereits über acht analoge
Eingänge. Mit einem Multiplexer 4051 wird jedoch der Kanal ADC7 auf
acht zusätzliche Eingänge umgeschaltet. Insgesamt hat das Gerät damit
15 analoge Eingänge. Alle weiteren noch freien Ports des Mega664P sind
an externe Anschlüsse gelegt und können für beliebige Aufgaben
eingesetzt werden.
Multiplexer für acht weitere Kanäle
|
weiter...
|