| Start
Experimente
- Modellbahn
- Software - WR64/RD30 - Stellwerk
Grundlagen
Produkte
Neues
Impressum
|
Weichenschalten mit dem WR64 von Hartmut Hellkötter

2 Schalten von Weichen u. Signalen.prj
Hier die Schaltung für einen
Doppelspulenantrieb: Zwei der eben beschriebenen RS
FlipFlop–Schaltung steuern die Spulen des Signal- bzw.
Weichenantriebs. |
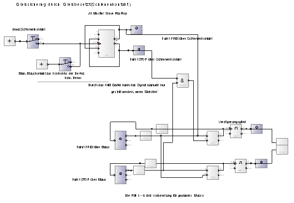
Gleibesetztanzeige mit dem RD30

3 Gleismeldungen.prj
| Das Interface RD30 von Modul-Bus mit der
Gleibesetztanzeige und Erstellung eines Makros für die
Besetztanzeige. Benutzt wird das oben erklärte D-Fliflop. |
Gleisbesetztimpulse schalten Weichen (Demo3) 4 Gleissicherung.prj


5 Macro Weichenschaltung.prj
|