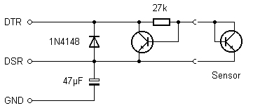
Jeder Transistor kann als
hochempfindlicher Temperatursensor eingesetzt werden. Bei gleicher
Basisspannung steigt der Kollektorstrom mit der Temperatur steil an. In der
Versuchsschaltung ergibt sich bei gleicher Temperatur etwa der gleiche
Kollektorstrom für beide Transistoren. Erwärmt man den Sensortransistor z.B.
durch leichte Berührung mit dem Finger, dann ändert sich das Verhältnis der
Ströme, und im linken Transistor fließt weniger Strom. Damit steigt die
Ladezeit des Kondensators. Umgekehrt verringert sich die Ladezeit, wenn man den
linken Transistor stärker erwärmt.


zurück