Verwenden Sie Ihren einfachen
AD-Wandler als Messwertschreiber. Untersuchen Sie z.B. die Entladung von
Batterien in einer angeschalteten Taschenlampe. Vergleichen Sie das Verhalten
unterschiedlicher Batterietypen und Akkus (welcher Typ hält die Spannung
besonders lange annähernd konstant, welcher ist besonders kostengünstig?).


Private Sub Timer1_Timer()
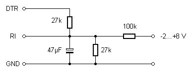
DTR 1
U = 0
TIMEINIT
While (RI() = 0) And (TIMEREAD() < 500)
Wend
TIMEINIT
For i = 1 To 1000
If RI() = 0 Then DTR 1 Else DTR 0: U = U + 1
While TIMEREAD() < i / 2
Wend
Next i
U = (U - HScroll1.Value) / HScroll2.Value
U = U * 4
Text2.Text = Format(U, "0.00") + " V "
DTR 0
Plotneu = 176 - U * 16
n = n + 1: x = n + 24
If n > 1 Then Picture1.Line (x, Plotalt)-
(x + 1, Plotneu)
Plotalt = Plotneu
If n > 424 Then n = 0
U = Int(U * 10) / 10
DTR 0
End Sub