PWM-Softblinker
Das PWM-Verfahren aus dem letzten
Programm wird auch hier wieder angewandt. Nur muss man nun nicht mehr
selbst den Schieberegler bedienen, sondern er verstellt sich selbst.
Dabei wird ein sinusförmiger Verlauf der LED-Helligkeit erreicht.
Die LED schwillt laufend an und ab. Wenn man genau hinsieht, lassen
sich noch die einzelnen Helligkeitsstufen erkennen.

Die eigentliche Steuerung der Helligkeit geschieht in der
Timer-Prozedur. Hier wird der Schieberegler selbst sinusförmig
hin- und herbewegt.
Private Sub Timer1_Timer()
t = t + 1
HScroll1.Value = 5 + Int(5 * (Sin(t / 5)) + 0.5)
End Sub
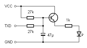
Mit etwas zusätzlichem Filteraufwand lassen sich die Schaltstufen
erheblich abrunden. Um das Tiefpassfilter nicht zu sehr zu belasten,
wird ein Transistor als Emitterfolger eingesetzt. Mit dieser Schaltung
vermittelt die LED einen "analogen" Eindruck, d. h. die
Helligkeitsänderungen sind weich und allmählich.
zurück
weiter