Ein Logikanalysator zeichnet digitale
Signale auf und ermöglicht eine Betrachtung schneller
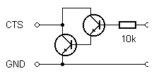
Vorgänge. Hier wird ein Kanal über den Eingang CTS eingelesen
und dargestellt. Ein Messergebnis kann in unterschiedlichen
Zeitmaßstäben betrachtet werden. Die Messung kann einmal
ausgeführt oder automatisch einmal pro Sekunde wiederholt werden.

REALTIMEFalls eine geeignete Signalquelle fehlt, kann das Programm wieder mit einem Vorverstärker getestet werden, dessen Eingang man mit dem Finger berührt. Die gemessenen 50-Hz-Signale zeigen eine Periodendauer von 20 ms, die man mit der Zeitbasis 10 ms/Skt leicht abmessen kann.
TIMEINIT
For n = 1 To 5500
Ch1(n) = CTS
While TIMEREAD < (n * 0.02)
Wend
Next n
NORMALTIME
Plot
