LED-Spannung messen


Elektronik-Labor  Notizen  Projekte  Labortagebuch  Elexs-USB





AD1.exe starten

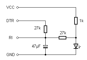
Verwenden Sie den einfachen AD-Wandler zur Messung der Durchlassspannung einer LED. Diese wird dazu mit einem Vorwiderstand von 1 kΩ an VCC gelegt. An einer roten LED wird ca. 1,8 V gemessen, an einer grünen LED ca. 1,9 V.

 


AD1.exe starten


zurück
weiter
zur Startseite