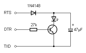
Die Stromversorgung Ihrer LED-Versuche erfolgt z.
B. über die RTS-Leitung. Mit einem maximalen LED-Strom von ca. 5
mA sind nur mittlere Helligkeiten möglich. Sie können aber
Energie aus der RTS-Leitung in einem Kondensator speichern und
kurzzeitig sehr viel mehr Strom entnehmen. Bauen Sie ein
LED-Blitzlicht. Der Kondensator wird über RTS und die Si-Diode
relativ langsam aufgeladen und entlädt sich schlagartig über
die LED und den Transistor, wenn Sie über DTR ein entsprechendes
Schaltsignal geben.

Verwenden Sie für Ihre Versuche das Programm AUSGANG.EXE. Schalten Sie
RTS ein und nach einer Sekunde oder schneller wieder aus. Der
Kondensator ist dann auf ca. 4,5 V geladen und behält seine Ladung
mehrere Minuten. Schalten Sie dann DTR ein. Es entsteht ein kurzer
Blitz. DTR sollte ausgeschaltet werden, bevor der Kondensator neu
geladen wird.

Auch das Programm zum Wechselblinker
kann eingesetzt werden, wobei abwechselnd die Ausgangsleitung DTR zum
Laden und die Leitung TXD zum Schalten eingesetzt werden. Dazu ist eine
Änderung der Schaltung nötig, wobei der gemeinsame Minuspol
entweder an GND oder an der RTS-Leitung liegt.


.
Blink.exe starten