Geigerzähler-Testschaltung

Elektronik-Labor  Projekte   Strahlungsmessung



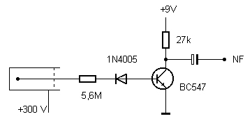
Dieses kleine russische Zählrohr habe ich von Manfred bekommen. es sollte nun auf seine Funktion getestet werden. Zum Test habe ich eine Spannung von 300V und einen Vorwiderstand von 10 MOhm direkt am Oszilloskop eingesetzt. Es zeigte sich, dass die Spannung ausreicht. Aber das Zählrohr konnte nicht zuverlässig löschen. Mit mehr Widerstand wurde das Problem geringer, aber nicht vollständig gelöst. Deshalb habe ich eine Diode in Sperrrichtung als extrem hochohmigen Vorwiderstand eingesetzt. Nun arbeitet das Zählrohr zuverlässig.



Am Ausgang wurde noch eine Transistorstufe angefügt, um eine ausreichende Lautstärke der Impulse zu erzielen.



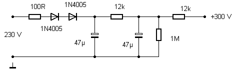
Ein einfaches Steckernetzteil mit Einweggleichrichter und ohne Potenzialtrennung lieferte die Testspannung. Man muss es "richtig herum" in die Steckdose stecken, damit eine reine Gleichspannung herauskommt. Aus Sicherheitsgründen wird hier keine Masseleitung herausgeführt. Die Masse wird über eine externe Erdung besorgt. Das Gerät enthält Schutzwiderstände zur Strombegrenzung und einen Enladewiderstand. Es eignet sich auch für einfache Röhrenversuche.



 
Der einfache Geigerzähler wurde mit einer Probe Uran-Pechblende getestet. Er funktioniert gut, hat aber eine längere Erholzeit als sonst üblich, weil das Zählrohr nach jedem Impuls erst wieder über die gesperrte Diode aufladen muss.



www.youtube.com/user/bkelektronik



Falsch gepoltes Zählrohr

Hans-Peter Moeßner wies mich darauf hin, dass das Zählrohr falsch in der Schaltung steckt. Deshalb habe ich den Versuch jetzt noch einmal wiederholt: Das Ergebnis: Es funktioniert offensichtlich in beiden Richtungen. Auch "richtig herum" bleibt es bei den Löschproblemen. Mit der Diode in Sperrrichtung funktioniert es gut. Bei der Gelegenheit habe ich meine neue Probe, das AM241-Präparat aus dem Rauchmelder getestet. Das Zählrohr misst problemlos die schwachen Gammastrahlen der Probe.


Der Mini-Geigerzähler



Nachdem ich kürzlich den passenden Spannungswandler in einer Mückenkiller-Solarlampe gefunden habe, ist der Weg zum autonomen Geizerzähler nicht mehr weit. Die besondere Chance besteht darin, dass das Gerät mit 1,5 V betreiben werden kann. Die Schaltung ist ähnlich wie oben, nur wird diesmal einen Darlingtonschaltung verwendet, die direkt einen kleinen Lautsprecher treiben kann.



Alles zusammen passt in die große Version einer Tic-Tac-Dose. Ich hatte sie schon vor längerer Zeit als zukünftiges Gehäuse aufgehoben, jetzt endlich ist ein würdiger Inhalt gefunden.



Im Deckel befindet sich ein Tastschalter. Damit kann man das Gerät nie versehentlich anlassen. Das Gerätchen kann ich jetzt immer mitnehmen, um die Umwelt auf verborgene Strahlenquellen abzusuchen. Ich muss z.B. mal die Glasvitrine meiner Bekannten durchchecken, da vermute ich Uran-Glas.





Elektronik-Labor  Projekte   Strahlungsmessung