Der Gammadetektor III


Elektronik-Labor  Projekte   Strahlungsmessung



Wie bekommt man einen Verstärker für Gammaimpulse hin, der hoch verstärkt und zugleich eine ausreichend große Zeitkonstante hat? Die einfachsten Ideen sind manchmal die besten. Könnte man nicht einfach mit einer Darlington-Schaltung nehmen? Es müsste auch eine komplementäre Darlingtonschaltung gehen. Für den Test habe ich mir aus einer Keksdose eine neue Dunkelkammer gebaut. Mehrere Anschlussbuchsen sind mit schwarzem Isolierband lichtdicht eingebaut. Jetzt kann ich nun auch am Tage bei vollem Sonnelicht experimentieren.





Die Schaltung liefert saubere Impulse von ca. 5 mV mit einer Zeitkonstante von 10 ms. Die Impulse sind damit gut hörbar.



Siehe auch: Das Gammastrahlen-Mikrofon in der Bastelecke

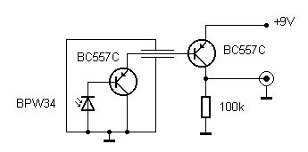
Es geht auch mit einer normalen Darlington-Stufe. Mit zwei PNP-Transistoren erhält man positive Impulse. Absolute Dunkelheit am Sensor ist Voraussetzung für eine gute Funktion. Man kann z.B. den ersten Transistor zusammen mit der Fotodiode in einem Blechgehäuse kapseln.



Für den Sensor habe ich den hinteren Beckdeckel aus einer 9-V-Batterie verwendet. Die Durchführung ist ein eingelötetes Röhrchen einer Adernendhülse. Der Emitterdraht wurde mit einer schwarzen PVC-Isolierung durch das Röhrchen geführt. Das hat sich als absolut lichtdicht erwiesen.



Die Hülle besteht aus extrem dünnem Weißblech aus dem Boden einer Kaffeedose. Es ist das gleiche Material, dass ich gern für Probeaufbauten verwende. Beim Zulöten wird alles sehr heiß. Am Anfang fließt noch ein großer Dunkelstrom durch die Fotodiode. Sobald alles auf Zimmertemperatur abgekühlt ist, kann gemessen werden.



Der zweite Transistor wird außen montiert. Das Ergebnis: Wieder etwa 5 mV pro Impuls. Gammastrahlen gehen anscheinend gut durch das dünne Blech.


Ein Transistor reicht,  von Norbert Renz

Ich habe noch rumprobiert. Ein Transistor reicht völlig. Es muss allerdings wirklich zappenduster sein. Ich hatte ein 67-Hz Störsignal drauf, nach einer Weile Suchen stellte ich dann fest, dass das Licht vom Oszi-Schirm durch ein kleines Loch in der Abschirmung rein kam.




Ein Mini-Gammazähler



Die Schaltung wurde um drei weitere Verstärkerstufen erweitert und als Mini-Gammazähler in die Hülle einer alten 9-V-Batterie eingebaut. Die letzte Stufe ist im Ruhezustand gesperrt und leitet nur bei einem Impuls. Dann leuchtet die LED, und der Lautsprecher erzeugt einen Knack.



Siehe auch  in der Bastelecke: Batterien zerlegen





Alles wird auf einen Rahmen aus dickem Kupferdraht montiert.



Die gesamt Schaltung wird am Ende in die Hülle geschoben.







Zusammen mit einer 9-V-Batterie arbeitet der Minizähler tagelang. Zwischen den beiden Batteriegehäusen kann man die LED blinken sehen. Und aus dem eingebauten Lautsprecher hält man ein leises Klicken.



Elektronik-Labor  Projekte   Strahlungsmessung