Power Supply für Ionisationskammer

Die Ionisationskammer mit dem Darlington-Sensorverstärker von Burkhard Kainka habe ich mal aufgebaut und sie funktioniert gut. So eine Ionisationskammer braucht eine hohe Spannung, damit die Ionen je nach Ladung zum Sensordraht in der Mitte oder zur Wand beschleunigt werden. Da ich die Schaltung nicht mit einem Netzteil sondern mit Batterien betreiben wollte musste da eine Lösung her, die wenig Strom verbraucht. Vor einer Weile hatte ich mal einen Spannungswandler gebaut, der erzeugt in einem 3,3 Volt System die Abstimmspannung für eine Kapazitätsdiode. Bei 3,3 Volt und 3 mA lag die Ausgangsspannung bei 27 Volt, mit einem 1 MOhm Poti zur Abstimmung waren es noch 26 Volt. Das sollte auch hier reichen, denn die Ionisationskammer braucht praktisch keinen Strom.
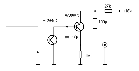
Das ist die Schaltung des Spannungswandlers mit einem npn und einem pnp Transistor.
Es reichen schon 2 Akkus, d. h. 2,4 Volt, damit erhält man 25 Volt an C2 und der Stromverbrauch der Batterie sinkt auf 1,3 mA. Der Oszillator startet bei 1,6 Volt, bei 5 Volt braucht er 4 mA. Die 1,5 mH Drossel ist handelsüblich mit 19 Ohm Gleichstromwiderstand. Alle 4 ms gibt es einen kurzen Burst, das erklärt den niedrigen Stromverbrauch.


Beim Aufbau wurde darauf geachtet, dass die Basis der 1. Transistors keinen Kontakt mit der Platine hat und frei durch die Bohrung in der Aludose geht.


An die Basis des Transistors wird als Sensor ein Stück Draht angelötet, der ist etwas kürzer als die Dose, eine Blechschraube stellt die Masseverbindung zur Dose her. Der Spannungswandler erzeugt die 25 V für die Ionisationskammer.
Der Ausgang des Spannungswandlers ist nicht sehr belastbar, ist aber eine gute Lösung mit wenig Stromverbrauch, wenn man eine höhere Spannung für eine Kapazitätsdiode oder eine Ionisationskammer braucht.