Der Sulzer Oszillator 
Ende der 1960er Jahre habe ich damit begonnen, eine Sammlung interessanter Schaltungen anzulegen. Das war nicht einfach. Die Dorfbibliothek hatte keine technischen Bücher, die „Zentralbibliothek" in der nächsten Kleinstadt nur wenige. Wann immer ich Zeitschriften oder Bücher ausleihen konnte, habe ich die mich interessierenden Seiten kopiert. Leider ohne jeweils die Quelle zu notieren. So kann ich nicht angeben, aus welcher Publikation die obige Schaltung stammt.
Leider ist die Kopie nicht mehr sehr kontrastreich, die Fotokopie wurde auf spezielles Papier gemacht. Damals hatte ich kaum eine Chance zu eruieren, wer dieser Sulzer war noch eine Chance für einen Nachbau: die verwendeten Transistoren waren vom Typ CK722, allerdings sollten erhältliche Transistoren wie AC 122 und AC 125 (PNP, Germanium) auch funktionieren. Zudem ist, wie fast immer, die verwendete Glühlampe nicht näher spezifiziert.
Als ich, so um 2010, meine Unterlagen
digitalisierte, konnte ich einen Blick auf jedes einzelne Blatt werden; der
Scanner war ziemlich langsam. Ich begriff natürlich auch die Schaltung nicht,
dachte aber, das sei wohl wie bei einem "Wien"-Oszillator:
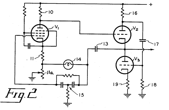
ein
Verstärker, der je nach der Phasenlage des RC-Phasenschiebers
invertiert oder
nicht (hellblau und dunkelblau), eine positive Rückkoppelung
(regeneration)
durch einen RC-Phasenschieber (rot) und die Amplitudenregelung, also
negative
Rückkoppelung (degeneration) durch die Glühlampe (grün). Ein Irrtum,
wie sich
später zeigte. (Wien-Oszillator: Eine klassische Fehlbezeichnung. Ich
nenne diesen Oszillatortyp nach seinem Erfinder "Hewlett - Oszillator".)
Heute ist das alles viel einfacher, Internet sei Dank. Peter Sulzer wurde wohl 1922 geboren und ist 2021 gestorben. Zum Zeitpunkt, in dem diese Schaltung entstanden sein muss (der CK722 weisen auf Mitte der 1950er Jahre hin) war er wohl knapp 35 jährig. Er hatte wohl seit etwa 1950 im US Bureau of Standards gearbeitet und dort hochpräzise Quarzoszillatoren für Zeitnormale entwickelt. (Oszillatoren: Es gibt noch mindestens einen weiteren RC-Phasenschieberoszillator von Sulzer.) Pech für ihn, dass man die „Atomuhr“ erfunden hat, die schon ganz am Anfang um 4 Größenordnungen genauer war. Später machte er sich selbständig und vertrieb seine Oszillatoren kommerziell. Die Geräte werden bis heute gehandelt. (Bureau of Standards: Heute NIST. Das Bureau of Standards war damals, wie heute, eine hochmoderne Forschungsanstalt.)

Sulzers Quarzoszillatoren waren Abkömmlinge von Meacham’s Brückenoszillator (1938 publiziert); beide Oszillatortypen hielten den Quarz mit einer Brückenkonstruktion im immer gleichen Resonanzpunkt.

Oben: Meacham, unten: Sulzer's Quarzoszillator. Das
variable Element in der Brücke wurde bei Meacham realisiert
durch eine Glühlampe, wie Sulzer das realisiert hatte, weiß ich
nicht. Publiziert hat Sulzer den hier vorgestellten RC-Oszillator
bereits 1950. Hier das Prinzip
aus dieser Publikation, leider auch etwas kontrastschwach.
(Richard Karlquist: A New Type of Balanced-Bridge Controlled Oscillator. HP,
1999. Sulzer P.: Wide Range RC Oscillator. Electronics, September 1950 p 90 - 91)

Die beschriebene Funktionsweise entspricht
ganz und gar nicht dem, was ich mir beim Anblick der Lampe so vorgestellt
hatte. Sulzer schreibt in der Publikation (und später auch in der
Patentschrift): Die positive Rückkoppelung (regeneration) geht von der zweiten
Röhre durch die Lampe an die Kathode der ersten Röhre, die Amplitudenregelung
geschieht im gleichen Zweig durch die Widerstandszunahme der Glühlampe bei
Erwärmung. Das überbrückte T-Glied von der Kathode der zweiten Röhre an das
Gitter der ersten Röhre ist frequenzbestimmend, wirkt aber abschwächend
(degeneration), weil dieser Rückkoppelungszweig die falsche Phasenlage hat. Das
überbrückte T-Glied wirkt ja als Kerbfilter, bei der Frequenz der tiefsten
Kerbe wird die erste Röhre am wenigsten gebremst, dort schwingt die
Anordnung also. Die Schwingfrequenz wird also nicht durch die Phasenlage des
RC-Netzwerkes bestimmt, sondern durch dessen Dämpfung! Obwohl dieses
überbrückte Netzwerk auch ein Phasenschieber ist, wird nur dessen
frequenzabhängige Dämpfung ausgenützt. Das tönt alles ziemlich verworren. Und
ist auch ziemlich heikel, wie (unter anderen) auch Toshniwal mit seinem Twin-T-Verstärker
erleben musste. Den RC-Oszillator meiner Kopie hat Sulzer
1956 auch patentiert. Sowohl mit Röhren als auch mit Transistoren als
Verstärker ( US Patent 2764643, eingereicht 23. März 1954, erteilt 25. Sept 1956)

Sulzer hatte schon 1950 einen
(LC)
Oszillator publiziert, dessen Verstärker mit gekoppelten Kathoden
arbeitete. (Peter G. Sulzer: Frequency and Amplitude Stability of the
Cathode-Coupled Oscillator. Proc IRE May 1950, p540ff)

Den ganzen Verstärker (also alles außer dem LC-Parallelkreis) sieht er als „negativen Widerstand“, der natürlich bei Anschluss eines LC-Parallelkreis zu schwingen beginnt.
Für Sulzer hatte dieser Oszillatortyp offenbar einen unakzeptabel hohen Anteil an geradzahligen Harmonischen. Für den neuen Oszillator hat er deshalb die zweite Röhre des Verstärkers mit zwei Trioden in einer Art Serienschaltung ausgestattet. Mit der zusammen mit dem RC-Phasenschieber patentierten Anordnung erreicht er, dass die Ausgangsstufe (also die beiden Trioden in Serie) einen hohen Strom liefern oder nach Masse ableiten kann, ein Strom der ausreicht, die Glühlampe zu „bedienen". Röhren existieren eben nur als „NPN“ – Bauteile und Transistoren konnten um 1955 immer noch nur kleine Ströme liefern oder ableiten; deshalb diese ungewöhnliche Anordnung des dunkelblau umrandeten Teils des Verstärkers. Mit modernen Transistoren würde Sulzer wohl eine Endstufe mit komplementären Transistoren verwenden. (Das war für Bill Hewlett sicher auch ein Riesenproblem bei seinem RC-Oszillator und dürfte meines Erachtens die Röhrenwahl beeinflusst bzw. erzwungen haben.
Fortsetung folgt.
CC BY-NC-ND
Sulzer Oszillator 1: Entwicklung
Sulzer Oszillator 2: T-Netzwerk
Sulzer Oszillator 3: Simulationen
Sulzer Oszillator 4: Gegentaktverstärker
Sulzer Oszillator 5: Heathkit
Sulzer Oszillator mit erweiterten Anmerkungen: SulzerOszillator.pdf