Die Quarzuhrwerk-Platine        

von Marcus, DL5TZ                
Elektronik-Labor  Bastelecke  Projekte  Notizen




Neulich hatte die Batterie in meiner Küchenuhr das Zeitliche gesegnet. Kein Problem, als Bastler hat man meist eine Ersatzbatterie griffbereit. Die Küchenuhr hatte mir jedoch verschwiegen, dass sie untröstlich in die Bodenfliesen verliebt war. So ergriff sie die einmalige Chance mir aus der Hand zu gleiten, um sich den Fliesen hemmungslos hinzugeben. Die Fliesen jedoch haben diesen Annäherungsversuch eiskalt abgeschmettert. Frustriert zersprang meine Küchenuhr in hunderte von Scherben und Einzelteilen. Das Herz der Uhr sollte jedoch ein zweites Leben bekommen. So ergriff ich die Chance das Quarz Uhrwerk vorsichtig zu zerlegen.




 
An den Batterieanschlüssen der Platine habe ich dann zwei Dioden vom Typ 1N4148 in Serie geschaltet, um diese über einen Vorwiderstand von 330 Ohm an 5 V betreiben zu können. Der Kathodenstrahloszillograph brachte das Ergebnis. Die Spulenanschlüsse werden im Sekundentakt für einen kurzen Impuls umgepolt. Eine weitere Messung gegen Masse ergab, dass an jedem einzelnen Anschluss alle zwei Sekunden ein positiver Impuls von ca. 1,4 V zu messen ist. Ob das für alle Quarzuhrwerke auf dem Markt gilt?
 




Die Spannungsspitze der Impulse beträgt ca. 1,4 V. So habe ich beide Ausgänge über jeweils eine Diode 1N4148 zusammengeführt. Nun war ein positiver Sekundenimpuls von ca. 0,7 V messbar. Mit diesem Impuls steuere ich nun die Basis (über einen Angstwiderstand von 10 Ohm) von einem Transistor BC547  an. Nun habe ich einen invertierten Sekundenimpuls.  Die ganze Schaltung taktet nun zuverlässig meine Nixie Uhr.


Sekunden-Blinker von Fritz Wegener



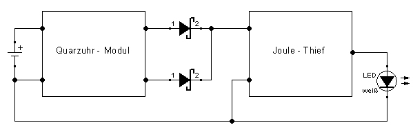
Auf die Idee einen quarzgenauen Sekundenblinker zu basteln, brachte mich der Beitrag zur Quarzuhrwerk-Platine. In meinem Bauteile-Unsortiment fand ich 3 Quarzuhr-Module im Tiefschlaf vor. Idee: Eins davon vor einen vorhandenen Joule-Thief zu setzen, um den beiden einen Job zu geben:


 


Ein Modul lieferte auf keinem Kanal einen positiven Impuls (entsorgt). Zweites Modul lieferte nur auf einem Kanal alle 2 Sekunden einen positiven Impuls, war für mich nicht brauchbar (defekt?).

Drittes Modul lieferte auf beiden Kanälen alle 2 Sekunden einen positiven Impuls (brauchbar). Beide Kanäle wurden über Dioden (sonst Kurzschluss) zusammengeführt und gingen an den + Pol des Joule-Thiefs. So kam ein Sekunden-Takt zustande, in dem die weiße LED blinkt.



Das Quarzuhr-Modul wird mit 1,5 V versorgt. Der Joule-Thief ist natürlich nicht vollständig bis 0,7 V herunter nutzbar, da er abhängig vom Impuls des Quarzwerkes ist, das deutlich mehr als 1 V Spannung benötigt. Der Blinker könnte immerhin ein Jahr funktionieren. Sollte er nicht mehr blinken, ist entweder die Batterie am Ende oder der Betrachter entfernt sich gerade mit v = c vom Blinker (selten).

 


Elektronik-Labor  Bastelecke  Projekte  Notizen