Powernetzteil 30V=/3A 
http://www.produktinfo.conrad.com/datenblaetter/175000-199999/192520-as-02-de-Labor_Netzgeraet_0_30V_3A.pdf
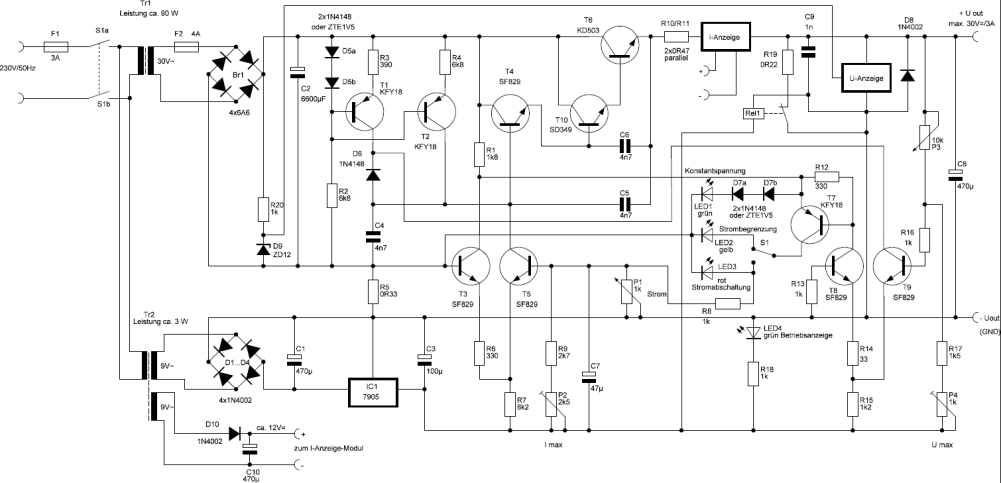
Dort
sind Schaltung und prinzipielle Funktion ausreichend dokumentiert,
deshalb möchte ich hier nur auf meine Modifikationen eingehen. Übrigens
fehlt im dort gezeichneten Schaltbild eine Masseverbindung (Masse von
Uout muß mit der Hilfsspannungsmasse verbunden sein)!!
Datenblatt eine Mindeststromverstärkung von 1000 hat – die wird natürlich von meinen
Alttransistoren nicht erreicht, daher habe ich den MJ3001 aus zwei Transistoren in
Darlingtonschaltung substituiert, damit der Steuertransistor T4 strommäßig nicht überlastet
wird und die Regelung im normalen Betriebsparameterbereich der Transistoren
vonstatten geht. Die eingesetzten Transistoren T6 (ein KD503 aus der ehemaligen CSSR,
etwa dem 2N3055 äquivalent) und T10 = SD349 bilden gemeinsam ein Substitut mit einer
gemessenen Stromverstärkung von ca. 2000, d.h. bei einem max. Längsstrom von 3A
reichen 3A/2000 = 1,5mA Strom zur Steuerung aus, was sich in vernünftigem Rahmen
bewegt. Die hier eingesetzten Steuertransistoren SF829 (aus der Ex-DDR) sind damit sogar
unterfordert (siehe Schaltbild T3, T4, T5, T8, T9) und tun daher klaglos ihren Dienst.
2. Zur bequem ablesbaren Anzeige von Strom und Spannung wurden aus ansonst defekten
Ladegeräten ausgebaute Fertigmodule mit 7-Segment-Displays verwendet, die jedoch eine
getrennte Stromversorgung benötigen. Das U-Modul braucht diese Versorgung
massebezogen, das I-Modul jedoch galvanisch getrennt. Daher wurden 12 V für das U-
Modul mittels R20 und Zenerdiode D9 erzeugt, während die 12 V für das I-Modul aus
einer Separatwicklung des Trafos T2 per Einweggleichrichtung und Siebung erzeugt
wurden. Die Module arbeiten bereits ab 4,5 V bis hin zu max. 30 V und sind nicht kritisch
bezüglich Betriebsspannungsschwankungen, daher wurde der Aufwand in Grenzen
gehalten.
3. Beim Abschalten des Gerätes bricht die zur genauen Regelungs-Nullpunkterzeugung nötige
Hilfsspannung von -5V relativ schnell gegenüber der Hauptspannung von ca. 50V an C2
zusammen, damit kommt die Regelschaltung „außer Tritt“ und die Ausgangsspannung läuft
kurzfristig hoch mit eventuell fatalen Folgen für die angeschlossenen Verbraucher, die u.U.
sogar in den elektronischen Tod gerissen werden. Daher habe ich noch ein Relais
eingebaut, welches durch die Hilfsspannung von -5V anzieht und den Ausgang freigibt
(Öffnerkontakt). Sofort nach dem Ausschalten brechen die -5V zusammen, das Relais fällt
ab und schließt die Ausgangskontakte über den relativ niederohmigen Schutz-und
Entladewiderstand R19 kurz, womit die Restladung an diesem vernichtet und die
angeschlossene Schaltung hinreichend zeitig geschützt wird.
4. Gegenüber der Originalschaltung wurde C8 auf 470µF vergrößert, damit waren
oszilloskopisch signifikante Verbesserungen in der Restwelligkeit der
Ausgangsspannung nachweisbar (Uss ca. 2 mV !!). Ebenso positiv wirkte sich die
Vergrößerung des Ladekondensators C2 auf 6600µF aus.


Günther Zöppel
Pockau, im Jan. 2016



Graetzgleichrichter, Relais zum Abschaltüberspannungsschutz vorn Mitte sichtbar
Testlauf mit R=12Ohm/20W, bei 12V ergibt sich I= 1A –> R wird warm (12W)

Test mit auf 0,75 A begrenztem Strom, Ua sinkt dabei, LED „Konstantspannung“ ist aus, dafür leuchtet gelbe LED „Strombegrenzung“

Gleicher Test wie vorher, Schalter auf Überlastabschaltung geschaltet. Sobald eingestellter Strom erreicht ist, schaltet Ua ab, rote LED „Stromabschaltung“ leuchtet. Rückstellung dieses Zustands durch Umschalten auf Strombegrenzung.

Blick von hinten auf Frontplatte innen (2 Anzeigemodule sichtbar)

Gerät fertiggestellt, im mahagonifarben gebeizten Gehäuse