Zweistrahl-Oszilloskop Phillips PM3230          


Elektronik-Labor  Bastelecke  Projekte  Notizen



Ein echtes Zweistrahl-Oszilloskop von Philips, und gar nicht teuer, das wollte ich mir ansehen. Als es dann ankam, war ich überrascht, dass das Gerät so groß und so schwer war. Die Frontplatte misst 30 cm * 21 cm, die Tiefe beträgt 45 cm. Und alles wiegt 11 kg. Nach dem ersten Einschalten hatte ich ein paar Probleme, alles zu bedienen. Jeder Strahl hat rechts seinen eigenen Regler für Helligkeit und Schärfe. Das ist ein Vorteil gegenüber Zweikanalgeräten mit Chopper. Hier kann man für jeden Kanal eine andere Helligkeit einstellen und beide dann viel leichter unterscheiden. Die beiden Y-Verstärker A und B sind vollkommen unabhängig. Die X-Ablenkung machte am Anfang etwas Probleme und lief erst an, wenn ich die Zeitablenkung einmal durch alle Einstellungen verstellt hatte. Die Triggerung funktionierte überhaupt nicht.



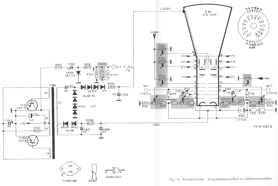
Die Bedienungsanleitung war im Internet leicht zu finden. Im Schaltplan sieht man die beiden unabhängigen Systeme mit ihren eigenen Ablenkplatten. Die Hochspannung von 3,2 kV wird mit einem separaten Spannungswandler mit zwei GE-Transistoren erzeugt. Im Gerät gibt es zahlreiche Si-Transistoren, einige Ge-Transistoren hauptsächlich für größere Leistungen und zusätzlich einige Röhren, da wo es um größere Spannungen geht. Es wurde in den 70er Jahren gebaut, als es noch keine Si-Leistungstransistoren und keine Transistoren für hohe Spannungen gab. Ungewöhnlich, der Gegentakt-Spannungswandler liefert zugleich das Signal für den 1-V-Kalibrierausgang.



Hier sieht man das Netzteil und die Ablenkeinheit. Alles ist sehr übersichtlich und ermöglicht zusammen mit dem Schaltplan eine gute Fehlersuche. Die fehlende Triggerung fand ihre Ursache in einem Schiebeschalter ganz oben mit der Funktion Normal/TV Frame. Fast alle Schiebeschalter haben Kontaktprobleme, die sich nach einigen Betätigungen etwas bessern. Aber hier war nichts zu machen.



Ich habe dann einen zusätzlichen Draht eingebaut, der den Schalter in Stellung Normal überbrückt, weil diese Einstellung fast immer benötigt wird. Das brachte sofort den Erfolg. Nun erhält man sauber stehende Oszillogramme. Zum Test habe ich den Kalibierausgang mit ca. 7,5 kHz verwendet. Bei starken Änderungen der Helligkeit an einem Kanal kann man beobachten, dass die Frequenz des Spannungswandlers sich geringfügig ändert.

Ein weiteres Problem war, dass der Sägezahnoszillator der X-Ablenkung manchmal nicht anschwingen wollte. Auf der Platine stitzen alle Transistoren in Fassungen. Einer sah etwas  locker aus, ein AF118 im TO5 Gehäuse. Als ich ihn tiefer in die Fassung gesteckt hatte, war das Problem beseitigt.



Probleme mit Schiebeschaltern gibt es auch bei den beiden Y-Eingängen. Manchmal muss man sie etwas hin und her bewegen, damit das Eingangssignal durchkommt. Besonders die zusätzliche Verstärkung x10 ist nicht leicht zu überreden. Aber wenn man im Normalfall mit seinen Standardeinstellungen arbeitet, sind die Schalter ausreichend stabil. Vielleicht könnte man auch die Eingangs-Schiebeschalter in einer Stellung überbrücken. Aber das zeigt sich erst nach längerem Einsatz, wenn  klar ist, welche Stellungen man üblicherweise braucht.




Hier sieht man eine typische Zweikanalmessung. Kanal A wurde hell gestellt und zeigt ein Rechtecksignal vom CAL-Ausgang. Kanal B wurde dunkler eingestellt und zeigt dasselbe Signal nach einem Tiefpassfilter mit 10 k und 12 nF.  


Elektronik-Labor  Bastelecke  Projekte  Notizen