Orgelbausatz Philips EB1102 











Je länger ich über diese Schaltung nachdenke, desto weniger verstehe ich sie. Als ich Ihre für LTSpice umgezeichnete Schaltung gesehen habe, hat meine Mustererkennungssoftware im Gehirn sofort das Wien-Muster vermisst, aber das Twin-T-Muster erkannt; ich hatte mich ja mit beiden Netzwerken einige Zeit eingehend beschäftigt

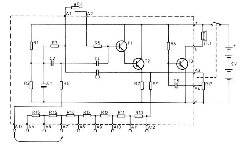
Rot = TWIN-T !!!!
Ich erinnere mich, das dauerte keine 2 Sekunden. Über den genauen Verlauf des Rückkoppelungsweges habe ich mir keine Gedanken gemacht, ich „wusste“: Twin-T heisst, wenn ein Oszillator daraus werden soll, 180 Grad Phasendrehung des Netzwerkes und damit auch des Verstärkers (1), die beiden „senkrechten“ Elemente an Masse, genügend Spannungsverstärkung und Einleitung des verstärkten Signals an einem Ende der Längselemente sowie Ausleitung am anderen Ende der Horizontalelemente. (Wenn Twin-T als Notchfilter, dann natürlich möglichst genaue Einhaltung der C vs 2C und R vs R/2 Bedingung und keine definierte Phasendrehung, weil Amplitude = 0 im „Resonanzpunkt“). Dass alle diese Voraussetzungen für einen Twin-T-Oszillator nicht gegeben sind, merkte ich nicht, der Erfinder der Schaltung hatte das ja sicher richtig gemacht, sonst hätte Philips den Bausatz ja nie verkaufen können. (Früher sagte man zwar: „Aussen fix und innen Philips“)
Wie stark die humane Mustererkennung ist, ist leicht demonstrierbar. Wenn Sie das folgende Problem noch nie gesehen haben, werden Sie aller Wahrscheinlichkeit auch nicht sofort sagen können, wie gross der Widerstand zwischen A und B in der folgenden Schaltung ist, weil Ihre Mustererkennung trickreich auf eine falsche Fährte gelockt wird.

(Ein Maturand (bei Ihnen „Abiturient“), den ich bei seiner Maturaarbeit begleite, konnte das obige Problem nicht lösen. Auch nicht nach meinem Rat, alle Drähte die zu A bzw B führen mit verschiedenen Farben einzufärben und die Farbe auch am jeweiligen Ende des Widerstandes aufzumalen.)
Ich habe versucht, die ursprüngliche Schaltung der Orgel auf das Wesentliche (bezüglich Signal) zu reduzieren:

Ein nicht invertierender Verstärker mit Spannungsverstärkung 0.95, der zwei parallel geschaltete serielle RC Längskombinationen, deren Mitte jeweils mit einem R bzw einem C an Masse (für das Signal) liegen. In der Originalschaltung ist für den Weg zur Masse ein Elko vorgesehen, Impedanz bei 700 Hz 48 Ohm. Die beiden Signale werden addiert und dem Verstärkereingang zugeführt. Da die Frequenz in beiden Zweigen natürlich gleich ist, die Phasen aber wahrscheinlich verschieden und der Eingangswiderstand des Transistors sehr hoch ist, kann sich am Ausgang eine höhere Spannung als am Eingang ergeben. Dafür müsste die eine serielle RC-Kombination die Phase etwas vorschieben, der andere die Phase nacheilen lassen und die Amplituden so gross sein, dass sich die Signale zu einem Sinus mit der Phase 0 (im Verhältnis zum Ausgang des Verstärkers) addieren.
In der 1.5 V Version fehlt dieser Elko und die Mitten der beiden Phasenschieber werden an die positive Spannungsversorgung gelegt, die aber durch die Batterie (ich nehme an, Sie haben der Batterie keinen hohen Innenwiderstand verpasst) für das Signal an der eigezeichneten Masse liegt. Allerdings ist das ja eigentlich eine Kollektorschaltung, bei der sowieso der Kollektor und damit hier die +-Versorgung die Bezugsmasse für das Signal darstellt. Der Widerstand R3 sorgt dabei gleichzeitig dafür, dass der Transistor etwas Ruhe-Basisstrom bekommt.

Siehe auch: Der Eintransistor-Sinusoszillator